Установка обратного осмоса: схема подключения и сборка
Изношенность водопроводных коммуникаций сказалась на качестве воды, поступающей в квартиры и частные дома. Ее использование для приготовления пищи и питья невозможно без применения фильтров. Наилучшую степень очистки обеспечивает установка обратного осмоса – самой совершенной системы фильтрации на сегодняшний день. Для ее монтажа своими руками не потребуется ни особых навыков, ни специальных инструментов.
Как устроен и как работает фильтр обратного осмоса
Первоначально установки такого типа использовались для опреснения морской воды. Но как только технологии позволили выпускать подобные приборы в менее габаритном и дорогостоящем исполнении, они прочно заняли свою нишу на рынке бытовых фильтров.
Принцип действия устройства основан на явлении обратного осмоса – продавливании воды через мембрану с микроскопическими отверстиями, по размерам совпадающим с величиной молекул h3O.
Дистиллированная вода безвредна для организма, но лишена и полезных солей, жизненно необходимых для него. Поэтому после окончательной очистки воду рекомендуется подвергать дополнительной минерализации, повышая ее полезность и улучшая вкусовые качества.
ИНТЕРЕСНЫЕ ФАКТЫ!
- Чистейшая вода, лишенная примесей, не замерзает при 0 °C, а переходит в состояние, которое называется сверхохлаждением. Она не превращается в лед до -38 °C и остается жидкой. Ученые выяснили, что для появления кристаллов льда нужна точка образования, инородное тело в воде – пузырек воздуха, соринка. Если встряхнуть бутылку со сверхохлажденной водой, в ней появятся пузырьки и она моментально заледенеет.
- Вода – превосходный проводник электричества.
Но только не дистиллированная, ведь электричество переносят молекулы примесей и ионы растворенных в ней веществ. - Всем знакомы три агрегатных состояния воды – жидкое, твердое и газообразное. Ученые же выделяют пять фаз жидкой воды и целых 14 фаз льда.
- При -120 °C замерзшая чистая вода становится тягучей и вязкой, а при -135 °C она станет стекловидной – твердой, но без кристаллической структуры.
Для долговечной эксплуатации мембраны воду предварительно пропускают через фильтры, удаляющих из нее механические взвеси и другие примеси. Таким образом, система очистки воды при помощи обратного осмоса состоит из 4–5 ступеней, к которым по желанию подключаются дополнительные элементы.
Ступени очистки воды
Подготовка воды осуществляется в блоке предварительной обработки. Это три фильтра различных типов:
- Грубой очистки – задерживает частицы песка, ржавчины и иные механические взвеси.
- Угольный – удаляет соединения хлора, фенола и другие растворенные вещества.

- Тонкой очистки – улавливает частицы размером до одного микрона.
Подготовленная вода просачивается через мембрану в накопительный бак. Концентрированный рассол, содержащий все примеси, уходит по трубам в канализацию.
Перед использованием предусмотрена ещё одна завершающая стадия очистки угольный постфильтр или минерализатор.
Тонкости выбора осмотического фильтра и дополнительных элементов
Перед походом в магазин производят несколько замеров. Они помогут сделать правильный выбор.
- Измеряется давление в трубах. Для продавливания жидкости через мембрану и нормальной работы системы обратного осмоса необходимо не менее 2,8 бар. Если оно меньше, не обойтись без подкачивающей помпы – насоса повышения давления с трансформатором.
- Рассчитывается примерное потребление воды в семье. Ориентируясь на этот показатель, определяют нужную производительность системы очистки. В первую очередь это зависит от используемой мембраны.
Для бытового использования достаточно мембраны 50G (8 л/час) или 75G (12 л/час). Галлон (G) в сутки – единица измерения производительности мембран, принятая мировыми производителями. 1 G=3.785 литра. - Ориентируясь на пропускную способность мембраны, приобретают ограничитель потока воды. Это калиброванная трубка, по которой жидкость сбрасывается в канализацию. Для мембраны 50G подойдет ограничитель потока со значением 300, для 75G – 450, для 100G – 550. С низким давлением в водопроводе можно брать ограничитель с меньшим значением.
- Рекомендуется так же замерить место под мойкой, чтобы быть уверенным, что выбранная модель там поместится.
- Для правильной герметизации соединений приобретается ФУМ-лента.
Установка и подключение обратного осмоса своими руками
Подготовительные работы просты:
- Перекрываем доступ воды в квартиру.
- Сбрасываем давление в трубах, на 1 минуту открыв один из кранов.
Порядок монтажа указан в инструкции, входящей в комплект поставки.
Схему подключения можно увидеть на следующем изображении.
Монтаж питьевого крана
На мойке или на столешнице рядом устанавливается отдельный кран для чистой питьевой воды.
- Сверлим отверстие в месте крепления. Его выбираем так, чтобы избежать перегибов или перекручивания подводки.
Некоторые мастера оклеивают поверхность столешницы вокруг будущего отверстия пластырем: это позволяет избежать сколов. Сверлят в два приема: сначала сверлом 6 мм, а потом расширяют до 12. Рваные края подравнивают надфилем.
- Оснастив кран декоративной накладкой и резиновой шайбой, вставляем его в отверстие. Снизу надеваем резиновую шайбу меньшего размера, пластиковое кольцо и остальные элементы, указанные на схеме, и затягиваем резьбовые соединения.

Следует тщательно удалить стружку и другие загрязнения из-под резиновой прокладки, обеспечивающей герметичность.
В дальнейшем останется только подсоединить питьевой краник к выходной трубке от фильтра обратного осмоса.
Подключение к водопроводу
Соединение с водопроводом осуществляется посредством муфты (адаптера, тройника), в которую вставляется кран подачи воды из комплекта. Обычно тройник монтируется в месте соединения водопровода с гибкой подводкой, идущей к смесителю.
Порядок действий:
- Отключаем подводку смесителя для холодной воды от водопровода.
- Подсоединяем подводку к адаптеру, проверив наличие резиновой прокладки.
- Вкручиваем кран подачи воды в муфту-адаптер.
- Отвинчиваем гайку со штуцера подачи воды и надеваем ее на пластиковую трубку из комплекта фильтра (см. фото).
- Саму трубку натягиваем на штуцер и закручиваем гайку от руки без применения ключа, с небольшим усилием.

- Кран подачи воды может комплектоваться быстроразъемным цанговым соединением, в этом случае нужно просто вставить трубку до упора.
- Закрываем кран подачи воды и проверяем стыки на предмет протечек.
Герметичность соединений обеспечивает использование ленты ФУМ.
Подкачивающую помпу при необходимости размещают между фильтрами предварительной очистки и осмотической мембраной. Это продлит срок эксплуатации насоса: он не будет изнашиваться из-за попадания песка и ржавчины. Реле управления насосом должно располагаться между мембраной и накопительным баком.
Для монтажа измерительных приборов, например манометра, используются трехходовые вентили.
На этом же участке располагается четырехходовой перепускной клапан. Он перекроет воду при наполнении накопительного бака.
Установка упрощается, если все устройства помещены производителем в единый корпус. Именно такие модели легче всего устанавливать самостоятельно.
Подключение к канализации
Для слива грязной воды в канализацию в дренажной трубе мойки проделывается отверстие диаметром 7–8 мм. Дальше порядок будет таким:
- На часть хомута с отверстием клеим прокладку.
- Фиксируем хомут так, чтобы его фитинг совпал с просверленным отверстием в сливной трубе.
- Ключом затягиваем гайки на хомуте.
- В фитинг хомута вставляем выводную трубку, смазанную силиконом, которая обычно имеет черный цвет. Все эти детали идут в комплекте поставки. Трубка должна быть направлена вниз, а не упираться в стенку сифона. Так вода, сбрасываемая в канализацию, будет издавать меньше шума.
Важно! Нельзя размещать сливное отверстие в нижней точке изгиба сифона. Желательно проделать его выше гидрозатвора. Участок, на котором будет закреплен хомут, должен быть ровным, без изгиба: только так получится добиться герметичности стыка.
Установка фильтрующих элементов и накопительного бака
Модули фильтрационной системы нужно компактно и удобно скомпоновать под раковиной.
Выбираем стенку, на которой будет висеть блок фильтров, и вкручиваем в нее шурупы. Дальше действуем по такой схеме:
- Устанавливаем картриджи в колбы фильтров, четко соблюдая очередность, прописанную в инструкции.
- Вставляем мембрану в корпус.
- Трубки для соединения частей фильтра смазываем силиконом и подключаем в правильном порядке.
Схема подсоединения трубок:
- Трубка подачи воды – входное отверстие первого фильтра.
- Накопительный бак – входное отверстие фильтра 5-й ступени.
- Выход 5-й ступени – питьевой кран.
- Выход мембранного фильтра (4-я ступень) – дренажное отверстие (хомут).
Как подсоединяются трубки:
- Обрезаем трубку по размеру под прямым углом (должен быть небольшой запас, трубка будет заглублена на 1–1,5 см с каждой стороны).
- Нажимаем пальцами на цангу – пластиковое кольцо, которое выступает из колбы, – и аккуратно достаем заглушку. Если она не вынимается, нужно нажать немного сильнее, чтобы давление было равномерным.

- Снова надавливаем на цангу и вставляем трубку так, чтобы она вошла до упора.
- Надеваем стопорную клипсу-полукольцо на цангу.
- Проверяем качество соединения, потянув трубку на себя.
Чтобы подключить накопительный бак, на резьбу патрубка, уплотненную ФУМ-лентой, закручиваем кран из комплекта, а в него вставляем нужную трубку.
Многие производители не выделяют минерализатор в дополнительную ступень. Как правило минерализатор совмещает в себе функции угольного постфильтра и минерализующую.
Сборка и установка систем популярных марок: видео
Принцип установки обратноосмотических систем одинаков, но продукция разных фирм имеет свои отличия. На российском рынке широко известны фильтры следующих производителей:
- «Atoll» — это самая первая система обратного осмоса в России. Имеет огромный опыт разработки, поддержки и совершенствовании технологии обратного осмоса в России на протяжении 25 лет. Широкий модельный ряд не оставит без выбора даже самого притязательного покупателя.
Поставляется как в виде набора из фильтрующих картриджей, так и компактным готовым блоком. Такой модуль легко подключить самостоятельно. Есть бюджетные и продвинутые модификации.
Процесс установки рассмотрим на примере системы обратного осмоса Atoll A-575 Box STD (Sailboat)
- «Гейзер» – системы осмотической очистки серии «Престиж». В комплекте к ним поставляется накопительный бак, позволяющий набрать воду для питья в любое время. Модели, имеющие в названии букву «П», комплектуются насосом, повышающим давление в системе, и стоят дороже. Литера «М» указывает на наличие модуля минерализации.
- «Аквафор». Один из лидеров в производстве фильтрующих систем. У каждой модели в комплекте – расширительный бак объемом 5 литров.
Осмотические мембраны от «Аквафор» хорошо работают даже при небольшом давлении в водопроводе без установки дополнительного насоса: достаточно всего в 1,5 атмосферы. Еще одна отличительная черта – экономное использование жидкости: на удаление примесей с мембраны расходуется не более 20 % от общего объема воды.
- «Барьер». Лучшая модель по отзывам – «Осмо 100». Имеет 5 ступеней очистки, 8-литровый накопительный бак. Стоит дешевле аналогов других фирм, при этом не уступает им по качеству. Из недостатков – отсутствие минерализатора.
- «Аквапро». Отлично зарекомендовавшие себя фильтрующие системы с хорошим соотношением цена/качество. Популярная модель – AQUAPRO AP 600 с большим накопительным баком на 12 л и 5-ступенчатой фильтрацией.

Запуск и промывка
Перед началом эксплуатации необходимо промыть и проверить систему. Это делается так:
- Промывают фильтрующие элементы, пустив воду при закрытом вентиле накопительного бака. Сливается около 10 литров воды. Одновременно с промывкой из системы вытесняется воздух.
- Останавливают подачу жидкости в фильтр. Проверяют наличие протечек. При необходимости исправляют огрехи при подсоединении.
- Наполняют систему при открытом вентиле накопительного бака. На это потребуется несколько часов. После всю жидкость сливают.
- Для питья и приготовления пищи употребляют воду только после повторного наполнения емкости.
Обслуживание и замена картриджей
В эксплуатируемой установке осмотической очистки всегда содержится вода. Если она застоится, появляется неприятный затхлый запах. Избежать этого просто: каждый день нужно обновлять воду, сливая из системы хотя бы 0,5 литра.
Замену картриджей или осмотической мембраны производят, ориентируясь на сроки, указанные изготовителем, или на ухудшение качества очистки.
- Фильтры предварительной очистки эксплуатируются не более 6 месяцев.
- Угольный постфильтр, завершающий очистку воды, рассчитан на 1 год работы.
- Осмотическая мембрана прослужит до 2,5 лет.
Замена очищающих элементов осуществляется просто:
- Перекрываем подачу воды в систему на входе.
- Открываем питьевой кран и по максимуму сливаем жидкость из системы.
Полностью удалить воду из устройства невозможно, поэтому на пол стелют ветошь, чтобы не залить соседей.
- Если расположение картриджей не позволяет извлечь фильтрующие элементы, отсоединяем трубки и вынимаем оборудование из-под мойки.
Mr. Build рекомендует: промаркируйте или сфотографируйте трубки, чтобы не перепутать их при сборке. Также сделайте фото снятых картриджей, на которое удобно ориентироваться при установке новых сменных элементов.
- Крышки колб откручиваем и извлекаем содержимое фильтров.
- Сетку фильтра очистки от механических примесей промываем струей воды, содержимое других картриджей заменяем. Сами колбы внутри тоже тщательно промываем.
- Закручиваем крышки колб, особое внимание уделяя состоянию резиновой уплотнительной прокладки. Собираем систему и тестируем на наличие протечек.
Грамотный подбор, монтаж и правильный уход позволит эксплуатировать систему обратного осмоса длительное время без потери качества очищаемой воды.
Как работает обратный осмос: схема и принцип действия
Обратный осмос – это именно та технология, которая защитит вас от вредного воздействия свинца, тяжелых металлов, хлора, химических примесей, пестицидов, патогенов, бактерий, вирусов, и даже радиоактивных материалов. Предлагаем вам познакомиться с принципами ее работы и проверить правдивость распространенных мифов о ней.
Опасность водопроводной воды
Чистая вода – одна из важнейших потребностей нашего тела.
Это печальный факт, ведь у современного человека доступ к ней практически отсутствует, особенно если речь идет о промышленно развитых регионах. Данная проблема возведена в разряд глобальных. Данные многочисленных исследований гласят, что ни водопроводная, ни колодезная вода ныне не пригодны для питья из-за их сильнейшего загрязнения, отравлены реки, озера, скважины.
Конечно, загрязняющие вещества находятся не на том уровне, который способен вызвать отравление или другие побочные эффекты мгновенно. Однако, накапливаясь, с течением времени они могут привести к развитию серьезных заболеваний. Даже химические соединения, используемые в городских водопроводных системах, такие как хлор и фтор, токсичны.
Единственный выход, позволяющий обезопасить себя и близких – очистка воды. Обратный осмос считается одним из наиболее эффективных и удобных на текущий момент способов это сделать. Фильтрация осуществляется за счет пропуска жидкости через полупроницаемую мембрану, толщина ячеек которой составляет 0,0001 микрон (примерно 0,00001 мм).
Используется данная технология при создании бутилированной и опреснения морской воды. А в последние десятилетия появились бытовые системы обратного осмоса, установить которые в свои квартиры решается все большее количество людей. В пользу данного метода фильтрации говорят компактные размеры, умеренная цена и отменное качество очистки. Все это делает такие приборы просто незаменимыми в условиях городских квартир. Предлагаем разобраться с тем, как работает система обратного осмоса.
Что собой представляет и как работает?
Технология обратного осмоса известна также как индустриальная ультрафильтрация. Разработана она в США в 1950-х годах в рамках финансируемой государством программы опреснения морской воды. Сегодня данный метод считается одним из наиболее удобных и эффективных способов фильтрации. Используется он во многих отраслях промышленности, которым требуется в своей работе ультраочищенная вода, а также в быту.
com/embed/fJtbxksxBnQ» frameborder=»0″ allowfullscreen=»allowfullscreen»/>Принцип работы системы обратного осмоса заключается в прохождении молекул воды через полупроницаемую мембрану под давлением. Корпус мембраны обратного осмоса состоит из прижатых друг к другу и обвернутых вокруг полой центральной трубки листов. Подобная конфигурация обычно называется спиральной или модульной. Доступна она в различных размерах, от которых и зависит производительность системы:
- бытовые устройства имеют малые модули 5 см в диаметре и 25 см длиной;
- промышленные – соответственно 10 см и 100 см.
Помещаются подобные мембраны в специальные контейнеры, называемые корпусами мембран обратного осмоса. Они позволяют поддерживать необходимое давление по всей поверхности. Именно оно является движущей силой, заставляющей жидкость проходить через мембрану, отделяющую нежелательные примеси.
Максимально упрощенная схема обратного осмоса изображена ниже.
Обратный осмос имеет еще одно удивительное свойство: отфильтрованные вещества автоматически отправляются в канализационный слив, не накапливаясь в системе, как при обычной фильтрации.
Всякие вредоносные примеси уносятся частями. Этот факт является причиной того, что мембрана обратного осмоса не нуждается в замене на протяжении нескольких лет эксплуатации.
Стадии очистки
Принцип действия метода обратного осмоса воплощается в трех этапах:
- Предварительная очистка воды. Происходит в больших вертикальных колбах. На рисунке ниже они обозначены номерами 3, 4, 5.
- Прохождение через мембрану. Корпус мембраны обратного осмоса (горизонтальная колба) обозначен номером 7.
- Стадия посточистки. Колба обозначенная номером 12.
Схема подключения обратного осмоса – на рисунке ниже.
Вода, прошедшая стадию предварительной очистки, поступает на полупроницаемую мембрану, где разбивается на два потока: один проходит через мембрану и очищается, второй омывает её снаружи и со всеми загрязнениями, отторгнутыми мембраной, сливается в дренаж. Система очистки воды обратного осмоса работает не быстро, поэтому жидкость, прошедшая через мембрану, накапливается в специальном резервуаре (№ 11 на рисунке), откуда и поступает на посточистку.
На этой стадии фильтрации воды происходит дополнительная очистка от запахов и/или минерализация.
Прекрасным представителем является фильтр Atoll A-550, он удаляет до 99,9% всех примесей содержащихся в воде и предотвращает образование накипи в нагревательных приборах.
Преимущества:
- Существенно экономится место: питьевой бак также установлен внутри корпуса.
- Фильтр легко содержать в чистоте при его установке под кухонной мойкой: на конструктивные элементы системы не попадает грязь, нет выступающих элементов и торчащих соединительных трубок.
- Разборный корпус предоставляет удобный доступ к деталям и сменным элементам.
- Широко распространенный в мире стандарт картриджей «inline» позволяет использовать аналоги фильтрующих элементов Atoll в широком ассортименте, например, производства Omnipure (США) или Pentek (США).
- Картриджи типоразмера «inline» заключены в пластиковый корпус и имеют быстроразъемные соединения, поэтому процедура их замены гигиенична (исключены контакты с загрязненными поверхностями), и проста (не требуется наличия специнструмента).

- Встроенная система контроля качества очищенной воды сигнализирует о необходимости замены мембранного элемента
Обратноосмотические мифы
Вокруг системы обратного осмоса витает множество мифов.
Миф № 1
Обратный осмос вымывает необходимые нашему организму минералы.
Несомненно, водопроводная вода содержит небольшое количество минералов, но их доля настолько мала, что просто не способна оказать какое-либо влияние на состояние здоровья. К примеру, в стакане апельсинового сока их больше, чем в целой ванне неочищенной жидкости. Наоборот, она содержит лишь неорганические соединения, не перевариваемые организмом, а также тяжелые металлы, многие из которых токсичны или даже радиоактивны. В то время как он предпочитает органические минералы и микроэлементы, получить которые можно лишь из ежедневного сбалансированного питания. Обратный осмос удаляет неорганические минералы, металлы и многое другое, чтобы предоставить вам чистейшую, здоровую и природную питьевую воду.
Миф № 2
Большое количество сточных вод.
Да, на основе принципа обратного осмоса образуется некоторое количество промывочных вод, используемых для очистки и промывки мембраны от отфильтрованных ею загрязняющих веществ. Этот сложный процесс позволяет не менять дорогостоящую мембрану по несколько лет. Также он держит всю систему в чистоте, поскольку большинство вредных примесей сливаются в канализацию, а не находятся в ловушке внутри корпуса фильтра. При этом сточная вода является достаточно чистой, может быть собрана и использована для полива растений, бытовых очистительных мероприятий.
Миф № 3
Пяти- и десятимикронный фильтры предварительной очистки никому не нужны, ведь толщина мембраны меньше 1 микрона.
Дело в том, что мембрана весьма чувствительна к хлору, железу и органическим примесям. Во время механической очистки происходит сокращение их объемов до допустимых.
Миф № 4
Такая вода абсолютно безвкусная, неживая.![]()
Что касается вкуса, то тут вопрос весьма спорный. Если ее сравнивать с водопроводной, имеющей яркий привкус хлорки, то вкуса у нее действительно нет. Если подразумевается колодезная, то она, как правило, обогащается пролегающими под поверхностью минералами и имеет тонкий металлический привкус. Специалисты же говорят, что фильтр, работающий по принципу обратного осмоса, придает жидкости вкус, схожий со вкусом талой ледниковой воды. Это происходит благодаря использованию на одной из стадий очистки угольного фильтра.
Приобретать или нет описываемую систему фильтрации для своей квартиры – исключительно ваше решение. Однако помните о том, что она существует уже более 60 лет, оставаясь все эти годы эффективным способом очистки, уменьшить популярность которого не в состоянии никакие мифы.
Обратный осмос и нанофильтрация Ионообменные технологии
Производство мембран обратного осмоса
Мировым лидером производства мембранных элементов является корпорация FilmTec — структурное подразделение корпорации DOW Chemical (США).
Производство мембранных элементов ведется непосредственно в США.
Мембраны компании сертифицированы во всем мире для очистки воды как для питьевых целей, так и в промышленности.
Мембраны DOW FilmTec диаметром 2,5” — 4”- 8” представлены несколькими сериями для основных типов воды:
- XLE – для пресной;
- BW – для соленой;
- SW – для морской и с повышенным уровнем солености.
Официальным импортером мембран “DOW FilmTec” в Украине с 1995 года является компания “Экософт”.
А с 1017 года компания начала производство собственных мембранных элементов из американского полотна, что позволило удешевить технологию обратного осмоса.
Требования к воде подаваемой на мембрану обратного осмоса
Мембранное полотно изготовлено из достаточно чувствительного материала, поэтому качество воды которое поступает на очистку должно строго соответствовать допустимым значениям:
- менее 0,56 мг/л взвешенных веществ;
- окисляемость — менее 4 мгО2/л;
- свободного хлора менее 0,1 мг/л;
- температура подаваемой воды — 4 — 30 °С;
- железо — до 0,1 мг/л;
- марганец — до 0,05 мг/л;
- жесткость — до 3 мг-экв/л.

Часть параметров (железо, марганец, силикаты) могут быть выше заявленных норм в случае использования антискалантов (специальных веществ, которые препятствуют отложению осадка на поверхности мембраны).
Остальные параметры достигаются благодаря предварительной очистке, которая может предусматривать механическое фильтрование, умягчение, обезжелезивание или адсорбцию, в зависимости от параметров исходной воды.
Сильные и слабые стороны системы обратного осмоса
Среди достоинств системы очистки воды осмос можно выделить следующее:
- Высокий уровень очистки. Эта характеристика является визитной карточкой системы обратного осмоса. Как показали экспертизы, очищенная вода имеет в своем составе в 10 раз меньше примесей, чем указано в соответствующих нормативах. Блок мембраны собран таким образом, что в очищенную жидкость случайно попасть загрязнения не могут.
- Возможность готовить воду для разных целей. Попавшую в накопительную емкость жидкость разрешается без ограничений применять для питья и готовки еды.
Перед использованием ее необязательно кипятить. С медицинской точки зрения такая вода намного полезнее, чем кипяченая вода из городской трубы. Если в доме имеется аквариум, его можно пополнять из накопительной емкости без предварительного отстаивания. - Простота монтажа. Хотя конструкция системы на порядок сложнее обычных бытовых фильтров, для ее установки не потребуются особые навыки. Как правило, комплектация прибора включает в себя все необходимые для монтажа элементы. Кроме того, каждый из составных узлов можно в любой момент заменить.
- Компактность. Систему нельзя отнести к слишком громоздким. Как правило, она состоит из емкости и нескольких фильтров с мембраной. Для размещения комплекса обычно используют пространство под мойкой. Компактный кран удобно выводится и размещается на поверхности мойки. Современный дизайн позволяет ему хорошо вписаться в любой интерьер кухонного помещения.
К слабым сторонам обратного осмоса также принято относить невысокую скорость фильтрации воды.
Жидкость двигается сквозь мембрану очень медленно. В среднем, стандартная мембрана в состоянии очищать 150-300 л/сутки. Также следует учитывать, что 2/3 объема воды вместе с загрязнениями отводится в канализацию, что несколько увеличивает коммунальные платежи. Чтобы избежать дискомфорта во время эксплуатации системы, необходимо правильно подобрать объем накопительной емкости. В таком случае дефицит могут возникнуть только сразу после введения системы в эксплуатацию.
Емкость для концентрации воды
Собирается прошедшая фильтрацию вода внутри специальной емкости объемом 4-12 л: на точный показатель влияет уровень производительности системы. В качестве материала изготовления емкости чаще всего применяют высококачественную сталь. С внешней стороны сосуд отделывается прочной эмалью. Внутри бака имеется два отделения – для воды и воздуха. Посредине камеры разделены друг с другом силиконовой прокладкой. Для регулировки объема воздуха емкость оснащена ниппелем, обратный конец которого выходит наружу бака.
Для накачивания обычно используют автомобильный насос.
Благодаря воздушной камере внутри емкость создается определенное давление, позволяющее транспортировать воду на кран с некоторым напором. Для подачи воды к потребителю емкость оснащена надежным шлангом с насадкой. Как правило, для установки обратного осмоса используется отдельный краник, размещаемый на мойке рядом с основным смесителем. Это дает возможность в случае прекращения подачи воды через водопровод использовать тот запас, который имеется внутри накопительной емкости. Чтобы подавать жидкость под стабильным напором, иногда приходится нагнетать воздух через ниппельный вывод.
Комплектация устройства
Самым ценным узлом системы обратного осмоса является мембрана. Этот элемент изготовляется из микропористого материала высокого качества. Его укладывают одним или несколькими слоями вокруг перфорированного стержня из пластмассы. На верхней части мембраны имеется пластиковый защитный кожух, для фиксации которого используются надежные уплотнители.
Работает мембранный модуль таким образом:
- После подачи воды внутрь корпуса она пропускается сквозь пористый материал. Иногда для усиления напора используют электрический насос.
- Прошедшие мембрану молекулы чистой воды следуют внутрь накопительной емкости, а утяжеленный загрязнениями концентрат задерживается мембранным барьером.
- Далее этот раствор выводят за пределы мембранного устройства в канализационную трубу.
Как уже было сказано, непосредственное соприкосновение мембранного фильтра с простой водой с городской трубы чревато самыми печальными последствиями. Все дело в микроскопических размерах ее пор (0,0001 микрон). Мембрана нельзя почистить или помыть, подобно механическим фильтрам: ее можно только заменить. Рекомендуемая частота замены этого недешевого элемента – раз в два-три года.
На точное время замены влияют условия эксплуатации изделия – уровень напора в водопроводе, концентрация и химический состав примесей, температура воды и т.
п. Бывает так, что мембрана исправно служит 5 и более лет. Иногда замену приходится производить уже после первого года использования. Для того, чтобы защитить поры мембраны от преждевременного засора, в систему вводят предварительные фильтры для воды с обратным осмосом.
Стандартно речь идет о двух механических и одном угольном устройстве:
- Роль первого механического фильтра сводится к задержанию примесей, неспособных растворятся в воде. Как правило, размер этих частиц – больше 0,5 микрон. К таковым обычно относится песок, кусочки коррозии, накипь и т.п.
- После этого вода протекает сквозь угольный модуль, отбирающий химические загрязнения – молекулы хлора, тяжелые металлы, поступившие из грунта удобрения, растворенное железо и различную органику.
- Далее располагается один механический фильтр, способный улавливать более мелкие частицы. Он является конечным звеном в модуле предварительной очистки.
Теория
Под осмосом понимается технологическая операция, сутью которой является склонность воды выравнивать степень концентрации добавок в растворах, разделенных мембраной.
Эти перегородки оснащаются настолько микроскопическими отверстиями, что просочится через них в состоянии только молекулы воды.
При увеличении процентного содержания примесей в любом отделении такого сосуда начнется процесс перетекания в него воды, до полного выравнивания плотности жидкости в обоих отделениях. Обратный осмос приводит к противоположному эффекту: здесь мембрана не выравнивает плотность воды, а разделяется ее на две порции – чистую и грязную. По этой причине процесс и получил приставку «обратный».
Дополнительный блок
Фильтры для очистки воды осмос доводят жидкость до состояния, близкого к дистиллированной воде. Поры мембраны не задерживают молекулы растворенного кислорода, что делает очищенную воду очень качественной. Чтобы повысить вкусовые качества жидкости, применяют дополнительный минерализатор и другие блоки. Однако воду можно использовать и сразу после выхода из мембраны: она даже не нуждается в предварительном кипячении.
Что касается дополнительного блока, то в его состав обычно входит минерализатор и биокерамический картридж.
Прошедшая сквозь них вода обогащается кальцием, натрием, магнием и т.п. Данные элементы очень положительно влияют на нервную и сердечно-сосудистую систему человека, что позволяет избежать множества опасных болезней. В результате насыщенная минералами вода становится не просто питьевой, но также целебной.
Действие биокерамического картриджа несколько отличается. Внутри него имеются гранулы, для изготовления которых используется запеченная глина и фрагменты турмалина. Эти материалы оказывают на воду очень благотворное воздействие, корректируя ее структуру. Употребляя такую воду, можно значительно укрепить эндокринную и иммунную систему.
Установку фильтра обратного осмоса можно разбить на несколько стадий
1. Фильтр присоединяется к крану. Большинство систем ОО поставляются с дивертором, с помощью которого ее можно будет прикрепить к любой раковине в любом доме. Для начала работы с фильтром, включают холодную воду и переключают небольшой рычажок на диверторе.
Таким образом, вода начнет поступать в систему. Для прекращения работы просто выключают подачу воды. Есть несколько вариантов присоединения подачи водопроводной воды в фильтр. Например, можно использовать шланговый фитинг или седловидный клапан;
2. Помещают шланг для отвода воды на слив в раковине. Так все примеси будут уходить в канализацию. Подачу сточной воды можно организовать с помощью седловидного клапана в дренажной линии;
3. Помещают шланг для выхода воды в бочку или контейнер хранилище. При использовании клапана для автоматического отключения, устанавливается поплавок. Стоит отметить, что клапан для автоматического выключения обычно не входит в стандартный комплект поставки фильтров обратного осмоса, однако их можно приобрести как дополнительное оборудование.
Схема подключения фильтра обратного осмоса. На иллюстрации принцип работы клапана автоматического отключения. По красному шлангу осуществляется подача воды системе обратного осмоса (4), через черный происходит отток воды с высоким содержанием солей, через синий вода, очищенная в результате обратного осмоса, поступает в хранилище.
Поплавок (3) перекрывает поступление воды в резервуар, нарастает гидростатическое давление в клапане автоматического отключения (4), который перекрывает ток воды от фильтров предварительной очистки. Клапан (2) обеспечивает ток воды в одном направлении.После присоединения всех шлангов включают подачу холодной воды. Теперь система находится в рабочем состоянии. Эффективность зависит от температуры и давления потока. В системах обратного осмоса следует использовать только холодную воду.
Фильтры обратного осмоса характеризуются выходом галлонов в день (24 часовой период). Во время работы вода не выливается активно, а образует медленный и стабильный поток капель. Давление, как правило, не является проблемой в городских условиях, но в некоторых случаях приходится устанавливать простое устройство для его повышения.
Что представляет собой мембрана
Мембраны обратного осмоса бывают трех типов: рулонные, половолоконные и плоские.
“Рулонная” мембрана состоит из корпуса и собственно фильтрующего элемента.
Внутри рулона находится перфорированная трубка, которая служит для создания прочности элемента, сбора очищенной воды и базой для намотки мембраны в процессе производства. На нее намотан толстый слой полупроницаемого полиамидного мембранного полотна.
В процессе фильтрования, вода попадает в толщину полотна и собирается в трубке.
Благодаря такой конструкции эти мембраны имеют самую высокую производительность, минимальную материаллоемкость и занимают меньше всего места. Поэтому рулонные мембраны являются наиболее распространенным в мире и занимают 95% промышленного рынка.
5% занимают аппараты с плоскими мембранными элементами и аппараты для подготовки воды на базе полых волокон.
Сравнение фильтрационных технологий
Если сравнить обратный осмос с другими мембранными процессами, то можно говорить о том, что он является самой эффективной технологией очистки воды.
Почему же?
На рисунке ниже показано сравнение обратного осмоса с другими методами фильтрации.
Для начала рассмотрим остальные методы разделения сред, или фильтрации.
Обычная фильтрация — предусматривает удаление крупных частиц загрязнений (условно тех, что мы можем ощущать и видеть невооруженным взглядом) — песок, ржавчина, ил.
Размер этих частиц от 1000 мкм (1 мм) до 1 мкм.
Процессы выделения таких частиц из жидкой фазы проходят на засыпных, картриджных, дисковых, мешковых, промывных и других типах фильтров. Такие процессы обычно используются в ходе предварительной очистки воды.
Преимуществом простой механической фильтрации является то, что она может происходить при низком давлении, например, фильтрование на засыпных фильтрах зачастую проходит без нагнетания давления, а картриджные фильтры в быту функционируют при давлении создаваемым трубопроводом.
Микрофильтрация — представляет собой процесс удаления из воды частиц размером от 1 до 0,1 мкм. Они включают в себя бактерии, большие молекулы красителей, пестициды, желатин, латексную эмульсию.
Процессы микрофильтрации не имеют широкого распространения в технологии подготовки питьевой воды, но широко применяются для очистки сточных вод и технической воды для промышленных процессов.
Ультрафильтрация позволяет удалять маленькие частицы размером от 0,005 до 0,1 микрон (вирусы, частицы некоторых белков, частицы медицинских препаратов и тд.). Процессы широко используются для подготовки питьевой воды в странах Европы. Ультрафильтрацию можно считать лучшим методом для подготовки относительно чистой питьевой воды. Также эти процессы широко используются в фармацевтической и пищевой промышленности.
Использование ультрафильтрации в быту ограничено из-за того что в этом процессе не происходит удаление примесей ионного размера (соли жесткости, тяжелые металлы, нитраты), а они составляют немалую опасность для человека, а также высокое приложенное давление.
Обратный осмос способен удалять частицы размером менее 0,001 микрон, что обеспечивает удаление даже загрязнений ионного размера (ионы жесткости, тяжелых металлов, нитраты, сульфаты и др.
).
Технологии обратного осмоса часто используются в подготовке питьевой воды, в процессах подготовки дистиллята для паровых котлов, в пищевой промышленности.
Теперь рассмотрим типы установок обратного осмоса и их применение начиная от бытовых устройств заканчивая большими промышленными процессами.
Рекомендации по выбору
Выбирая фильтрационный комплекс для дома, необходимо взять во внимание следующие моменты:
Комплектация систем очистки воды обратный осмос изготовляется по определенному стандарту, что дает возможность без проблем найти замену износившемуся узлу. Однако этот принцип соблюдают не всего производители оборудования. Этот момент необходимо держать во внимании, отдавая предпочтение комплексам со стандартными параметрами. Среди них много приборов отечественного производства достаточно хорошего качества. Стоимость российских систем, как правило, ниже зарубежных аналогов.
Приобретать фильтр выгоднее всего напрямую у производителя, верифицированного дилера или в фирменном магазине.
Показателем хорошо качества системы обратного осмоса является наличие технической документации, официальной гарантии, внятной инструкцию по монтажу и использованию. При покупке нужно обязательно требовать сертификат качества. Также лучше знать, как поменять фильтр для воды самостоятельно, чтобы не переплачивать за эту услугу.
При выборе объема накопительной емкости необходимо рассчитать среднемесячную норму потребления воды в квартире. Для экономии ресурса осмосного фильтра совсем необязательно пропускать через него всю кухонную воду. Порцию, предназначенную для помывки посуды, рук и бытовых приборов можно отбирать напрямую из водопровода. Согласно нормам, один человек потребляет в сутки примерно 3 л воды. Умножив этот показатель на количество членов семьи, получают суточную норму для всей квартиры.
Большое значение имеют размеры внутреннего пространства мойки. Бак значительных габаритов имеет смысл заказывать для большой семьи с просторной кухней и габаритной мебелью. Наибольшей популярностью пользуются емкости вместительностью 8-10 л.
Эти модели достаточно компактны, и помещаются внутри стандартной мойки.
Большое значение имеет уровень рабочее давление внутри водопровода. Технология обратного осмоса рассчитана на показатель в 2,8 бар. Если замеры показали, что напор воды меньше, то следует приобретать специальный комплекс с внутренним насосом. Он будет обеспечивать нужный напор для прохождения жидкости через мембранный фильтр. Водопроводы, обладающие слишком высоким рабочим давлением, оснащаются редуктором понижения давления. Если этого не сделать, мембрана быстро выйдет из строя.
Учитывая особенную роль, которую играет мембрана в комплексе обратного осмоса, ее перед покупкой необходимо внимательно проверить
Важно, чтобы для изготовления этого элемента использовались качественные материалы. В магазине необходимо требовать для мембраны отдельный сертификат качества
Что касается ее производительности, то для средней семьи достаточно скорости фильтрации 7 л/ час. Если в доме живет более 4 членов семьи, необходимо покупать более производительную мембрану или обзаводится емкостью большого объема.
Следует учесть тот факт, что по мере повышения производительности мембраны увеличивается также и ее стоимость. Поэтому брать домой слишком мощные приборы не практично. К примеру, система производительностью 15 л/час в состоянии восполнить нужды в чистой воде небольшой столовой или кафе.
Важным моментом при покупке является проверка комплектации системы. Полный набор стандартно включает в себя пять основных ступеней очистки: три предварительных фильтра, мембрану и дополнительный модуль. Материал изготовления и функция последней ступени в разных моделях может отличаться. Кроме упомянутых ранее минерализатора и биокерамического картриджа, большой популярностью пользуются блоки с наполнением из скорлупы кокосового ореха, активированного угля и ионов серебра. Материалы этого типа обладают антисептическим действием и повышают вкусовые качества воды.
Установка обратного осмоса: сборка по схеме, инструкция, монтаж своими руками
Автор Петр Андреевич На чтение 14 мин.
Просмотров 3.5k. Обновлено
Водопроводная вода, централизовано подаваемая в жилые помещения, непригодна для питья из-за наличия посторонних примесей. Для отделения механической взвеси и растворов посторонних веществ используется методика отстаивания и последующего кипячения. Установка обратного осмоса позволяет ускорить процедуру очистки и повысить качество питьевой воды.
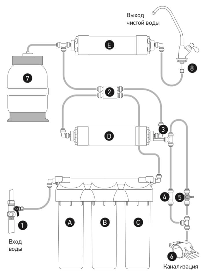
Типовая схема подключения обратного осмоса
Перед началом монтажа рекомендуется изучить схему устройства осмотической системы и определить направление движения жидкости. Фильтрующий блок подключается к тройнику, врезанному в водопроводную магистраль. Затем жидкость проходит через угольные элементы, очищаясь от мелкодисперсной взвеси.
В конструкции блока предусмотрен насос с приводом от электрического двигателя, который обеспечивает подачу воды под давлением к мембранному фильтру (часть блоков не оснащается насосами).
Очищенная вода сливается по второй трубке в отдельный бак, имеющий вместимость до 12 л. Использование накопительного резервуара обязательно, поскольку производительность осмоса для дома не превышает 7 л в час.
На выходе из накопителя установлен дополнительный модуль минерализации. Допускается использование 2 выходов, подающих к 2-вентильному распределительному крану очищенную и минерализованную воду.
Монтаж системы обратного осмоса по стандартной инструкции
Пользователь может подключить обратный осмос самостоятельно по инструкции, прилагаемой к оборудованию. Производители фильтров используют различную конфигурацию узлов, но общая схема соединения компонентов остается неизменной.
Схема 2 подключения обратного осмосаВ состав системы входит многоступенчатый фильтр предварительной очистки, который связан с мембранным элементом осмоса.
Затем вода перекачивается в накопитель, после чего проходит дополнительный цикл минерализации (устанавливается по желанию). Затем жидкость распределяется при помощи крана, размещенного на мойке.
Гибкие трубки крепятся при помощи пластиковой цанги, которая закрывается транспортировочной заглушкой. Магистраль вставляется в механизм на 15-20 мм (до упора), затем на внешнюю часть натягивается стопорное кольцо механизма.
Методика крепления шлангов унифицирована для всех производителей фильтров. Для разъединения деталей следует надавить на цанговый зажим до упора, одновременно вытягивая трубку из посадочного гнезда.
Изучаем работу фильтра
Осмотический фильтр представляет собой устройство цилиндрической конфигурации, оснащенное пластиковым защитным кожухом.
Мембрана устройства набрана из пакета фильтрующих элементов, свернутых рулоном, которые герметизированы по 3 граням.
К четвертой кромке подсоединяется трубка с перфорированными стенками, обеспечивающая отвод загрязненного раствора в канализационный слив. На внешней поверхности фильтрующего материала располагается сепаратор из мелкоячеистой сетки, который дополнительно усиливает конструкцию.
Поток загрязненной воды, подаваемый помпой, прогоняется через полупроницаемые мембраны. На выходе фильтрующего блока расположен канал для слива отстоя (концентрат) и очищенной воды (пермеат). Поскольку на мембранах оседают примеси, то практикуется периодическое обслуживание устройства с промывкой полостей химическим раствором.
Выбираем место установки
Поскольку оборудование имеет увеличенные размеры, то рекомендуется разместить компоненты под мойкой. Необходимо предусмотреть доступ к фильтрующим блокам для замены картриджей или обслуживания трубок.
Перед тем как установить бытовую установку осмотической системы, необходимо убедиться в совместимости компонентов.
Учитывается необходимое давление в мембранном модуле, температурный диапазон жидкости в магистрали холодного водоснабжения (зависит от климатических условий и изоляции труб), а также необходимое давление на входе в осмос.
Перед стартом монтажных работ производится отключение водоснабжения с последующим сливом воды из магистрали через кран смесителя.
Применение электрического двигателя в блоке осмоса предусматривает расположение розетки напряжением 220 В в зоне установки оборудования. Рекомендуется устанавливать устройство, оснащенное брызгозащищенным корпусом, кабель прокладывается по стене в защитном гофрированном рукаве или укладывается в прорезанный канал.
Место размещения розетки не должно подвергаться заливанию водой, рекомендуется предусмотреть в цепи отдельный автоматический предохранитель и защитное устройство (УЗО), снижающее риск поражения электрическим током.
Устанавливаем питьевой кран
Владелец может использовать имеющееся отверстие, в противном случае канал придется просверлить самому. Для сверления керамики используется специальное сверло. Допускается разместить раздаточный кран осмоса на столешнице кухонного гарнитура (рядом с местом размещения мойки).Металлические или керамические мойки оснащаются стандартным посадочным гнездом для установки смесителя. На части изделий предусматривается дополнительный канал, предназначенный для размещения носика дозатора моющего средства.
Для установки крана рекомендуется использовать плоскую поверхность, что обеспечивает герметизацию стыка резиновыми прокладками. Если при монтаже образуются щели, то через них попадает влага, разрушающая древесностружечную плиту столешницы.
Образовавшиеся зазоры заделываются специальным герметизирующим составом. Затем прокладываются шланги подсоединения, обеспечивающие связь крана с расходным баком. Трубки не должны иметь изгибов и участков с натяжением.
Если на кухне используется раковина без дополнительных отверстий, то требуется выполнить действия:
- Наметить место расположения крана, центр намечается тонким сверлом из твердого сплава. Для снижения вероятности откалывания материала практикуется нанесение малярного скотча или лейкопластыря. На металлических мойках наклеивать дополнительный скотч не требуется.
- Просверлить в металлическом рукомойнике отверстие диаметром 5-6 мм, используя режим пониженных оборотов.
В керамических мойках или столешницах канал сверлится сверлом необходимого диаметра (11-12 мм). - Расточить отверстие в металлической поверхности круглым напильником. На изделиях из других материалов производится удаление защитного материала. Неровности на кромке убираются абразивным инструментом.
- Установить в полученное отверстие основание крана, предусмотрев необходимые уплотнительные кольца (входят в комплект).
- Затянуть крепление, состоящее из гайки и прижимной шайбы. Для выполнения работ требуется ключ с удлиненной головкой.
- Подключить рукав подачи воды, для крепления используется штатная гайка, стык герметизируется резиновой прокладкой.
- Если пользователь планирует применять блок минерализации очищенной воды, то устанавливается дополнительный кран.
Подключаем систему к водопроводу
Врезка в водопроводную магистраль производится при помощи переходной втулки (тройника). Устройство размещается в удобном для владельца помещения месте, перед местом монтажа должен находиться запорный вентиль.
Часть пользователей устанавливает переходник на наконечнике водопроводной трубы (на место соединения магистрали и гибкой подводки, идущей к основному смесителю).
Чтобы подключить систему очистки воды своими руками к магистрали, потребуется выполнить действия:
- Проверить отсутствие давления в системе холодного водоснабжения, а затем ключом отвернуть гайку крепления гибкой подводки.
- Накрутить на трубу переходник, обеспечивая герметичность стыка прокладкой и паклей или тефлоновой лентой, намотанной на резьбу. Затяжка производится гаечным ключом (разводного типа или газовым), прикладывать чрезмерные усилия запрещено.
- Демонтировать из корпуса переходника шаровой кран, оснащенный головкой для подсоединения пластиковой трубки.
- Надеть трубку на штуцер, а затем смонтировать кран на штатном месте.
- Разместить на адаптере гибкую подводку, которая затем фиксируется штатной гайкой.

Врезаемся в канализационную систему
Схема подключения обратного осмоса предусматривает установку трубки слива загрязненного концентрата в канализацию. Место установки штуцера располагается над поверхностью гидравлического затвора, расположенного в сифонном сливе.
Хомут должен быть в комплекте!Над корпусом сифона размещается пластиковый сливной патрубок, отверстие сверлится при помощи сверла диаметром 6-8 мм. Для фиксации штуцера используется специальный дренажный хомут, который удерживается на трубе 2 винтами.
Установка дренажного хомута.Хомут не допускается устанавливать в зоне изгиба пластиковой трубы. В конструкцию узла входят 2 несимметричные секции, конструкция деталей позволяет производить монтаж на трубах диаметром от 32 до 50 мм. По бокам на секциях предусмотрены ушки, в которые устанавливаются винты или болты с 6-гранной головкой (зависит от производителя). Для затягивания элементов используется плоская отвертка или гаечный ключ, прикладывать чрезмерные усилия не допускается.
Под хомут рекомендуется установить резиновую прокладку, которая смазывается клеем или слоем герметизирующего вещества. При монтаже обеспечивается равномерное затягивание крепежных элементов, поскольку перекос приводит к нарушению герметичности стыка.
Дополнительно контролируется соответствие отверстия в хомуте с просверленным каналом. Для повышения точности установки применяется сверло подходящего диаметра, которое вставляется в отверстия.
Ставим вентиль на накопитель
В схеме подключения фильтра с обратным осмосом имеется цилиндрический бак, предназначенный для накопления и хранения очищенной воды. Внутри емкости устанавливается эластичная мембрана и специальный вкладыш из полипропилена.
Нижняя часть резервуара заполнена в заводских условиях газом под давлением до 0,5 атмосфер, стравливать сжатый воздух запрещается.
После завершения установки рекомендуется проверить уровень давления манометром и восстановить значение при помощи компрессора.
Резервуар устанавливается в вертикальном положении на напольном покрытии или на нижней полке кухонного гарнитура под мойкой. Бак поставляется вместе с подставкой, но допускается размещение емкости на специальных кронштейнах на стене помещения или боковой стенке кухонного гарнитура. Часть изделий допускает монтаж под наклоном или в горизонтальном положении, информация приводится в заводской документации.
Если ниша под мойкой недостаточна для размещения накопителя, то устройство выносится в соседний шкаф или ставится на полу. Для прокладки трубопровода выполняются дополнительные отверстия в стенках гарнитура.
Бак поставляется заказчикам без краника, который вкручивается в предусмотренную производителем втулку. Рекомендуется уплотнить резьбу специальной лентой или паклей. Кран вкручивается в посадочное гнездо рукой до упора, применять дополнительный инструмент не следует.
Устанавливаем фильтрационный блок
Следующим этапом установки фильтра обратного осмоса своими руками является монтаж блока фильтров. Производители снабжают оборудование гибкими шлангами, имеющими длину до 1500 мм. Устройство должно размещаться так, чтобы шланги не перекручивались и не находились под натяжением в процессе работы.
Колбы вешаются на стену помещения или мебели, следует предусмотреть зазор, необходимый для снятия картриджей. Для установки блока используется направляющая планка, часть моделей оборудована корпусами с интегрированными монтажными планками.
Поскольку для отворачивания защитной колбы картриджа требуется использовать инструмент, то предусматривается свободная зона вокруг оборудования.
Дополнительно обеспечивается беспрепятственный доступ к шаровому крану, расположенному на блоке. Фильтрационные блоки поставляются собранными, но часть моделей передается заказчику с демонтированными картриджами, которые устанавливаются перед монтажом блока на стене.
Прокладки ставятся без перекосов, контактирующие поверхности предварительно очищаются. Затем на верхнюю часть корпуса устанавливается блок осмоса, который фиксируется пластиковыми зажимами. По аналогичной схеме монтируются дополнительные элементы, штуцеры соединяются трубками.
Водопровод соединяется с фильтрующим блоком, состоящим из 3-5 кассет (зависит от производителя и модели оборудования). Затем коммутируется мембранный блок, выходы соединяются с канализационным сливом и накопительным резервуаром.
От бака шланг выводится к дополнительному фильтру, к которому подсоединяется распределительный кран. Пользователи при подключении осмоса используют дополнительный блок минерализации воды, который подключается к дополнительному крану на мойке.
Поскольку мембранный фильтр поставляется разобранным, то необходимо открыть крышку корпуса при помощи ключа. Кассета вставляется в полость кожуха до упора в ограничительную площадку.
Крышка закручивается в штатное место, а затем устанавливается сливная трубка. Для облегчения процедуры сборки детали смазываются силиконовой смазкой, обеспечивающей дополнительную герметизацию стыков.
Наполняем и промываем фильтры
После того как пользователь закончил устанавливать обратный осмос своими руками, требуется проверить герметичность системы. После открытия всех вентилей осматриваются корпуса фильтрующих элементов и места соединения магистралей. Не допускается образование капель на стыках, при обнаружении течи следует перекрыть воду и обеспечить герметичность разъема.
Если течей не обнаружено, то открывается вентиль блока очистки и кран подачи воды в осмос. Затем подключается питание насоса и открывается вентиль распределительного крана на мойке. Давление в магистрали холодного водоснабжения обеспечивает вытеснение воздуха из полостей фильтров. Через 5-10 минут из гусака начинает течь вода, прошедшая через фильтрующие блоки (подача жидкости в накопитель не производится). Производители оборудования рекомендуют промывать полости картриджей на протяжении 1,5-2 часов.
После промывки вентиль распределительного смесителя перекрывается на 10 минут, пользователь проводит повторный осмотр компонентов системы на предмет течи жидкости. После проведения осмотра открывается кран, включающий в систему накопительный резервуар. Монтажники, занимающиеся установкой фильтрующего оборудования, рекомендуют проводить профилактические осмотры магистралей на протяжении недели после ввода установки в эксплуатацию.
Бак заполняется на протяжении нескольких часов, время зависит от напора воды и емкости резервуара. Производители изделий рекомендуют произвести слив жидкости, что позволяет дополнительно промыть фильтрующие элементы и внутренности резервуара. Сливаемая жидкость может иметь мутный цвет из-за пузырьков воздуха, вытесняемых их картриджей. Помутнение воды при первичном заполнении является нормой и не указывает на неисправность угольных картриджей или блока осмоса. Вода начинает использоваться для питья после второго или третьего заполнения емкости.
Установка дополнительных элементов по схеме
Производители оборудования выпускают дополнительные компоненты, которые приобретаются и монтируются владельцем по желанию:
- Контрольный манометр, позволяющий определять давление в системе холодного водоснабжения. Для установки манометра используется врезка трехходового вентиля.
- Регулятор давления позволяет защитить оборудование от гидравлических ударов, возникающих при перебоях водоснабжения.

- Блок защиты от протечек, обеспечивающий перекрытие воды при обнаружении течи. Устройство оснащается контактами и батарейкой, при замыкании цепи водой подается сигнал к вентилю с силовым приводом. Устройство не защищает помещение от затопления при разрыве участка трубопровода перед запорным краном.
- Дополнительный блок, удаляющий из воды соли азотной кислоты.
- Четырехходовой перепускной клапан, который используется для прекращения подачи воды при заполнении накопительного резервуара.
Насос для повышения давления
Конструкция мембранного фильтра требует подачи воды под давлением, параметров водопроводной сети для продавливания жидкости через фильтрующие элементы недостаточно. Производители устанавливают нижний порог давления воды на уровне 2,8 атмосфер, для повышения напора используется повышающий насос.
Помпа устанавливается на входе или выходе из фильтрующего блока. Для снижения затрат электроэнергии практикуется установка датчика давления с выключателем, который автоматически разрывает цепь питания при росте давления в водопроводной сети.
Помпа оснащается пластиковым корпусом, устройство крепится на стену или резервуар для воды при помощи специальных кронштейнов. Конструкция допускает вертикальную или горизонтальную установку, часть владельцев монтирует дополнительный редукционный клапан, предотвращающий рост давления на входе в нагнетающий узел.
Ультрафиолетовая лампа
Отмечены случаи, когда в корпусе фильтра осмоса начинали размножаться бактерии или водоросли. Проблема возникает в летний период из-за повышения температуры воды, а также при длительных простоях оборудования. Образовавшиеся на стенках наросты ухудшают проходимость фильтра, для очистки устройства используется ультрафиолетовая лампа. В комплекте со светильником поставляется адаптер питания, снижающий напряжение в цепи и преобразующий переменный ток в постоянный.
Узел располагается на входе в корпус осмоса или в магистрали на участке между фильтром и накопительным баком, герметичный корпус не допускает короткого замыкания при попадании влаги. По мысли создателей ультрафиолетовое излучение обрабатывает воду через прозрачные стенки трубки. Если внутри осмоса образовался налет водорослей и грязи, то рекомендуется разобрать устройство и промыть детали дезинфицирующим раствором.
Минерализатор для воды
Прошедшая через систему фильтров вода приобретает характерный кисловатый вкус, поскольку в жидкости отсутствуют растворы минеральных солей. Для восстановления характеристик используется минерализатор, насыщающий воду солями кальция, магния или цинка. Производители выпускают разные модели картриджей, обеспечивающие различную степень минерализации жидкости.
Часть воды подается из осмоса и не насыщается солями, а часть проходит через дополнительный блок. Подобная схема позволяет увеличить срок службы узла, поскольку вода вымывает запас солей, заложенный во внутренние полости корпуса.
Советы по эксплуатации и интересное видео
Для устранения застоя воды и появления неприятного запаха от очищенной жидкости рекомендуется ежедневно сливать из магистралей 0,5-1,0 воды. Производители рекомендуют производить замену картриджей фильтров предварительной очистки через 0,5 года эксплуатации. Угольный элемент финишной очистки рассчитан на срок службы до 1 года, а картридж осмоса сохраняет работоспособность на протяжении 2,5 лет.
Для проверки состояния фильтрующих элементов используются тестовые полоски, определяющие уровень содержания солей в воде.
При промывке угольного картриджа, производящейся струей холодной воды, рекомендуется снимать для очистки остальные элементы.
Использовать для удаления загрязнений горячую воду не рекомендуется. Забитый грязью угольный элемент приводит к ускоренному засорению мембранного осмоса. Засорение канализации ухудшает отвод концентрата, который забивает устройство, выводя его из строя.
При обнаружении на стенках чайника накипи (при использовании очищенной воды) требуется проверить состояние картриджей и корректность подключения оборудования. Дефект наблюдается при ошибочной коммутации осмоса, когда в канализацию сливается очищенная вода, а концентрат подается в распределительный кран на мойке.
ПолезноБесполезноДля снижения риска ошибки рекомендуется промаркировать трубки при монтаже оборудования (маркером или разноцветными этикетками).
Обратный осмос своими руками: установка, сборка, правила эксплуатации
Водопроводная вода практически повсеместно для питья непригодна и требует предварительной подготовки.
Кипячение и отстаивание – методы простые, но не слишком эффективные.
Бытовые фильтры справляются с этой задачей намного лучше, но самую высокую степень очистки дает установка обратного осмоса. Метод дорогой, но полностью оправдывающий вложения.
Очистка воды методом обратного осмоса является пока самой совершенной. Принцип его работы подобен обмену веществ живого организма. С помощью него удается избавить воду практически от всех примесей, вирусов, бактерий, нитратов и т.д.
Устанавливать обратный осмос своими руками легко, он собирается, как конструктор, а проведение работ не требует особых инструментов — достаточно минимального набора любителя.
Содержание статьи:
Принцип работы и назначение системы
Обратным осмосом называют процесс, в котором поток воды разделяется на две неравные части с различной плотностью. Одна часть представляет собой чистую воду, а вторая – воду с большим количеством загрязнений.
Для такого разделения используется специальная мембрана с очень мелкими отверстиями. Их размер составляет 0,0001 микрон.
Вода, проходя через картриджи предварительной очистки, освобождается от взвешенных частиц, остатков хлора, органических соединений.
Галерея изображений
Фото из
Основной компонент системы, выполняющей сверхтонкую очистку и подготовку питьевой воды, — мембранный фильтр. В комплектации на фото представлен нижним горизонтально уложенным модулем
Мембранный фильтр представляет собой многослойное полимерное полотно с размером пор 0,0001 мк
Через мембранный фильтр вода проходит под давлением, «расставаясь» со всеми видами примесей и органики, в том числе с бактериями и вирусами
Мембранный фильтр устанавливается в пластиковый корпус, с одной стороны подключаемый в водопроводному шлангу, со второй — к шлангу, выведенному в канализацию. Вода, прошедшая через мембрану подается потребителю, все, что не прошло, сливается
Основа системы обратного осмоса — мембранный фильтр
Строение мембранного фильтра
Фильтр обратного осмоса задерживает вредные примеси
Составляющие модуля мембранного фильтра
Попадая в обратноосмотическую мембрану, вода проходит через ее полупроницаемые слои и разделяется дальше на два потока.
Один из них, концентрат, сбрасывается в канализацию, а второй, пермеат, попадает в накопительный резервуар, который компенсирует неспособность мембраны обеспечить в проточном режиме достаточную для пользователя продуктивность.
Через поры мембраны могут проникать только частицы, размер которых соответствует размеру молекулы воды или меньше.
Крупные частички через мембранный барьер не проникнут, но они способны засорить эти мелкие поры, поэтому перед тем, как подвергать воду процедуре обратного осмоса, ее необходимо подготовить.
Поры мембраны в 200 раз меньше за вирусы и в 4 тыс. раз меньше чем бактерии. Она пропускает через себя только молекулы воды и кислорода
Для механического удаления загрязнений используют два фильтра с отверстиями соответственно в пять и в один микрон. Между этими двумя фильтрами устанавливают еще один – с угольным наполнителем. Он задерживает молекулы различных химических веществ, растворенных в воде: железа, соединений хлора, тяжелых металлов и т.п.
Молекулы некоторых веществ по размеру меньше, чем молекулы воды. Если предварительная очистка отсутствует, они могут проникнуть сквозь мембрану и загрязнить воду.
Продукты, полученные в результате обратного осмоса, называют пермеат и концентрат. Последний – это та часть воды, в которой сконцентрированы загрязнения. Эта часть составляет обычно около 60-65% воды, она утилизируется в канализацию.
Обратный осмос используется для очистки воды на молекулярном уровне.
Пермеат – это очень чистая воды, степень очистки достигает 98%. Вместе с вредными загрязнениями мембрана и фильтры отсекают также многие полезные вещества, которые придают природной питьевой воде уникальный привкус и свойства. Чтобы устранить этот небольшой недостаток, пермеат пропускают через еще один фильтр.
Для обогащения воды полезными минералами, используют минерализатор. Биокерамический фильтр с турмалином позволяет приблизить структуру пермеата к естественному состоянию. Существуют также постфильтры со способностью подвергать воду ультрафиолетовому излучению.
Самый простой постфильтр содержит активированный уголь и кокосовую скорлупу. С его помощью пермеат подвергают дополнительной очистке и придают ему приятный природный вкус. При желании, от таких модулей можно отказаться, но тогда вода, полученная из системы обратного осмоса, будет не такой вкусной и полезной.
На этой схеме подробно отражен порядок подключения и функционирования системы обратного осмоса и обозначены все ее основные элементы
В базовой комплектацию входят необходимые элементы, которые могут обеспечить эффективную .
Если же загрязненность воды превышает норму или система водоснабжения не способна обеспечить нормальную работу устройства, то его усовершенствуют с помощью дополнительного оборудования.
Галерея изображений
Фото из
Работающая установка обратного осмоса
Составные элементы установки тонкой очистки
Повышающий давление насос
Установка системы своими руками
Интересные факты, плюсы и минусы мембранной очистки представлены в .
Составные элементы типового комплекта
Обычно системы обратного осмоса поставляются в виде комплекта, в котором уже есть все необходимое, даже крепежные элементы.
Список оборудования может варьироваться в зависимости от модели и включать следующие элементы:
- мембрана обратного осмоса;
- блок с колбами предварительной очистки, в которых установлены три фильтра: два механических и один угольный;
- постфильтр;
- минерализатор;
- кран для питьевой воды;
- ключ для замены фильтров;
- ключ для корпуса мембраны;
- набор тройников-коннекторов;
- крепежная панель для крана;
- набор гибких шлангов и т.п.
Перед покупкой нужно определиться с такими вопросами, как производительность мембраны и наличие дополнительных модулей.
Например, можно одновременно установить и постфильтр, и минерализатор, и биокерамический картридж или ограничиться только постфильтром.
Галерея изображений
Фото из
Установка с функцией обратного осмоса является многоступенчатой системой подготовки воды, очищающей ее на молекулярном уровне
В стандартном наборе системы три фильтра предочистки, мембранный фильтр и модуль для выравнивания вкуса и запаха очищенной воды
Модули с фильтрующим элементом располагаются в четком порядке. Сначала вода проходит грубую очистку и избавляется от частиц размером 5 мк. Затем через угольный фильтр и фильтр тонкой очистки, удерживающий частицы 2 мк
По окончании предочистки вода поступает в мембранный фильтр, удерживающий минеральные и органические включения размером до 0,0001 мк. Здесь же отфильтровываются микробы и вирусы
Вода, прошедшая через мембранный фильтр, поступает в угольный очиститель, выравнивающий запах и вкус, или в накопительный бак, а затем к потребителю
По желанию владельцев в систему может быть включен минерализатор, обогащающий состав воды полезными минеральными компонентами
В регионах с характерно жесткой водопроводной водой фильтров предподготовки обязательно должно быть не менее трех
Там, где водопровод поставляет мягкую воду или водоканал проводит усиленную очистку, количество фильтров предподготовки может быть сокращено
Система сверхтонкой очистки воды
Стандартный набор фильтров
Обязательное расположение модулей
Мембрана обратного осмоса
Угольный фильтр подготовки воды
Минерализатор — необязательная составляющая
Комплектация для областей с жесткой водой
Система для областей с мягкой водой
Выбирая систему обратного осмоса, следует обратить внимание на размеры ее элементов. Чаще всего имеют стандартные размеры. Это позволяет при замене мембраны или фильтров выбирать подходящие варианты производства разных фирм.
Но если размеры модели уникальны, возможно, придется устанавливать только особые фирменные картриджи, а это не всегда выгодно и удобно.
Монтаж системы обратного осмоса
Разнообразие обратноосмотических систем очень большое. Поэтому далее установка фильтра будет рассмотрена на примере самого распространенного — с пятиступенчатой очисткой и накопительным баком.
Галерея изображений
Фото из
Подготовка к установке обратного осмоса
Подключение фильтрующих модулей
Подсоединение шланга к комплексу фильтров
Узел подключения к водопроводу
Использование в схеме шарового крана
Подсоединение системы к водопроводу
Узел подключения к канализации
Установка хомута для присоединения шланга
Шаг #1 — изучаем функционирование фильтра
Перед установкой не помешает точно понять, каким именно образом жидкость движется по системе. Сначала нужно сделать врезку в водопроводную трубу, чтобы подключить к ней шланг, соединяющий водопровод с фильтрами предварительной подготовки. Вода проходит эти фильтры, оставляя в их картриджах частички механических и химических загрязнений.
Затем подготовленный поток перемещается к мембране и проходит через ее корпус. От мембранного блока отходит два шланга. Один из них предназначен для концентрата и соединен с канализационной системой.
С помощью этого шланга загрязнения утилизируются. По второму шлангу пермеат, т.е. очищенная вода, поступает к расширительному баку. Здесь вода накапливается и хранится. Обойтись без такой емкости и обеспечить нормальное функционирование системы обратного осмоса практически невозможно.
Дело в том, что средняя производительность бытовой мембраны обычно составляет около семи литров в час. Для бытовых нужд такого медленного потока в какой-то момент может и не хватить.
Накопительный бак полностью решает проблему. В нем хранится достаточное количество чистой воды, которое постоянно пополняется по мере убывания жидкости. После расширительного бака воду можно подавать непосредственно на кран для питьевой воды, но так делают редко.
Элементы системы обратного осмоса достаточно компактны по размеру, поэтому их не сложно установить в пространстве под кухонной мойкой
Если уж принято решение обеспечить дом качественной водой, имеет смысл доплатить за качественный постфильтр, минерализатор или другое подобное устройство. Некоторые предпочитают использовать сразу несколько таких блоков.
В этом случае нужно с двумя вентилями. Его подключают таким образом, чтобы через один вентиль поступала только очищенная вода, а через другой – обогащенная минералами.
Это делается для того, чтобы не использовать минерализованную или структурированную воду для приготовления пищи, поскольку при кипячении этот эффект просто исчезнет. Таким образом, применение крана с двумя вентилями позволяет увеличить срок службы минерализатора.
Шаг #2 — выбираем оптимальное место установки
Сразу же следует выбрать место установки собственно системы обратного осмоса и питьевого крана для воды. Чаще всего этот элемент ставят на кухонную мойку, для чего в ее корпусе просверливают небольшое отверстие.
При желании место размещения крана питьевой воды можно изменить. Но тогда обязательно следует предусмотреть доступ к канализации, чтобы случайно перелившаяся за край емкости вода не разлилась по всей кухне.
В просторной кухне можно поставить еще одну небольшую мойку специально для питьевой воды, но такая необходимость возникает крайне редко. Удобнее всего устанавливать элементы системы недалеко от питьевого крана и друг от друга. Чем короче шланги, по которым перемещается вода, тем эффективнее работает система.
Традиционно систему устанавливают там же, где и . Размеры накопительного бака и блока с фильтрами вполне позволяют это сделать. Прежде чем начать работу, проверяют систему на соответствие входящим параметрам.
Наличие всех элементов системы проверяют, не раскрывая упаковок. В противном случае производитель не примет претензии к некомплектности
Необходимо сверить:
- давление в мембранном баке;
- температуру входящей воды;
- давление на входе в систему обратного осмоса.
Показатели могут быть разными, их указывает каждый производитель в инструкции по эксплуатации отдельно для каждой модели. Устанавливают систему подальше от нагревательных приборов, в месте, закрытом от солнечных лучей.
Сначала перекрывают ток холодной воды, а если смеситель имеет только одну ручку, то отключают также и горячую. Затем открывают кран, чтобы сбросить давление, после чего закрывают его.
Перед тем как монтировать соединительные трубки, мембрану, а также картриджи обратного осмоса необходимо продезинфицировать свои руки.
Шаг #3 — устанавливаем питьевой кран
Если на раковине уже имеется дополнительное отверстие, например, для дозатора жидкого моющего средства, его вполне можно использовать под питьевой кран системы обратного осмоса. Если же такого отверстия не имеется, его придется проделать самостоятельно.
Особую осторожность следует проявить при работе по эмалированной поверхности, чтобы не повредить защитный слой.
Установку проводят на краю мойки или на участке столешницы около раковины. Для монтажа подойдет ровная горизонтальная поверхность диаметром около 4 см. Перед установкой необходимо убедиться, что пространство под мойкой позволяет закрепить кран и подвести трубки без перегибов.
Чтобы провести работу аккуратно, на все поверхности, на которые будет падать стружка при сверлении, застилают ткань или газету. После окончания монтажа стружку можно будет быстро собрать
В некоторых раковинах предусмотрены отверстия для установки дополнительного крана.
Если его нет, то выполняют такие действия:
- Подготовка отверстия. Сверлом с диаметром 6 мм сверлят на небольшой скорости отверстие в мойке или в столешнице. Чтобы не повредить поверхность и не допустить сколов, можно наклеить на нее пластырь. Для керамических или каменных поверхностей используют твердосплавное сверло.
- Расширение отверстия. Далее, берут сверло диаметром 11—12,5 мм, увеличивают отверстие и снимают пластырь. Если края получились рваные, их зачищают надфилем или напильником.
- Чистка поверхности. Убирают стружку, особенно тщательно удаляют металлическую, пока она не оставила ржавых пятен на поверхности мойки.
- Герметизация. Перед тем как установить кран в отверстие на его нижнюю часть надевают декоративную накладку и резиновую шайбу для герметизации соединений.
- Сборка. Нижнее основание крана вставляют в отверстие, снизу одевают на него резиновую, пластиковую, а затем металлическую шайбу. Полученную конструкцию затягивают гайкой с помощью гаечного или трубчатого ключа на 14.
На нижнее основание навинчивают фитинг, внутри которого должна быть резиновая прокладка.
Подсоединение стандартного крана проводят согласно схеме производителя. Подобным образом подключают двойной кран, использующийся для системы очистки с минерализатором
Шаг #4 — подключаем к водопроводу
Сначала, конечно же, необходимо перекрыть подачу холодной воды. Подсоединение к водопроводу происходит с помощью переходника-адаптера. Самое удобное место для его установки — соединение водопроводной трубы и гибкой подводки кухонного крана.
Под этот участок подставляют тазик для слива остатков воды и проводят установку:
- Отсоединяют гибкую подводку смесителя от трубы с водой, проверяют наличие резинового уплотнения в адаптере и навинчивают не него с двух сторон подводку, затягивая гаечным ключом.
- Откручивают с адаптера гайку шарового вентиля, чтобы надеть ее на пластиковую трубку.
- Трубку натягивают на шаровой вентиль. Закручивают гайку рукой, не прикладывая больших усилий.
Для улучшения герметичности на наружную резьбу переходника и водопроводной трубы наматывают тефлоновую ленту.
При подключении системы обратного осмоса к водопроводу используют специальный тройник. Все резьбовые соединения уплотняют льняной нитью или ФУМ-лентой
Шаг #5 — врезаемся в канализационную систему
Чтобы сливать загрязненную воду, которая остается после прохождения через обратноосмотическую мембрану, проводят подключение к канализации с помощью дренажного хомута.
Место врезки должно находиться на уровне выше гидрозатвора, т.е. сифона. На вертикальном или горизонтальном участке сливной трубы, выше сифона, делают отверстие сверлом диаметром 7-8 мм.
Нельзя устанавливать сливной хомут на закругленных, неровных участках. Добиться герметичности стыков в таких местах будет невозможно
Перед тем как установить хомут, на его скобу с отверстием клеят резиновую прокладку. Затем закрепляют хомут, равномерно закручивают винты и добиваются, чтобы скобы с противоположных сторон сидели параллельно и были плотно прижаты, а отверстия в сливной трубе и хомуте совпадали.
В фитинг дренажного хомута вставляют черную трубку, смазанную силиконовой смазкой и с предварительно одетой гайкой, которую плотно, но не сильно закручивают.
Хомут поставляется в комплекте фильтра и подходит для большинства пластиковых труб (диаметром 32—50 мм), которые используются для устройства канализации
Шаг #6 — ставим вентиль на накопитель
Накопитель служит для создания запасов воды и поддержания стабильного напора. Так как очистка методом обратного осмоса происходит медленно, резервная емкость помогает быстрее получить необходимое количество воды, которая была очищена заранее.
Обычно накопитель устанавливают вертикально на специальной подставке. Но если возникнет такая необходимость, его можно поставить горизонтально или закрепить на кронштейнах.
Если пространства под мойкой недостаточно, накопительный бак ставят где-нибудь рядом, например, в соседнем кухонном шкафу. Для шлангов придется проделать небольшие отверстия в стенах кухонной мебели.
Накопительный бак системы обратного осмоса чаще всего устанавливают вертикально на специальной подставке. Во время установки следует проверить рабочее давление воздуха в баке и отрегулировать его в соответствии с нормативными показателями
Сам бак перед установкой необходимо подготовить – к резьбовому соединению нужно прикрепить пластиковый кран. На резьбу накопительного бака накручивают ФУМ ленту в два-три слоя.
Затем, не используя инструментов, накручивают на нее кран до упора. В фитинг крана вставляют пластиковую трубку. Другой ее конец подключают к угольному постфильтру (последняя ступень очистки).
В новом не заполненном водой баке установлено внутреннее давление на уровне 0,34—0,48 атм., поэтому нельзя открывать клапан в нижней части, чтобы не выпустить газ, который его создает
Еще один важный момент – давление в баке. Давление измеряют манометром и при необходимости в бак подкачивают воздух.
Шаг #7 — монтируем фильтрационный блок
При выборе места под раковиной для фильтрационной установки учитывают, что трубки, которые поставляются в комплекте, обычно имеют длину 1,5 м, и они должны располагаться свободно, без натяжения и перегибов.
При необходимости фильтры можно подвесить на внутреннюю стенку шкафчика. Нужно также обеспечить свободный доступ к шаровому вентилю. Колбы фильтров предварительной очистки закреплены на специальной планке, которую можно повесить на стенке кухонного шкафа под мойкой.
Место должно быть легкодоступным, чтобы было удобно заменять использованные картриджи. Чтобы открыть колбы, следует использовать специальный ключ.
Первым делом устанавливают картриджи префильтров согласно инструкции. Нельзя путать их расположение, иначе можно привести в неисправность устройство.
Колбы с фильтрами предварительной очистки закреплены на специальной подставке, которую вешают на стену. При этом важно обеспечить свободный доступ к этим элементам, чтобы выполнять замену картриджей
Чтобы установить картридж снимают защитную пленку и помещают его в корпус, который устанавливают обратно на место. Следят, чтобы уплотнительная резинка была без перекосов. После того, как фильтры установлены, сверху на специальных держателях устанавливают корпус, в котором находится мембрана обратного осмоса.
Над мембраной закрепляют постфильтр и минерализатор или другие модули. После этого все элементы системы соединяют шлангами, которые закрепляют специальными фиксаторами.
Отверстия для шлангов в системе обратного осмоса защищены транспортными заглушками. Эти заглушки нужно удалить только перед подключением шлангов
Порядок соединения обычно полностью описан в инструкции. Нужно соединить водопровод с предфильтрами. Вывести воду от фильтров на мембрану, а затем от мембраны провести два шланга: к канализации и к накопительному баку. От крана накопителя выводят шланг к постфильтру, а затем – к крану питьевой воды. Еще один шланг проводят через минерализатор.
Установка мембраны в корпус происходит следующим образом:
- отсоединяют трубку от фитинга корпуса;
- с помощью ключа отвинчивают крышку;
- вставляют мембрану в корпус и вдавливают ее до упора;
- закрывают крышку и вставляют на место трубку.
Трубки для соединения фильтрационных элементов смазывают силиконовой смазкой или вазелином и подключают в таком порядке:
- Трубку подачи воды подключают к входному отверстию первого фильтра.
- Накопительную емкость соединяют с входом в фильтр, выполняющим пятую ступень очистки.
- Выход пятой ступени подсоединяют к крану очищенной воды.
- Второй конец трубки, который подключен к канализационной трубе присоединяют к выходу ограничителя потока.
После проверки правильности подключения всех трубок можно считать оборудование готовым к работе. Остается только наполнить его водой и осуществить промывку.
Чтобы провести подключение трубки отрезают отрезок нужной длины под прямым углом, вставляют до упора в конвектор. Прижимая с усилием, утапливают еще на 5—6 мм, в целом заглубляя ее приблизительно на 17 мм. Проверить сцепление можно, слегка потянув трубки в разные стороны. Чтобы разобрать соединения, прижимают пальцем цангу до упора и тянут трубку на себя
Шаг #8 — наполняем и промываем фильтр
Перед первым наполнением фильтра перекрывают вентиль на баке и запорную арматуру трубопровода.
Далее действуют следующим образом:
- Открывают кран для питьевой воды;
- Откручивают общий вентиль водоочистной системы;
- Открывают шаровой вентиль, подающий воду в фильтр обратного осмоса.
Первые 5—10 минут воду ожидать не стоит — из системы будет выходить воздух. Когда вода начнет вытекать, ее напор будет небольшим, ведь в этот момент перекрыт кран емкости. Открывать его пока не нужно, необходимо подождать, чтобы вода в течение двух часов промыла фильтрующее устройство.
Слив определенное количества воды, кран перекрывают и оставляют устройство в покое еще на 10 минут, в это время проверяют установку на наличие протечек. Если обнаружена утечка, подтягивают подтекающие соединения. Убедившись, что система работает нормально, открывают вентиль бака.
После установки фильтрационного устройства необходимо в течение недели проверять его на наличие возможных протечек и неисправностей
Наполнение бака может длиться в течение нескольких часов, скорость зависит от напора воды. Затем еще раз промывают систему — пить воду, после первого наполнения резервуара, категорически не рекомендуется.
Только после второго наполнения емкости можно начинать использовать очищенную воду.
Первая очищенная вода может иметь молочный цвет — это нормально — проходит вытеснение воздуха и его пузырьки создают такой эффект
Накопленную в баке первичную воду следует полностью слить в канализацию. После этого воду снова открывают для очистки. Когда бак наполнится, можно приступать к использованию системы в обычном режиме.
Советы по эксплуатации
Если после запуска системы питьевая вода имеет молочный оттенок и содержит мелкие пузырьки воздуха, не стоит волноваться. Это влияние растворенного в воде воздуха, оно не опасно. Такой эффект исчезнет спустя несколько дней или недель.
Слишком быстрое загрязнение фильтров предварительной очистки, а также наличие слизи на картриджах может быть симптомом пониженного давления в водопроводной сети. Проблему обычно решают с помощью помпы.
Иногда промывка угольного фильтра может вызвать загрязнение третьего фильтра сразу же после установки. Чтобы этого не произошло, третий фильтр лучше установить после того, как будет промыт угольный картридж. Но не стоит пытаться промыть угольный фильтр под струей проточной воды, так его можно испортить.
Не стоит пренебрегать промывкой угольного картриджа, поскольку это может привести к быстрому засорению мембраны. Такой же эффект может производить слишком высокое давление в водопроводной системе, слишком редкая замена фильтров предварительной очистки или использование некачественных картриджей, засорение канализации.
Если при кипячении воды в чайнике образуется накипь, следует проверить порядок подключения. Возможно, к питьевому крану подключен шланг, по которому поступает концентрам, а очищенная вода уходит в канализацию.
Если очищенная вода приобрела не характерный запах и вкус, необходимо как можно скорее проверить фильтры предварительной очистки. Возможно, их ресурс исчерпан, нужна замена. Также это явление может свидетельствовать о наличии бактериального загрязнения.
Картридж мембраны системы обратного осмоса находится в пластиковом корпусе. Его необходимо заменять каждые 3-5 лет в зависимости от содержания солей в очищенной воде
Картриджи предварительной очистки следует заменять каждые шесть месяцев или чаще. Новую мембрану обычно нужно ставить каждые три-пять лет. Ежегодно следует проверять состояние очищенной воды. Если содержание солей превышает 20 мг/л, мембрану необходимо заменить.
Замена фильтрационных элементов
Чтобы своими руками заменить наполнители картриджей перекрывают вентили отключения водопровода и устройства. Затем открывают кран очищенной воды и сливают остатки жидкости.
Далее, отсоединяют пластиковые трубки и извлекают оборудование из шкафа. Запомнить расположение трубок можно, проведя их маркировку или с помощью фотоаппарата (если трубки цветные).
Откручивают крышки корпусов и извлекают исчерпавшие свой ресурс картриджи, фильтрационную мембрану. Пластиковые колбы и крышки моют средством для мытья посуды.
При установке новых фильтрующих элементов внимательно соблюдают порядок установки, проверяют наличие резиновой прокладки на крышке.
Уплотнительные резиновые кольца перед монтажом вытирают насухо. Собирают и промывают систему также, как и при монтаже нового устройства.
Замену сменных элементов фильтра проводят с такой частотой:
- обратноосмотическая мембрана — каждые 24—30 месяцев;
- угольный постфильтр — один раз в 12 месяцев;
- префильтры — один раз в 6 месяцев.
Периодичность замены во многом зависит и от качества воды. Новые сменные элементы заменяют на те же, сверяясь с их маркировкой.
Использование картриджей, которые исчерпали свой ресурс, может принести еще больший вред здоровью, чем неочищенная вода
Установка дополнительных приспособлений
Работу даже такого серьезного оборудования, как обратноосмотический фильтр, можно сделать более эффективной, установив дополнительные элементы.
Такие, как например:
- Регулятор давления. Оборудование предназначено для защиты элементов водопровода от перепадов давления, превышения допустимых значений на входе в фильтрационную систему и компенсации.
- Система защиты от протечек. Устанавливается перед фильтром и перекрывает воду в случае протечек и попадания на нее воды. Минимизирует риски и ограничивает размер нанесенного ущерба, но не исключает полностью возможность утечек.
- Нитратный префильтр. Используется для эффективного удаления нитратов, место монтажа согласовывается со специалистами.
- Ледогенератор. Подключается через тройник в разрыв соединительной трубки, ведущей к питьевому крану.
Перед установкой фильтра измеряют манометром давление в магистрали. При значениях больших, чем 6,6 атм., устанавливают редуктор, при меньших, чем 2,2 атм., устанавливают насос, который будет создавать больший напор.
Для устройств, которые чаще всего используются чтобы улучшить функциональность обратного осмоса, далее приведено более подробное описание.
Элемент #1 — насос повышения давления
Мембранный фильтр, который является основой обратноосмотической системы, может полноценно функционировать только при определенном напоре воды в или .
Если максимальное давление не превышает 2,8 атм., то для нормальной работы фильтра необходимо дополнительно установить помпу.
Если приходится докупать оборудование, то лучше это делать у одного производителя и руководствоваться разработанными им схемами подключения.
Пример одной из возможных схем. Насос может размещаться в разрыв поводящей трубки перед первым префильтром, а также после второго или третьего
Устанавливают насос только в паре с , который отвечает за его включение при падении давления и выключение при его скачке до максимума.
Датчик монтируют перед накопительным резервуаром, в разрыв трубки. При плохом качестве водопроводной воды перед насосом устанавливают магистральный фильтр грубой очистки.
Закрепляют насос повышения давления на горизонтальной или вертикальной поверхности с помощью специального кронштейна и шурупов
Если существует опасность усиления напора воды в системе до 3—4 атм., то для предотвращения протечек перед насосом нужно установить специальный клапан понижения давления.
Элемент #2 — ультрафиолетовая лампа
Иногда в обратноосмотическом фильтре складываются благоприятные условия для бурного развития микроорганизмов в следствии повышения температуры воды или простоя системы в течение длительного времени.
Это приводит к обрастанию префильтров микроорганизмами, снижению напора и ухудшению производительности оборудования. И тогда для дезинфекции воды используют ультрафиолетовые фильтры.
Устройство состоит из таких частей: нержавеющего корпуса с УФ лампой, находящейся внутри и блока питания, который преобразует напряжение в сети в значения, необходимые для работы лампы и предохраняет ее от скачков напряжения.
Вода, проходя внутри корпуса, просвечивается ультрафиолетовыми лучами и обеззараживается.
УФ лампа может устанавливаться после фильтра или перед ним. При монтаже лампы перед фильтрационным блоком ее часто используют в комплекте с префильтром
Место установки ультрафиолетовой лампы может зависеть от тех целей, которых необходимо добиться:
- на входе в фильтр – для устранения сильных биологических загрязнений водопроводной воды;
- между краном и емкостью – для защиты от попадания в бак микроорганизмов из питьевого крана.
На лампе для удобства монтажа предусмотрены две клипсы, которые помогают закрепить ее на блоке фильтрации или на любой другой поверхности.
Элемент #3 — минерализатор для воды
Вода, прошедшая через мембранный фильтр, на 90—99% очищается и избавляется от любых примесей, в том числе полезных и необходимых организму минеральных элементов. Такая вода кисловата на вкус.
Минерализаторы восполняют недостаток необходимых минералов, корректируют уровень PH. Картриджи-минерализаторы разных торговых марок могут отличаться по своему составу и ресурсу и обогащать воду кальцием, цинком, магнием, другими элементами.
Установку минерализатора проводят после мембранного фильтра и подключают преимущественно к двойному крану. Таким образом, у пользователя появляется возможность выбора между простой очищенной и минерализованной водой
В некоторых моделях фильтров обратного осмоса минерализатор играет также роль фильтра и устанавливается как последняя ступень очистки.
Выводы и полезное видео по теме
Понятное видео о том, как самому установить обратный осмос можно просмотреть здесь:
Этот видеоролик содержит полезную информацию по замене фильтров предварительной очистки:
Чтобы провести установку фильтра обратного осмоса своими руками необходимо не только подготовить инструмент, но и провести анализ воды, изучить параметры водопроводной системы и фильтрационного устройства.
Нужно внимательно изучить инструкцию и точно выполнить рекомендации производителя. Грамотно подобранное оборудование — это 50% успеха. И тогда сам монтаж не составит сложностей. А своевременное обслуживание системы и замена отработанных элементов позволит обеспечить дом качественной питьевой водой.
Поделитесь с читателями вашим опытом по улучшению качества питьевой воды. Пожалуйста, оставляйте комментарии к статье и задавайте интересующие вас вопросы по теме. Форма обратной связи расположена ниже.
Как работает обратный осмос: принцип действия
Среди бытовых систем подготовки питьевой воды к употреблению относительно недавно появился новый вариант, который называют обратным осмосом. Этот набор фильтров и специальной мембраны стоит немало, но способен дать фору практически любому аналогу.
Имеет ли смысл раскошелиться? Чтобы получить ответ на этот вопрос, нужно узнать как работает обратный осмос, а затем соотнести затраты и результат. С нашей помощью процесс ознакомления с передовой очистной системой пойдет гораздо быстрее и эффективней.
Мы собрали и систематизировали для вас всю полезную и достоверную информацию о мембранной установке очистки воды. Для полноты восприятия дополнили текстовый материал схемами, иллюстрациями и видео с рекомендациями будущим покупателям.
Содержание статьи:
Работа установки обратного осмоса
Процесс осмоса основан на свойстве воды выравнивать уровень содержания примесей в растворах разделенных мембраной. Отверстия в этой мембране настолько малы, что проходить через них могут только молекулы воды.
Если в одной из частей такого гипотетического сосуда увеличить концентрацию примесей, вода начнет перетекать туда до тех пор, пока плотность жидкости в обеих частях сосуда не выровняется.
Обратный осмос дает прямо противоположный результат. В этом случае мембрану используют не для выравнивания плотности жидкости, а для того, чтобы с одной ее стороны собрать чистую воду, а с другой – раствор, максимально насыщенный примесями. Именно поэтому такой процесс называют обратным осмосом.
Галерея изображений
Фото из
В системе подготовки питьевой воды по принципу обратного осмоса используется несколько ступеней очистки
Модули очищающей установки располагаются в строго определенном порядке, гарантирующей повышение степени очистки с переходом воды из одной колбы в другую
Из водопровода вода сначала поступает в фильтр грубой очистки, удерживающий загрязнения размером до 5 мк, затем проходит через угольный модуль и снова очищается уже в фильтре тонкой очистки от частиц размером до 1 мк
После предварительной подготовки в трех первых фильтрах вода поступает в модуль с мембраной, проходя через которую вода освобождается от частиц меньше 1 мк, микробов и вирусов
Вода, прошедшая мембранную очистку, поступает в постфильтр, наполненный активированным углем. В нем она получает привычный вкус и запах чистой воды
Кроме угольного постфильтра в систему подготовки воды может быть включен минерализатор, обогащающий подготовленную к питью воду полезными микроэлементами
В процессе сборки системы нельзя менять расположение модулей, обозначенных производителем системы цифрами
В областях, где умягчение и обезжелезивание воды проводится силами местного водоканала, число фильтров предподготовки в системе можно уменьшить
Установка для очистки обратным осмосом
Модули очищающей воду установки
Фильтры грубой и тонкой очистки воды
Мембранный фильтр обратного осмоса
Модуль выравнивания вкуса и запаха
Минерализатор обратного осмоса
Стандартное расположение модулей
Численность блоков предподготовки
Все эти химические особенности мало интересны покупателям, особенно тем, кто не слишком хорошо разбирается в науке. Им достаточно понимать, что центром системы обратного осмоса является специальная мембрана, поры которой настолько малы, что не пропускают ничего, что превышает размеры молекулы воды, а это значительная часть загрязнений, содержащихся в водопроводной воде.
Увы, молекула воды – не самая маленькая на земле, например, молекулы хлора значительно меньше, поэтому они также могут просачиваться через мембрану. Кроме того, контакт с крупными взвесями этой мембране противопоказан. Ее мелкие поры при таком воздействии быстро засорятся, и этот элемент придется сразу же заменить.
На этой схеме наглядно изображены пять ступеней очистки воды с помощью системы обратного осмоса: предварительная очистка через три фильтра, мембрана и доочистка
Чтобы этого не произошло, в систему обратного осмоса включают еще , с помощью которых вода проходит предварительную подготовку. Мембрана разделяет частично очищенную воду на две неравные части. Примерно треть поступившего объема представляет собой чистую воду, которая затем поступает в накопительный бак.
Еще две треть объема воды – это часть, в которой сконцентрированы загрязнения. Такой концентрат сливается в канализацию. Между баком и краном обычно имеется небольшой контейнер. Здесь устанавливают картридж, который предназначен для повышения качества уже очищенной воды, например, для насыщения ее полезными минералами.
Схематически принцип действия обратного осмоса можно описать так:
- Вода поступает из водопроводной системы на фильтры предварительной очистки.
- Затем жидкость проходит процедуру обратного осмоса.
- Очищенная вода поступает в накопительный бак.
- Концентрат, содержащий отфильтрованные загрязнения, перемещается в канализацию.
- Чистая вода из накопительного бака поступает на кран для чистой воды непосредственно или через дополнительные устройства.
Таким образом, система обратного осмоса представляет собой набор устройств, которые обеспечивают возможность получить питьевую воду с высокой степенью очистки. До недавнего времени такие системы использовались, главным образом, в промышленности, на предприятиях общественного питания в оздоровительных учреждениях и т.п.
Эта схема демонстрирует разделение потока воды, очищенной с помощью системы обратного осмоса, на два потока: чистую воду и концентрат, который перемещается в канализацию
Но из-за растущих требований к качеству водопроводной воды в последние годы популярность приобретают системы обратного осмоса, предназначенные для использования в быту. Они различаются по комплектации, производительности, размерам накопительной емкости и т.п. Фильтры и мембрану нужно периодически заменять.
Как определить, что мембрана нуждается в замене? По мере эксплуатации ее поры забиваются, и наступает момент, когда вода просто не проходит в накопительный бак. Такую мембрану придется заменить в любом случае. Но специалисты рекомендуют выполнять замену значительно раньше.
Система обратного осмоса состоит из накопительного бака, комплекта из трех фильтров предварительной очистки, мембраны и постфильтра для доочистки и обогащения воды
Для определения качества воды, очищенной с помощью системы обратного осмоса, используют электронный прибор – TDS-metr. С его помощью определяют уровень содержания солей в воде.
Для водопроводной воды до очистки этот показатель может составлять 150-250 мг/л, а после очистки по технологии обратного осмоса нормой считается солесодержание в пределах 5-20 мг/л. Если количество солей в очищенной воде составляет более 20 мг/л, мембрану рекомендуется заменить.
Желающие подобрать фильтры для воды, применяемые в различных ступенях очистки, много полезной информации найдут .
Отдельные элементы системы
Наиболее дорогостоящим и основным элементом системы обратного осмоса является мембрана. Она представляет собой микропористый материал, скрученный в один или несколько слоев вокруг перфорированного пластикового сердечника. Сверху мембрана закрыта пластиковым защитным чехлом, который закреплен уплотнительными кольцами.
Вода поступает внутрь корпуса мембраны и проходит через пористый наполнитель. При этом молекулы чистой воды проникают через пористый сердечник и далее перемещаются в накопительный бак.
Но загрязнения с некоторым количеством воды не могут преодолеть мембранный барьер. Они выходят из противоположного конца мембранного блока и утилизируются.
На схеме можно увидеть состав мембраны для системы обратного осмоса: многослойный пористый материал, закрепленный в пластиковом корпусе вокруг перфорированного сердечника
Как уже ранее упоминалось, прямой контакт мембраны с обычной водопроводной водой может стать губительным. Дело в том, что ее поры очень мелкие – всего 0,0001 микрон. Мембрану нельзя вынуть, промыть и снова установить, как это делают с некоторыми механическими фильтрами грубой очистки.
Дорогостоящий элемент приходится полностью заменять каждые два-три года. Срок может изменяться в зависимости от условий эксплуатации мембраны: давления в водопроводной системе, количества и характера загрязнений, температуры воды и т.п.
В некоторых случаях мембрана может прослужить пять лет и даже дольше, иногда же замену приходится производить уже после первого года эксплуатации.
Галерея изображений
Фото из
Сверхтонкий мембранный фильтр
Структура очищающей мембраны
Колба для установки мембранного фильтра
Отверстие для вывода шланга в канализацию
Важным фактором при этом является наличие фильтров предварительной очистки: двух механических и одного угольного. Первый механический фильтр отсекает все нерастворимые загрязнения, размер которых превышает 0,5 микрон. Это могут быть песчинки, частички ржавчины и прочая подобная “механика”.
Далее вода проходит сквозь , который удерживает молекулы различных химических веществ: соединений хлора, которые неизменно присутствуют в водопроводной воде, а также тяжелых металлов, проникших из почвы пестицидов, растворенного железа и других включений органического или неорганического происхождения.
Механические и угольный фильтры в системе обратного осмоса требуют замены каждые четыре-шесть месяцев. Необходимые картриджи можно приобрести в виде комплекта
После этого еще один механический одномикронный фильтр завершает предварительную очистку воды. В результате на мембрану поступает вода, не содержащая загрязнений, которые могут повредить или преодолеть его.
Эти фильтры нуждаются в регулярной замене каждые несколько месяцев. Но стоят они на несколько порядков дешевле, чем мембрана, а своевременная замена может значительно продлить срок ее службы.
Для сбора очищенной воды используют накопительный бак. Его емкость может варьироваться в пределах 4-12 литров, это зависит от производительности системы. Для производства таких баков обычно используется сталь высокого качества. Снаружи емкость покрывают слоем прочной эмали. Внутри устанавливают силиконовую прокладку, которая разделяет бак на две части.
С одной стороны прокладки находится собранная чистая вода, с другой – воздух. Количество воздуха в камере можно изменять с помощью ниппеля, расположенного на воздушной стороне бака.
Воздух создает внутри накопительного бака дополнительное давление, которое способствует перемещению воды к крану с необходимым напором. Разумеется, на баке имеется выход для подключения шланга, по которому питьевая вода перемещается к крану.
Обычно этот кран устанавливают на мойке. Если даже подача воды через водопровод будет по каким-то причинам прекращена, в баке останется некоторое ее количество, что сделает проблему менее острой. В этой ситуации для полного опорожнения накопительного бака имеет смысл повысить давление, закачав воздух через ниппельное соединение.
Степень очистки воды с помощью системы обратного осмоса приближает ее к дистиллированной. При этом мембрана пропускает молекулы растворенного в воде кислорода, что повышает ее качество.
Для улучшения вкуса воду можно пропустить через минерализатор или другие модули. Но она пригодна для питья и непосредственно после прохождения мембранной очистки. Нет необходимости кипятить ее для питья.
В качестве дополнительного модуля, улучшающего качество питьевой воды, системы обратного осмоса могут быть дополнены минерализатором или биокерамическим картриджем. Минерализатор используют для обогащения воды такими полезными веществами, как кальций, натрий, магний и т.п.
Все эти минералы оказывают положительное воздействие на нервную и сердечно-сосудистую системы человека, предотвращают возникновение множества опасных заболеваний, стимулируют нормальный уровень кислотности крови и т.п.
Минерализатор в системах обратного осмоса используется для того, чтобы обогатить очищенную воду минеральными веществами и сделать ее более полезной для здоровья
Биокерамический картридж действует иначе. В составе его “начинки” имеются шарики, состоящие из запеченной глины и кусочков турмалина. Этот минерал способен оказывать исключительно полезное для воды воздействие. Он способствует изменению структуры воды, что в конечном итоге благотворно отражается на эндокринной системе и укреплении иммунитета.
Со временем ресурс таких дополнительных модулей исчерпывается, они требуют периодической замены. Поэтому здесь удобнее использовать кран с двумя вентилями.
На один вентиль подают воду непосредственно из накопителя, а на второй – прошедшую через минерализатор. Обогащенную полезными веществами воду используют только для питья, а готовят на воде без минералов.
О правилах выбора системы очистки воды для автономного водопровода частного дома ознакомит одна из нашего сайта.
Преимущества и недостатки обратного осмоса
Высокая степень очистки и гарантированное качество питьевой воды – главное достоинство систем обратного осмоса. По оценкам, в очищенной этим способом воде содержание посторонних веществ в десять раз ниже, чем минимально допустимая норма. Особенности конструкции мембраны исключают случайное попадание загрязнений в поток очищенной воды.
Эта схема подробно демонстрирует устройство и принцип работы мембраны обратного осмоса, которая позволяет получить очищенную воду – пермиат – и удалить загрязненную часть – концентрат
Такую воду можно смело употреблять для питья и приготовления пищи, ее можно давать детям и домашним питомцам. Для здоровья вода, полученная по технологии обратного осмоса, значительно полезнее, чем кипяченая водопроводная вода. Аквариумисты используют такую воду для дополнения объема аквариумов без отстаивания.
Несмотря на более сложную конструкцию по сравнению с обычными бытовыми фильтрами, выполняется без особых проблем. Все необходимое для монтажа обычно поставляется в комплекте. Почти все элементы или их модификации можно приобрести отдельно.
Система занимает не слишком много места, чаще всего бак и набор фильтров с мембраной закрепляют прямо под мойкой. А компактный кран для питьевой воды, установленный на мойке, обычно прекрасно вписывается в интерьер.
Размеры компонентов системы обратного осмоса невелики, обычно их можно без труда установить под мойкой. В комплект входит набор узких шлангов для соединения отдельных элементов системы
Основной недостаток систем обратного осмоса – высокая изначальная стоимость комплекта. Дальнейшее обслуживание системы также потребует затрат на замену картриджей фильтров, но они стоят значительно меньше.
Каждые несколько лет придется заменять мембрану, цена которой может составлять около 50 долл. Но расчеты показывают, что в результате затраты на чистую воду обойдутся семье все же дешевле, чем приобретение питьевой воды у сторонних поставщиков.
Эффективность мембраны в системе обратного осмоса постепенно уменьшается, ее необходимо заменять каждые несколько лет. Этот срок варьируется в зависимости от условий эксплуатации
Еще одна особенность системы обратного осмоса, которую с натяжкой можно счесть недостатком, это низкая производительность. Очищенная вода просачивается через мембрану очень медленно, стандартная производительность мембраны составляет около 150-300 литров в сутки.
При этом больше половины воды, поступившей из водопровода, уходит в канализацию, что в некоторой степени отражается на размере коммунальных платежей.
Но если объем накопительного бака подобран правильно, то проблемы могут ненадолго возникнуть только при запуске системы непосредственно после установки или после ее длительного простоя с опустошенным накопительным баком.
Галерея изображений
Фото из
Заменяемость фильтров обратного осмоса
Смена картриджа для грубой очистки
Модули-колбы для установки картриджей
Утилизация отработанных картриджей
Рекомендуем статью по теме: Обратный осмос: вред и польза мембранной очистки водопроводной воды.
Как выбрать подходящую модель?
Размеры элементов систем обратного осмоса обычно соответствуют определенному стандарту, но не всегда. Использование системы со стандартными параметрами дает более широкий выбор заменяемых элементов. Практика показывает, что изделия отечественного производства, которые дешевле зарубежных аналогов, по качеству мало чем отличаются от последних.
Картриджи предварительных фильтров системы обратного осмоса, а также мембрана и постфильтр требуют периодической замены. Ее не сложно выполнить самостоятельно в соответствии с инструкцией изготовителя
Разумеется, покупку лучше совершать непосредственно у изготовителя, у верифицированного дилера или в надежном магазине. Хорошие системы обратного осмоса имеют технический паспорт, официальную гарантию, подробную инструкцию по установке и эксплуатации, а также сертификаты качества.
Размеры накопительного бака зависят от потребностей семьи, а также от размеров пространства, в котором будет установлен прибор. Емкость максимальных размеров будет уместна для дома, в котором проживает большая семья, наиболее востребованными считаются баки объемом около 8-10 литров.
Важный показатель – рабочее . Оптимальным считается показатель в 2,8 бар. Если давление слишком низкое, имеет смысл купить систему обратного осмоса со встроенной помпой, которая обеспечит достаточный напор питьевой воды. Если же давление в водопроводе значительно выше, понадобится установить редуктор понижения давления.
Если отдельные элементы системы обратного осмоса имеют стандартные размеры, проще будет найти подходящие картриджи для замены. Этот момент следует уточнить перед покупкой
Самого пристального внимания требует мембрана системы обратного осмоса. Этот элемент должен быть неизменно высокого качества и с подходящей производительностью. Для небольшой семьи оптимальным считается показатель около 7 литров в час.
Не имеет смысла переплачивать за более производительную мембрану, если в ней нет необходимости. Для сравнения: устройство с производительностью 15 литров в час без труда удовлетворяет потребности в чистой воде небольшого предприятия общественного питания.
Стандартным считается набор, включающий пять основных ступеней очистки: три предварительных фильтра, мембрана и постфильтр. Наполнение этого последнего элемента может варьироваться.
Ранее уже упоминался минерализатор и биокерамический картридж. Популярным решением также считается установка картриджа, содержащего скорлупу кокосового ореха, активированный уголь и ионов серебра.
Эти вещества обеззараживают воду, дополнительно ее очищают и придают ей приятный вкус. Еще одним интересным вариантом постобработки воды является ультрафиолетовый обеззараживатель. Некоторые модели систем обратного осмоса позволяют использовать одновременно несколько разных картриджей.
Выводы и полезное видео по теме
Видео #1. Общий обзор принципов функционирования систем обратного осмоса можно посмотреть здесь:
Видео #2. В этом видеоролике подробно рассмотрена работа такой системы на примере модели “Гейзер Престиж М”:
Видео #3. Это видео позволяет сравнить особенности работы проточных фильтров и систем обратного осмоса:
Системы обратного осмоса – надежный и удобный способ обеспечить свой дом достаточным количеством чистой питьевой воды. Да, цены на такие устройства остаются высокими, но они с лихвой окупаются, поскольку чистая питьевая вода снижает риск множества заболеваний и повышает качество жизни.
Хотите рассказать о личном опыте в установке и эксплуатации системы обратного осмоса? Есть сведения, которыми желаете поделиться с нами и посетителями сайта, возникли вопросы? Пожалуйста, оставляйте комментарии в блоке, расположенном под текстом статьи.
Обзоры лучших систем обратного осмоса 2020 Ultimate Guide
Если вы ищете фильтры для воды премиум-класса, то этот продукт является лучшим в настоящее время в предложении. Все, что вам нужно сделать, это установить его, а остальная часть процесса фильтрации и очистки — меньшая из ваших забот. Это действительно большая радость — придерживаться этого бренда, и есть много других причин, по которым вы должны выбрать его.
Когда дело доходит до систем очистки воды, вам не только нужен продукт хорошего качества с великолепным дизайном, но он также должен быть достаточно прочным.Эта конструкция, в частности, обладает лучшими характеристиками и огромной возможностью использовать ее с большим удобством и комфортом. Процесс фильтрации разработан с использованием 4 фильтров, и все это заключено в очень привлекательный и прочный корпус.
Когда вы сравниваете другие системы фильтрации, доступные на рынке, несомненно, они имеют разные ценники. В то время как некоторые из них подходят для функций, которые он предоставляет, с другой стороны, некоторые из них намного дороже. Но эта система фильтров хороша тем, что она имеет подходящую цену и выполняет то, что обещает.
Инновации — ключ к созданию чего-то нового и необычного. Создатели этой системы обратного осмоса позаботились о том, чтобы они использовали новейшие технологии, так что мельчайшие частицы или микроорганизмы также удаляются из воды, и в результате не остается щелочной, чистой и здоровой воды.
Каждый раз, когда вы покупаете товар, вы надеетесь, что он будет максимально служить поставленной цели. Наряду с этим вы также надеетесь получить гарантийный продукт, потому что в случае возникновения проблем или проблем производитель позаботится о них.Гарантия на продукт имеет срок действия, и все, что происходит с продуктом в течение этого периода, можно заменить.
Характеристики системы обратного осмоса
Для тех, кто хочет выбрать наиболее идеальную систему обратного осмоса для домашнего или коммерческого использования , есть определенные вещи, которые необходимо учитывать. Такие характеристики, как простота установки, ремонтопригодность, надежность, экономическая эффективность, энергопотребление, дизайн и гарантия, являются наиболее важными характеристиками, которые вы должны учитывать.
Вышеуказанные факторы необходимо учитывать при выборе идеального обратного осмоса для ваших нужд. Очевидно, что некоторые функции будут для вас важнее других. Вам может потребоваться система, которая может работать эффективно без особой потребности в большем потоке воды. В другом случае вам может потребоваться высокая скорость потока, если ваша семья большая и есть больше людей, которым ежедневно необходимо пить из системы.
Но из всех вышеперечисленных функций, возможно, вам придется обратить особое внимание на простоту установки.Хотя у вас может быть опытный профессионал, который установит его для вас, в некоторых случаях это будет добавлено к цене и сделает его более дорогим. Однако, если вам нравится подход «сделай сам», вы обнаружите, что установка большинства установок обратного осмоса не представляет особой сложности; единственная проблема — подключить его к водопроводу. Чтобы упростить установку, многие хорошие системы поставляются с руководствами пользователя, написанными как словами, так и в графическом виде, чтобы помочь всем типам пользователей легко установить систему.
Еще одна примечательная особенность из приведенного выше списка — это тип фильтра, подключенного к системе обратного осмоса.Требует ли система частой замены фильтра или фильтр обеспечивает достаточное количество использований, прежде чем будет рассматриваться вопрос о замене? Фильтр также не должен быть слишком сложным для замены. В большинстве высококачественных систем очень легко заменить фильтры даже без помощи профессионала. Обычно это простой и быстрый процесс.
Гарантия — это еще одна особенность, которую следует учитывать при поиске наиболее идеальной системы обратного осмоса. Перед покупкой внимательно проверьте гарантию на товар.Некоторые системы предлагают полную гарантию на детали, в то время как другие предлагают только ограниченную гарантию. Если вы столкнетесь с продуктом с ограниченной гарантией, важно внимательно изучить детали ограничений, чтобы знать о гарантийном покрытии.
Вы заметите, что самые дорогие продукты имеют более высокую гарантию, чем менее дорогие. Это не должно удивлять никого, кто знает, что более высокая стоимость обычно соответствует лучшему качеству.
В целом, система обратного осмоса, которую вы выберете, будет во многом зависеть от ваших жилищных потребностей и функций, которые, по вашему мнению, более важны для вас для улучшения системы фильтрации воды.
Марки систем обратного осмоса
Марка продукта, который вы покупаете, очень важна. Это может быть разница между плохим продуктом и отличным. При покупке чего-то вроде системы обратного осмоса важно искать бренд с хорошей репутацией и престижем в отрасли. Обзоры систем обратного осмоса : 3 бренда являются лучшими в отрасли на основании их великолепных характеристик, рекомендаций клиентов и оценок пользователей.
Водные системы APEC
Водяная система APEC, возможно, является самой высоко оцененной маркой систем обратного осмоса на рынке сегодня.Его модели можно использовать для очистки воды из разных источников. Они также оснащены смесителем, не содержащим свинца, а также сертифицированными FDA трубками, которые обеспечивают чистую воду без загрязнений. Водяные системы APEC имеют первоклассные быстроразъемные соединения, которые не требуют дополнительных шагов или стопорных зажимов для герметизации утечки. Это делает их удобными и супер безопасными.
Система также сертифицирована WQA, что гарантирует надежную, долговечную и бесшумную систему питьевой воды. С этим брендом вы также получите высококачественные фильтры, используемые для очистки всех типов воды, обеспечивая чистый вкус воды того же класса, что и вода в бутылках.Бренд APEC разработан с использованием высоконадежной технологии, которая удаляет 99% загрязняющих веществ, включая бактерии, тяжелые металлы, свинец, фторид, хлор и мышьяк. Производитель APEC использует самые современные технологии для создания надежных систем очистки воды обратным осмосом. Его процесс фильтрации воды имеет 5 уровней очистки , которые обеспечивают чистую воду для приготовления пищи и питья.
Если вы ищете компанию по производству фильтров для воды, которая производит высококачественную чистую воду и прослужит очень долго, для вас есть ограниченные возможности.Система фильтрации воды APEC Premium — одна из тех ограниченных возможностей. Хотя они могут быть более дорогими, чем другие типы систем, их эффективность в очистке воды делает их одной из наиболее востребованных систем водоснабжения на рынке сегодня. Большинство его моделей уже являются бестселлерами Amazon и настоятельно рекомендуются тем, кто хочет на 100% чистую воду, не содержащую загрязняющих веществ, вкуса и запаха.
Марка системы водоснабжения iSpring
5-ступенчатая система iSpring превращает любую воду в родниковую.Его механизм фильтрации воды не имеет себе равных в отрасли.
Если вы хотите инвестировать в систему обратного осмоса, которая выполняет свои обещания и предлагает всестороннее качество, нет лучшего варианта, чем бренд обратного осмоса iSpring. Благодаря недавним обновлениям и постоянным улучшениям вы наверняка получите более качественное обслуживание, намного большее, чем вы рассчитывали.
Глядя на отзывы на Amazon, вы узнаете, что пользователи говорят о бренде. Он довольно доступен по сравнению с другими дополнительными системами обратного осмоса, он обеспечивает чистую качественную воду с 5-ступенчатым процессом фильтрации и устраняет любые следы загрязняющих веществ до минимума, не имеющего себе равных среди фильтров для воды других производителей, представленных сегодня на рынке.С высокими оценками клиентов и одним из лучших положительных отзывов об Amazon вы вряд ли найдете проблемы с этой системой обратного осмотра.
Установка их систем тоже очень проста. Их системы поставляются с руководством по установке, что делает установку менее утомительной. Он поставляется с необходимым оборудованием для его установки, таким как запасные уплотнительные кольца, тефлоновая лента и гаечные ключи. Чтобы помочь вам понять, какой материал необходимо установить, на трубы нанесена цветовая маркировка, чтобы их можно было различить. Однако, если вы не хотите рисковать какой-либо утечкой, которая может возникнуть в результате неправильной установки, рекомендуется обратиться к водопроводчику или опытному специалисту, который поможет вам с установкой.
Когда дело доходит до очистки воды, безопасной для питья, безусловно, фильтр для воды iSpring 74GPD — один из лучших вариантов.
Home Master Система фильтрации воды
Фильтры для воды TMAC Artesan используют ту же технологию, что и многие компании, производящие воду в бутылках, для очистки воды. Фактически, вы можете не заметить разницы между водой, очищенной этой системой, и водой в бутылках. Он не содержит загрязняющих веществ и делает все, что говорит.Его система очистки воды не устраняет всю щелочь из воды. Наличие щелочи в воде очень важно, поскольку она выполняет свою работу по очистке. Система обратного осмоса TMAFC оставляет немного щелочи в воде, что улучшает вкус и обеспечивает высокое качество воды. Home Master обеспечивает соотношение цены и качества для ваших домашних нужд.
+ Лучшая скорость потока — вода течет в два раза быстрее, чем другие.
+ Добавлен минерал для улучшения вкуса — его технология полного контакта добавляет минералы магния и кальция для очистки воды.
+ Высокоочищенная вода — включает 7-ступенчатый процесс очистки, который удаляет 98% хлораминов и других загрязненных химикатов.
+ Высокое качество — инновационный дизайн этого бренда решает самые распространенные проблемы, встречающиеся у других.
+ Легкая замена и длительный срок службы фильтров — аутентичный дизайн марки ispring означает, что фильтры будут заменяться только после каждого использования 2000 галлонов или один раз в год
+ Лучшая производительность воды — модели этой марки с обратным осмосом потребляют меньше воды для производства фильтрованной воды.В то время как большинство обычных систем используют 6 галлонов для производства 1 галлона фильтрованной воды, Home Master TMFAFC использует только 4 галлона на 1 галлон фильтрованной воды. Это сэкономит вам много воды в процессе.
+ Простая установка — процесс установки может быть сложным. Но марка TMAFC Artesian RO спроектирована так, чтобы быть удобной для пользователя для идеальной установки. Предоставленное руководство пользователя легко следовать. Разъемы и шланги имеют цветовую маркировку, чтобы вы могли понять их различия.В равной степени представлены видеоролики, которые расскажут, как лучше всего выполнить установку. Эта и другие особенности, представленные здесь, делают его одним из лучших брендов обратного осмоса на рынке сегодня. Поэтому настоятельно рекомендуется.
Преимущества системы обратного осмоса
У системы обратного осмоса есть множество преимуществ. Благодаря этой технологии люди теперь могут пить чистую воду с минимальными затратами, а также использовать ее для аквариума или даже для аквариума.Эта система удаляет большинство загрязняющих веществ и почти весь хлор и мелкие металлы, содержащиеся в воде. Когда вам пора выбрать систему обратного осмоса для семейного использования, важно выбрать наиболее идеальный вариант, который действительно фильтрует воду и удаляет весь мусор. Ниже приведены причины, по которым система обратного осмоса очень важна для любого дома.
Разработчики системы подтвердили, что система может эффективно удалять фторид , и свинец из воды, что делает ее безопасной для потребления человеком.Слишком большое количество свинца в системе организма может привести к повреждению мышц, проблемам с развитием нервной системы, фертильности и повышению кровяного давления. Это может даже вызвать у детей тяжелую анемию и повреждение головного мозга. Таким образом, невозможно переоценить роль системы обратного осмоса в удалении свинца из воды.
Обработка воды методом обратного осмосаидеально подходит для лечения онкологических больных во время и после лечения. Больные раком, особенно во время химиотерапии и облучения, ослабили иммунную систему.Люди, которые используют неочищенную воду, содержащую крошечные микробы и микроорганизмы для питья и приготовления пищи, подвергаются риску заражения. Но при правильной очистке воды с помощью системы обратного осмоса можно избежать заражения.
- Он фильтрует Cryptosporidium
Cryptosporidium — опасный паразит, который может поражать тонкий кишечник, вызывая диарею, лихорадку и спазмы желудка у детей. Эти паразиты обычно находятся в загрязненной воде, и дети могут даже испытывать недоедание и обезвоживание, когда попадают в организм.Но при правильной фильтрации воды с помощью системы обратного осмоса эта проблема будет предотвращена.
- Удаляет натрий и улучшает вкус
Большое количество молекул натрия в организме может еще больше ухудшить здоровье людей с заболеваниями печени, почек или артериальным давлением. Этого можно избежать, если использовать систему обратного осмоса, которая может должным образом устранять присутствие молекул натрия в воде.
Кроме того, большинство людей подтвердили, что вода, полученная методом обратного осмоса, на вкус лучше, чем вода из-под крана.Это связано с тем, что соединения на основе серы, нитраты, железо, свинец и другие химические остатки часто делают водопроводную воду неприятной. Но система обратного осмоса удаляет эти вещества, что делает воду похожей на родниковую. Фактически, есть небольшая разница между вкусом родниковой воды и воды, обработанной с помощью системы обратного осмоса.
Как работает система обратного осмоса?
Заключение
Очевидно, что система обратного осмоса — лучший способ найти наиболее идеальную систему очистки воды для домашних нужд.К счастью, продукты, описанные в обзорах и сравнении систем обратного осмоса выше, являются лучшими в отрасли и соответствуют самым высоким стандартам. Они обеспечивают безопасную воду для питья и очень просты в установке. Вы можете установить их самостоятельно с помощью прилагаемого руководства. Однако, чтобы быть в большей безопасности, лучше нанять сантехника, который внесет профессиональный вклад в процесс установки. Это предотвратит любые осложнения после установки при использовании системы обратного осмоса.В целом, если вы остановитесь на правильной модели и правильном бренде системы обратного осмоса, вы, безусловно, получите высококачественную питьевую воду для себя и своей семьи для их общего благополучия. Вы можете прочитать эту статью, если хотите узнать больше о лучших пуховых одеялах для любого сезона.
Часто задаваемые вопросы: обратный осмос
Часто задаваемые вопросы: Обратный осмос | Вт Перейти к основному содержанию- Наша компания
- Служба поддержки
- Инвесторам
- Карьера
- Соединенные Штаты
- Товары
Товары
- Сантехника и решения для управления потоками
Сантехника и решения для управления потоками
- Фитинги AquaLock Push-to-Connect Фитинги AquaLock Push-to-Connect
- Автоматические регулирующие клапаны Автоматические регулирующие клапаны
- Предохранители обратного потока Предохранители обратного потока
- Системы газового подключения Системы газового подключения
- Технологические трубопроводные системы высокой чистоты Технологические трубопроводные системы высокой чистоты
- Гидравлическое и паровое отопление Гидравлическое и паровое отопление
- Смесительные клапаны Смесительные клапаны
- Сантехника PEX и системы лучистого отопления Сантехнические и отопительные системы PEX
- Клапаны понижения давления Клапаны понижения давления
- Предохранительные клапаны Предохранительные клапаны
- Запорные клапаны Запорные клапаны
- Вся сантехника и контроль потока Вся сантехника и контроль потока
- Решения по качеству воды
Решения по качеству воды
- Решения для кондиционирования Решения для кондиционирования
- Решения для дезинфекции Решения для дезинфекции
- Решения для фильтрации Решения для фильтрации
- Инструментальные решения Инструментальные решения
- Решения OneFlow для предотвращения образования накипи Решения OneFlow для предотвращения образования накипи
- Сбор дождевой воды Сбор дождевой воды
- Детали и аксессуары для качества воды Детали и аксессуары для качества воды
- Все качество воды Все качество воды
- Дренажные решения
Дренажные решения
- Дренаж из нержавеющей стали (BLÜCHER)
Дренаж из нержавеющей стали (BLÜCHER)
- Дренаж химических отходов (Орион)
Дренаж химических отходов (Орион)
- Спецификация Дренаж
Спецификация Дренаж
- Очистки Очистки
- Водостоки из траншеи мертвого уровня Водостоки из траншеи мертвого уровня
- Держатели приспособлений Держатели приспособлений
- Полы и трапы Полы и трапы
- Зеленые водостоки Зеленые водостоки
- Перехватчики Перехватчики
- Сливы с парковочной площадки Сливы с парковочной площадки
- Кровельные водостоки Кровельные водостоки
- Весь дренаж Весь дренаж
- Системы отопления, вентиляции и кондиционирования воздуха и горячего водоснабжения
Системы отопления, вентиляции и кондиционирования воздуха и горячего водоснабжения
- Котлы (AERCO) Котлы (AERCO)
- Управление Управление
- Подогрев пола — электрический (SunTouch) Подогрев пола — электрический (SunTouch)
- Напольное отопление — Hydronic Напольное отопление — Hydronic
- Нагревательные клапаны и аксессуары Нагревательные клапаны и аксессуары
- Таяние снега — электрическое (SunTouch) Таяние снега — электрическое (SunTouch)
- Таяние снега — Hydronic Таяние снега — Hydronic
- Водонагреватели (AERCO) Водонагреватели (AERCO)
- Водонагреватели (ПВИ) Водонагреватели (ПВИ)
- Все HVAC и горячая вода Все HVAC и горячая вода
- Сантехника и решения для управления потоками
Сантехника и решения для управления потоками
- Решения
Решения
- Решения по потребности
Решения по потребности
- Умный и подключенный Умный и подключенный
- Безопасность и регулирование Безопасность и регулирование
- Энергоэффективность Энергоэффективность
- Сохранение воды Сохранение воды
- Комфорт Комфорт
- Решения для каналов
Решения для каналов
- Оптовые продажи Оптовые продажи
- OEM OEM
- Розничная торговля Розничная торговля
- Системы
Системы
- Дренаж Дренаж
- Пожарная защита Пожарная защита
- Газовая безопасность Газовая безопасность
- Орошение Орошение
- Системы лучистого отопления Системы лучистого отопления
- Сбор дождевой воды Сбор дождевой воды
- Таяние снега Таяние снега
- Решения для здравоохранения
Решения для здравоохранения
- Решения для гостеприимства
Решения для гостеприимства
- Решения легионеллы
Решения легионеллы
- Решения по потребности
Решения по потребности
- Ресурсы
Ресурсы
- Планирование
Планирование
- Установка
Установка
- Операция
Операция
- Ремонт / замена
Ремонт / замена
- Библиотека ресурсов
Библиотека ресурсов
- Таблицы спецификаций Таблицы спецификаций
- Инструкции по установке Инструкции по установке
- Ролики Ролики
- Примеры из практики Примеры из практики
- Каталоги Каталоги
- Прайс-листы Прайс-листы
- FAQs
- Обратный концентратор
Обратный концентратор
- Технические характеристики и дизайн
Технические характеристики и дизайн
- SpecHUB SpecHUB
- Поиск по ASSE Поиск по ASSE
- Чертежи BIM и CAD Чертежи BIM и CAD
- Продукт MasterSpec Продукт MasterSpec
- Трафареты Tekmar Design Трафареты Tekmar Design
- инструменты
инструменты
- Калькуляторы продуктов продукты-калькуляторы
- Конфигуратор Selexit Online Конфигуратор Selexit Online
- Перекрестная ссылка на продукт Перекрестная ссылка на продукт
- Калькулятор экономии цифрового микширования Калькулятор экономии цифрового микширования
- Образование и обучение
Образование и обучение
- Очное обучение Очное обучение
- Онлайн-обучение Онлайн-обучение
- Непрерывное образование (CEU) Непрерывное образование (CEU)
- Вебинары по запросу Вебинары по запросу
- Планирование
Планирование
- Наши бренды
Наши бренды
- Наша компания
Наша компания
- История История
- Разнообразие и инклюзивность Разнообразие и инклюзивность
- Сообщество Сообщество
- Устойчивость Устойчивость
- Логотипы компании Логотипы компании
- Новости и события
Новости и события
- Наши бренды
Наши бренды
- Вт Вт
- AERCO AERCO
- Ames Fire & Waterworks Ames Fire & Waterworks
- Апекс Апекс
- AVG AVG
- BLÜCHER BLÜCHER
- Дормонт Дормонт
- FEBCO FEBCO
- HF научный HF научный
- Mueller Steam Specialty Mueller Steam Specialty
- Орион Орион
- ПОЛНОМОЧИЯ ПОЛНОМОЧИЯ
- PVI Industries PVI Industries
- SunTouch SunTouch
- Системы управления Tekmar Системы управления Tekmar
- Все бренды и популярные решения для мощности Все бренды и популярные решения для мощности
- Наша компания
Наша компания
- Как купить
Как купить
- Как мы можем вам помочь?
Как мы можем вам помочь?
- Вам нужна помощь с вопросами о продукте, поддержка или предложение? Вам нужна помощь с вопросами о продукте, поддержка или предложение?
- Как мы можем вам помочь?
Как мы можем вам помочь?
Системы обратного осмоса — Бесплатная загрузка PDF
Питьевая вода для Газы Разработка концепции 2
Herontwerp 2014 Питьевая вода для Газы Разработка концепции 2 Доцент: Хассанпур Голриз, Д.(Дэймон) Ученик: Роджер Сильверстр Япо (Группа 4) Содержание 1) Описание обратного осмоса ——————————— ——————————————
ПодробнееОборудование обратного осмоса RO
RO SYSTEMS Оборудование обратного осмоса RO Линейка оборудования обратного осмоса, разработанная для обеспечения максимальной производительности при требуемой скорости потока от 50 до 1000 л / ч. Каждый компонент оборудования
ПодробнееОсновы обратного осмоса
Что такое обратный осмос? Обратный осмос — это технология, которая используется для удаления из воды большого количества загрязняющих веществ путем проталкивания воды под давлением через полупроницаемую мембрану.Это
ПодробнееКак поливать систему
Система водоснабжения Mid-Monroe: удаление растворимого железа и марганца с помощью окисления и фильтрации Daniel Rickard, P.E. Менеджер по инженерным проектам Пенсильвано-американская компания водоснабжения Who Is American Water We are
ПодробнееРАЗДЕЛ 11 Системы питьевого водоснабжения
РАЗДЕЛ 11 Системы питьевого водоснабжения Каталог ПРОДУКЦИИ КАЧЕСТВА ВОДЫ Мощность 10 Вт в США.S. общепринятые единицы и метрическая система являются приблизительными и приводятся только для справки. Ваттс резервирует
ПодробнееУстранение неполадок вашего RO
Устранение неисправностей вашего обратного осмоса Резюме: может быть много причин, по которым система обратного осмоса страдает от потери производительности и не может производить пермеат надлежащего количества и / или качества. Похож на врача
ПодробнееКогда идет дождь, магазины тм
Наша миссия Миссия CWS — обеспечивать чистую, чистую и безопасную воду.Наши системы собирают и хранят дождевую, водопроводную или колодезную воду в резервуарах большого объема из нержавеющей стали, привлекательных для городского ландшафта.
ПодробнееСистемы чистой воды Watts
Watts Pure Water Systems WM-120-PT Руководство по установке и эксплуатации Premier Water Systems Не используйте воду, которая является микробиологически небезопасной или неизвестного качества без надлежащей дезинфекции до
. Подробнее1.Инспекция и мониторинг … 3
1 Указатель 1. Инспекция и мониторинг … 3 1.1 Обращение с новыми элементами … 3 1.1.1 Хранение оригинальных упакованных элементов обратного осмоса … 3 1.1.2 Упаковка … 3 1.2 Первоначальные пусковые проверки установки … 3 1.2.1 Препарат
ПодробнееПримечания по применению картриджного фильтра
Промышленная очистка воды (800) CAL-WATER Cal Water 1961 Petra Lane Placentia, CA 92870 Факс: (714) 792-0794 Веб-страница / электронная почта: www.cal-water.com Примечания по применению картриджного фильтра Cal Water предлагает
ПодробнееРУКОВОДСТВО ПО ЛАБОРАТОРНОЙ ПРОДУКЦИИ
РУКОВОДСТВО ПО ЛАБОРАТОРНЫМ ПРОДУКТАМ СЛЕДУЮЩЕЕ ПОКОЛЕНИЕ СИСТЕМ ОЧИСТКИ ВОДЫ ДЛЯ ЛАБОРАТОРИИ PURITE СИСТЕМЫ ОЧИСТКИ ВОДЫ Purite специализируется на проектировании, разработке и производстве современных высокопроизводительных систем
. ПодробнееСистемы очистки питьевой воды
Системы очистки питьевой воды Барбара Дэниэлс и Нэнси Меснер Июнь 2005 г. NR / WQ / 2005-24 Если в вашем доме вода поступает из общественного водопровода, она прошла испытания и соответствует стандартам EPA для питья
ПодробнееРУКОВОДСТВО ПО УСТАНОВКЕ И ОБСЛУЖИВАНИЮ
РУКОВОДСТВО ПО УСТАНОВКЕ И ОБСЛУЖИВАНИЮ Водные системы обратного осмоса, расположенные под раковиной Модель: RO 585 RO 585A 5-ступенчатая система обратного осмоса, 85 галлонов / день при 80 фунт / кв.Пятиступенчатая система обратного осмоса с цифровым измерителем TDS качества воды RO6100DINT
ПодробнееУстройство рекуперации энергии isave 21-40
Технические данные Устройство рекуперации энергии isave 21-40 Lenntech [email protected] Тел. + 31-152-610-900 www.lenntech.com Факс. + 31-152-616-289 Содержание 1. Общая информация …. 3 2. Преимущества … 3 3. Технические характеристики
ПодробнееКраткое руководство по лечению питьевой водой
Краткое руководство по лечению питьевой водой Dr.Клаас ван Акен DVM Оптимальное использование антибиотиков при правильном введении 2 В этой брошюре представлен пошаговый подход к ответственному и успешному применению
ПодробнееР.О. МОДЕЛЬ СИСТЕМЫ ПИТЬЕВОЙ ВОДЫ
Р.О. МОДЕЛЬ СИСТЕМЫ ПИТЬЕВОЙ ВОДЫ РУКОВОДСТВО ПО УСТАНОВКЕ, ЭКСПЛУАТАЦИИ И ОБСЛУЖИВАНИЮ ВАЖНЫЕ ЗАМЕЧАНИЯ: Эта система обратного осмоса содержит сменные компоненты очистки, критически важные для ее эффективной работы.Это
ПодробнееРекомендации по очистке RO / NF
Nanostone Water, Inc. Карлсбадский офис 2463 Impala Dr. Carlsbad, CA
USA T: +1 (844) 765-7377 www.nanostone.com Руководство по очистке RO / NF 2015 Nanostone Water, Inc. www.nanostone.com RO / NF Уборка ПодробнееРУКОВОДСТВО ПО УСТАНОВКЕ И ОБСЛУЖИВАНИЮ
РУКОВОДСТВО ПО УСТАНОВКЕ И ОБСЛУЖИВАНИЮ Обратный осмос + DI водяные системы Модель: RD-102 RD-106 6-ступенчатая система RO + DI, 100GPD, 6-ступенчатая система RO + DI с одним выходом, 100GPD, два выхода + бак + кран ТЕХНИЧЕСКИЕ ХАРАКТЕРИСТИКИ ПРОДУКТА
ПодробнееПРОЕКТ Июль, 2006 г. Стр. 1 из 18
ПРОЕКТ Июль, 2006 г. Стр. 1 из 18 Исследование по расследованию вспышек заболеваний окружающей среды на территории плавательных бассейнов: подход систем гигиены окружающей среды к профилактике заболеваний, связанных с рекреационной водой — Сборник информации Подробнее
Смягчение ионного обмена
Ионообменное умягчение Ионный обмен широко используется в небольших системах водоснабжения и индивидуальных домах.Ионообменная смола (цеолит) обменивает один ион обрабатываемой воды на другой ион, который равен
. ПодробнееПрезентация продукции Seccua
Seccua Презентация продукта Технология Мембранная технология Цвет Мутность Эндокрины Бактерии Вирус Растворенные твердые вещества 1000 нм 100 10 1 0,1 нм 100 мкм 10 1 0,1 0,01 0,001 мкм Обратный осмос dp = 15 бар 80
ПодробнееPuretec Промышленная вода | Что такое обратный осмос?
Обратный осмос — это технология, которая используется для удаления большого количества загрязняющих веществ из воды путем проталкивания воды под давлением через полупроницаемую мембрану.
Эта статья предназначена для аудитории, которая мало или совсем не имеет опыта работы с обратным осмосом, и попытается объяснить основы простыми словами, которые должны дать читателю лучшее общее представление о технологии обратного осмоса и ее приложениях.
В этой статье рассматриваются следующие темы:
- Что такое осмос и обратный осмос
- Как работает обратный осмос (RO)?
- Какие загрязнения удаляет обратный осмос (RO)?
- Расчет производительности и конструкции для систем обратного осмоса (RO)
- Отказ от соли%
- Солевой проход%
- Восстановление%
- Фактор концентрации
- Скорость потока
- Баланс массы
- Понимание разницы между проходами и ступенями в системе обратного осмоса (RO)
- 1 этап против двухступенчатой системы обратного осмоса (RO)
- Массив
- Система обратного осмоса (RO) с рециркуляцией концентрата
- Однопроходные и двухходовые системы обратного осмоса (RO)
- Предварительная обработка обратного осмоса (RO)
- Обрастание
- Масштабирование
- Химическая атака
- Механическое повреждение
- Решения для предварительной обработки обратного осмоса (RO)
- Мультимедийная фильтрация
- Микрофильтрация
- Антискаланты и ингибиторы образования накипи
- Умягчение ионным обменом
- Бисульфит натрия (SBS) для инъекций
- Гранулированный активированный уголь (GAC)
- Тенденции производительности обратного осмоса (RO) и нормализация данных
- Очистка мембран обратным осмосом (RO)
- Резюме
Что такое обратный осмос
Обратный осмос , обычно называемый RO , представляет собой процесс, при котором вы деминерализуете или деионизируете воду, проталкивая ее под давлением через полупроницаемую мембрану обратного осмоса.
Осмос
Чтобы понять цель и процесс обратного осмоса, вы должны сначала понять естественный процесс осмоса Osmosis .
Осмос — это естественное явление и один из важнейших процессов в природе. Это процесс, при котором более слабый физиологический раствор имеет тенденцию переходить в крепкий физиологический раствор. Примеры осмоса: корни растений поглощают воду из почвы, а наши почки поглощают воду из нашей крови.
Ниже представлена диаграмма, показывающая, как работает осмос. Раствор с меньшей концентрацией будет иметь естественную тенденцию переходить в раствор с более высокой концентрацией. Например, если у вас есть контейнер, полный воды с низкой концентрацией соли, и другой контейнер, полный воды с высокой концентрацией соли, и они разделены полупроницаемой мембраной, то вода с более низкой концентрацией соли начнет мигрировать. в сторону емкости с водой с более высокой концентрацией соли.
Полупроницаемая мембрана — это мембрана, которая пропускает одни атомы или молекулы, но не пропускает другие. Простой пример — дверь-ширма. Он позволяет молекулам воздуха проходить сквозь него, но не вредителям или чему-либо большему, чем отверстия в дверце экрана. Другой пример — ткань для одежды Gore-tex, содержащая чрезвычайно тонкую пластиковую пленку, в которой вырезаны миллиарды мелких пор. Поры достаточно большие, чтобы пропускать водяной пар, но достаточно маленькие, чтобы не пропускать жидкую воду.
Обратный осмос — это процесс обратного осмоса . В то время как осмос происходит естественным образом без необходимости в энергии, чтобы обратить процесс осмоса вспять, вам необходимо приложить энергию к более солевому раствору. Мембрана обратного осмоса — это полупроницаемая мембрана, которая пропускает молекулы воды, но не большую часть растворенных солей, органических веществ, бактерий и пирогенов. Однако вам необходимо «протолкнуть» воду через мембрану обратного осмоса, применяя давление, превышающее естественное осмотическое давление, чтобы опреснить (деминерализовать или деионизировать) воду в процессе, пропуская чистую воду, удерживая большую часть загрязняющих веществ.
Ниже представлена схема, описывающая процесс обратного осмоса. Когда к концентрированному раствору прикладывается давление, молекулы воды проталкиваются через полупроницаемую мембрану, и загрязнения не пропускаются.
Как работает обратный осмос?
Обратный осмос работает за счет использования насоса высокого давления для увеличения давления на солевой стороне обратного осмоса и проталкивания воды через полупроницаемую обратную мембрану, оставляя почти все (от 95% до 99%) растворенных солей в воде. отклонить поток.Необходимое давление зависит от концентрации соли в исходной воде. Чем более концентрирована исходная вода, тем большее давление требуется для преодоления осмотического давления.
Опресненная вода, которая является деминерализованной или деионизированной, называется пермеатной (или продуктивной) водой. Водяной поток, который несет концентрированные загрязнители, которые не прошли через мембрану обратного осмоса, называется потоком отходов (или концентратов).
Когда исходная вода входит в мембрану обратного осмоса под давлением (давление, достаточное для преодоления осмотического давления), молекулы воды проходят через полупроницаемую мембрану, а соли и другие загрязнители не проходят и выводятся через сбросной поток (также известный в виде потока концентрата или рассола), который направляется в канализацию или может быть возвращен в систему подачи питательной воды в некоторых случаях для повторного использования через систему обратного осмоса для экономии воды.Вода, которая проходит через мембрану обратного осмоса, называется пермеатом или водой-продуктом, и обычно из нее удаляется от 95% до 99% растворенных солей.
Важно понимать, что в системе обратного осмоса используется перекрестная фильтрация, а не стандартная фильтрация, при которой загрязнения собираются внутри фильтрующего материала. При перекрестной фильтрации раствор проходит через фильтр или пересекает фильтр с двумя выходами: фильтрованная вода идет в одну сторону, а загрязненная вода идет в другую сторону.Чтобы избежать накопления загрязняющих веществ, фильтрация с поперечным потоком позволяет воде сметать накопившиеся загрязнения, а также обеспечивает достаточную турбулентность для поддержания чистоты поверхности мембраны.
Какие загрязняющие вещества обратный осмос удалит из воды?
Обратный осмос способен удалять до 99% + растворенных солей (ионов), частиц, коллоидов, органических веществ, бактерий и пирогенов из питательной воды (хотя не следует полагаться на систему обратного осмоса для удаления 100% бактерий и вирусы).Мембрана обратного осмоса задерживает загрязнения в зависимости от их размера и заряда. Любое загрязняющее вещество с молекулярной массой более 200, вероятно, удаляется правильно работающей системой обратного осмоса (для сравнения, молекулярная масса молекулы воды составляет 18). Аналогичным образом, чем больше ионный заряд загрязнителя, тем больше вероятность, что он не сможет пройти через мембрану обратного осмоса. Например, ион натрия имеет только один заряд (одновалентный) и не отторгается RO мембраной, как, например, кальций, который имеет два заряда.Аналогичным образом, именно поэтому система обратного осмоса не очень хорошо удаляет газы, такие как CO2, потому что они не сильно ионизируются (заряжаются) в растворе и имеют очень низкий молекулярный вес. Поскольку система обратного осмоса не удаляет газы, пермеатная вода может иметь уровень pH немного ниже, чем обычно, в зависимости от уровней CO2 в исходной воде, поскольку CO2 преобразуется в угольную кислоту.
Обратный осмос очень эффективен при очистке солоноватых, поверхностных и грунтовых вод как для больших, так и для малых потоков.Некоторые примеры отраслей, в которых используется вода обратного осмоса, включают фармацевтическую промышленность, питательную воду для котлов, продукты питания и напитки, отделку металлов и производство полупроводников, и это лишь некоторые из них.
Расчетные характеристики и расчетные характеристики обратного осмоса
Есть несколько расчетов, которые используются для оценки производительности системы обратного осмоса, а также для конструктивных соображений. В системе обратного осмоса есть приборы, которые отображают качество, расход, давление, а иногда и другие данные, такие как температура или часы работы.Чтобы точно измерить производительность системы обратного осмоса, вам потребуются как минимум следующие рабочие параметры:
- Давление подачи
- Давление пермеата
- Давление концентрата
- Проводимость корма
- Проводимость пермеата
- Поток сырья
- Поток пермеата
- Температура
Отказ от соли%
Это уравнение показывает, насколько эффективно мембраны обратного осмоса удаляют загрязнения.Он не говорит вам, как работает каждая отдельная мембрана, а скорее как система в целом работает. Хорошо спроектированная система обратного осмоса с правильно функционирующими мембранами обратного осмоса будет отбрасывать от 95% до 99% большинства загрязнителей питательной воды (которые имеют определенный размер и заряд). Вы можете определить, насколько эффективно мембраны обратного осмоса удаляют загрязнения, используя следующее уравнение:
| Отклонение соли% = | Электропроводность питательной воды — Электропроводность пермеата | × 100 |
| Электропроводность сырья |
Чем выше отвод соли, тем лучше работает система.Низкое отторжение солей может означать, что мембраны требуют очистки или замены.
Солевой проход%
Это просто обратное отторжение соли, описанное в предыдущем уравнении. Это количество солей, выраженное в процентах, которые проходят через систему обратного осмоса. Чем ниже солевой канал, тем лучше работает система. Большое количество солей может означать, что мембраны требуют очистки или замены.
| Прохождение соли% = (1 -% отклонения соли) |
Восстановление%
Процент извлечения — это количество воды, которое «извлекается» как хорошая пермеатная вода.Другой способ думать о процентном извлечении — это количество воды, которое не отправляется в дренаж в виде концентрата, а собирается в виде пермеата или воды продукта. Более высокий процент извлечения означает, что вы отправляете меньше воды в дренаж в виде концентрата и экономите больше пермеата. Однако, если процент извлечения слишком высок для конструкции обратного осмоса, это может привести к большим проблемам из-за образования накипи и загрязнения. % Извлечения для системы обратного осмоса устанавливается с помощью программного обеспечения для проектирования с учетом множества факторов, таких как химический состав питательной воды и предварительная обработка обратным осмосом перед системой обратного осмоса.Следовательно, правильный процент извлечения, при котором должен работать RO, зависит от того, для чего он был разработан. Рассчитав процент извлечения, вы можете быстро определить, работает ли система не по назначению. Расчет% извлечения:
| % Извлечение = | Скорость потока пермеата (галлонов в минуту) | × 100 |
| Скорость подачи (галлонов в минуту) |
Например, если степень извлечения составляет 75%, это означает, что на каждые 100 галлонов питательной воды, попадающей в систему обратного осмоса, вы получаете 75 галлонов пригодной для использования пермеатной воды и 25 галлонов сточных вод в виде концентрата.Промышленные системы обратного осмоса обычно имеют степень извлечения от 50% до 85% в зависимости от характеристик питательной воды и других проектных соображений.
Фактор концентрации
Коэффициент концентрации связан с восстановлением системы обратного осмоса и является важным уравнением при проектировании системы обратного осмоса. Чем больше воды вы извлекаете в виде пермеата (чем выше процент извлечения), тем больше концентрированных солей и загрязняющих веществ вы собираете в потоке концентрата. Это может привести к более высокому потенциалу образования накипи на поверхности мембраны обратного осмоса, когда коэффициент концентрации слишком высок для конструкции системы и состава питательной воды.
| Коэффициент концентрации = | 1 |
| 1 — Восстановление% |
Концепция не отличается от котла или градирни. У них обоих есть очищенная вода, выходящая из системы (пар), и в конечном итоге остается концентрированный раствор. По мере увеличения степени концентрации могут быть превышены пределы растворимости и осаждение на поверхности оборудования в виде накипи.
Например, если поток подачи составляет 100 галлонов в минуту, а поток пермеата составляет 75 галлонов в минуту, то извлечение будет (75/100) x 100 = 75%. Чтобы найти коэффициент концентрации, формула будет 1 ÷ (1-75%) = 4.
Коэффициент концентрации 4 означает, что вода, поступающая в поток концентрата, будет в 4 раза более концентрированной, чем исходная вода. Если исходная вода в этом примере составляла 500 частей на миллион, тогда поток концентрата был бы 500 x 4 = 2000 частей на миллион.
Поток
| Gfd = | галлонов в минуту пермеата × 1440 мин / день |
| Количество элементов RO в системе × площадь каждого элемента RO |
Например, у вас есть следующее:
Система обратного осмоса производит 75 галлонов пермеата в минуту (галлонов в минуту).У вас есть 3 сосуда обратного осмоса, и каждый сосуд содержит 6 мембран обратного осмоса. Таким образом, у вас всего 3 x 6 = 18 мембран. В системе обратного осмоса используется мембрана Dow Filmtec BW30-365. Этот тип мембраны (или элемента) обратного осмоса имеет площадь поверхности 365 квадратных футов.
Чтобы найти поток (Gfd):
| Gfd = | 75 галлонов в минуту × 1440 мин / день | = | 108 000 |
| 18 элементов × 365 кв. Футов | 6 570 |
Поток 16 Гсф.
Это означает, что 16 галлонов воды проходит через каждый квадратный фут каждой RO мембраны в день. Это число может быть хорошим или плохим в зависимости от типа химического состава питательной воды и конструкции системы. Ниже приводится общее практическое правило для диапазонов потоков для различных источников воды, которые можно лучше определить с помощью программного обеспечения для проектирования обратного осмоса. Если бы вы использовали мембраны обратного осмоса Dow Filmtec LE-440i в приведенном выше примере, то поток был бы равен 14. Поэтому важно учитывать, какой тип мембраны используется, и стараться, чтобы тип мембраны был одинаковым во всей системе. .
| Источник питательной воды | Gfd |
|---|---|
| Сточные воды | 5-10 |
| Морская вода | 8–12 |
| Солоноватоводные поверхностные воды | 10-14 |
| Солоноватая колодезная вода | 14–18 |
| Пермеат обратного осмоса Вода | 20-30 |
Баланс массы
Уравнение массового баланса используется для определения того, правильно ли показывает ваш расходомер и приборы качества или требует калибровки.Если ваши приборы не считывают правильно, то собираемые вами данные о производительности бесполезны. Для выполнения расчета массового баланса вам потребуется собрать следующие данные из системы обратного осмоса:
- Расход сырья (галлонов в минуту)
- Расход пермеата (галлонов в минуту)
- Расход концентрата (галлонов в минуту)
- Проводимость питания (мкСм)
- Проводимость пермеата (мкСм)
- Концентрат Проводимость (мкСм)
Уравнение баланса массы:
(Расход исходного материала 1 x проводимость исходного материала) = (расход пермеата x проводимость пермеата)
+ (расход концентрата x проводимость концентрата)
1 Поток сырья равен потоку пермеата + потоку концентрата
Например, если вы собрали следующие данные из системы обратного осмотра:
| Поток пермеата | 5 галлонов в минуту |
| Проводимость сырья | 500 мкСм |
| Проводимость пермеата | 10 мкСм |
| Поток концентрата | 2 галлона в минуту |
| Концентрат Проводимость | 1200 мкСм |
Тогда уравнение баланса масс будет:
(7 x 500) = (5 x 10) + (2 x 1200)
3,500 ≠ 2,450
Затем найдите разницу
(разница / сумма) x 100
((3500 — 2450) / (3500 + 2450)) x 100
= 18%
Разница в +/- 5% допустима.Разница от +/- 5% до 10% обычно является адекватной. Разница в> +/- 10% недопустима, и требуется калибровка оборудования обратного осмоса, чтобы гарантировать, что вы собираете полезные данные. В приведенном выше примере уравнение баланса массы обратного осмоса выходит за пределы допустимого диапазона и требует внимания.
Понимание разницы между проходами и ступенями в системе обратного осмоса (RO)
Термины этап и проходят часто ошибочно принимают за одно и то же в системе RO и могут сбивать с толку терминологию оператора RO.Важно понимать разницу между 1 и 2 этапами RO и 1 и 2 проходами RO.
Разница между одно- и двухступенчатой системой обратного осмоса
В одноступенчатой системе обратного осмоса питательная вода входит в систему обратного осмоса одним потоком и выходит из системы обратного осмоса в виде концентрата или пермеата.
В двухступенчатой системе концентрат (или отходы) из первой ступени затем становится питательной водой для второй ступени. Пермеатная вода, собираемая с первой ступени, объединяется с пермеатной водой со второй ступени.Дополнительные этапы увеличивают выход из системы.
Массив
В системе обратного осмоса массив описывает физическое расположение сосудов под давлением в двухступенчатой системе. Сосуды высокого давления содержат мембраны обратного осмоса (обычно в сосуде высокого давления находится от 1 до 6 мембран обратного осмоса). Каждая ступень может иметь определенное количество сосудов под давлением с мембранами обратного осмоса. Затем отбраковка каждой ступени становится потоком сырья для следующей последующей ступени.Двухступенчатая система обратного осмоса, показанная на предыдущей странице, представляет собой массив 2: 1, что означает, что концентрат (или отбраковка) из первых 2 сосудов обратного осмоса подается в следующий 1 сосуд.
Система обратного осмоса с рециркуляцией концентрата
С системой обратного осмоса, которая не может быть установлена должным образом, и химический состав питательной воды позволяет это, можно использовать установку рециркуляции концентрата, в которой часть потока концентрата возвращается обратно в питательную воду на первую ступень, чтобы помочь увеличить восстановление системы.
Однопроходный обратный осмос против двухпроходного обратного осмоса
Думайте о проходе как об отдельной системе обратного осмоса. Имея это в виду, разница между однопроходной системой обратного осмоса и двухпроходной системой обратного осмоса заключается в том, что при двухпроходной системе обратного осмоса пермеат из первого прохода становится питательной водой для второго прохода (или второго обратного осмоса), что в конечном итоге дает пермеат гораздо более высокого качества, поскольку он прошел через две системы обратного осмоса.
Помимо получения пермеата гораздо более высокого качества, двухпроходная система также позволяет удалять газообразный диоксид углерода из пермеата путем нагнетания щелочи между первым и вторым проходами.Использование CO 2 нежелательно, если после обратного осмоса используются слои ионообменной смолы со смешанным слоем. Добавляя каустик после первого прохода, вы увеличиваете pH пермеата первого прохода и превращаете C02 в бикарбонат (HCO3-) и карбонат (CO3-2) для лучшего отвода мембранами обратного осмоса во втором проходе. Это невозможно сделать с помощью однопроходного обратного осмоса, потому что введение каустика и образующегося карбоната (CO3-2) в присутствии катионов, таких как кальций, вызовет образование накипи на мембранах обратного осмоса.
Предварительная обработка RO
Надлежащая предварительная обработка с использованием как механической, так и химической обработки имеет решающее значение для системы обратного осмоса, чтобы предотвратить загрязнение, образование накипи и дорогостоящий преждевременный выход из строя мембраны обратного осмоса, а также необходимость частой очистки.Ниже приводится сводка общих проблем, с которыми сталкивается система обратного осмоса из-за отсутствия надлежащей предварительной обработки.
Обрастание
Загрязнение происходит, когда загрязнения накапливаются на поверхности мембраны, эффективно закупоривая мембрану. В муниципальной питательной воде много загрязнителей, которые не видны человеческому глазу и безвредны для потребления человеком, но достаточно велики, чтобы быстро загрязнить (или закупорить) систему обратного осмоса. Загрязнение обычно происходит в передней части системы обратного осмоса и приводит к более высокому падению давления в системе обратного осмоса и более низкому потоку пермеата.Это приводит к более высоким эксплуатационным расходам и, в конечном итоге, к необходимости чистки или замены мембран обратного осмоса. В конечном итоге засорение в некоторой степени произойдет, учитывая чрезвычайно мелкие поры RO мембраны, независимо от того, насколько эффективен ваш график предварительной обработки и очистки. Однако, имея надлежащую предварительную обработку, вы минимизируете потребность в решении проблем, связанных с обрастанием на регулярной основе.
Загрязнение может быть вызвано следующими причинами:
- Твердые или коллоидные вещества (грязь, ил, глина и т. Д.))
- Органические вещества (гуминовые / фульвокислоты и т. Д.)
- Микроорганизмы (бактерии и др.). Бактерии представляют собой одну из наиболее распространенных проблем загрязнения, так как мембраны обратного осмоса, используемые сегодня, не переносят дезинфицирующих средств, таких как хлор, и поэтому микроорганизмы часто могут размножаться и размножаться на поверхности мембраны. Они могут образовывать биопленки, которые покрывают поверхность мембраны и вызывают сильное загрязнение.
- Прорыв фильтрующего материала перед установкой обратного осмоса.В угольных слоях GAC и в слоях умягчителя может образоваться утечка из-под дренажа, и если на месте не будет адекватной последующей фильтрации, среда может засорить систему обратного осмоса.
Выполняя аналитические тесты, вы можете определить, имеет ли подаваемая в ваш RO вода высокий потенциал загрязнения. Чтобы предотвратить засорение системы обратного осмоса, используются методы механической фильтрации. Самыми популярными методами предотвращения загрязнения являются использование мультимедийных фильтров (MMF) или микрофильтрация (MF). В некоторых случаях картриджной фильтрации будет достаточно.
Масштабирование
По мере того, как некоторые растворенные (неорганические) соединения становятся более концентрированными (помните обсуждение коэффициента концентрации), может происходить образование накипи, если эти соединения превышают пределы своей растворимости и осаждаются на поверхности мембраны в виде отложений. Результатами масштабирования являются более высокий перепад давления в системе, более высокий проход соли (меньшее отталкивание соли), низкий поток пермеата и более низкое качество пермеатной воды. Примером обычных отложений, которые имеют тенденцию образовываться на мембране обратного осмоса, является карбонат кальция (CaCO3).
Химическая атака
Современные тонкопленочные композитные мембраны не устойчивы к хлору и хлораминам. Окислители, такие как хлор, «прожигают» дыры в порах мембраны и могут нанести непоправимый ущерб. Результатом химического воздействия на мембрану обратного осмоса является более высокий поток пермеата и больший проход соли (пермеат более низкого качества). Вот почему рост микроорганизмов на мембранах обратного осмоса имеет тенденцию так легко загрязнять мембраны обратного осмоса, поскольку нет биоцида, препятствующего их росту.
Механическое повреждение
Частью схемы предварительной обработки должны быть водопровод и контроль системы обратного осмоса до и после. В случае «жесткого запуска» мембраны могут быть повреждены. Аналогичным образом, если в системе обратного осмоса оказывается слишком большое противодавление, то также может произойти механическое повреждение мембран обратного осмоса. Эти проблемы могут быть решены путем использования двигателей с частотно-регулируемым приводом для запуска насосов высокого давления для систем обратного осмоса и путем установки обратных клапанов и / или предохранительных клапанов для предотвращения чрезмерного обратного давления на установку обратного осмоса, которое может вызвать необратимое повреждение мембраны.
Растворы для предварительной обработки
Ниже приведены некоторые решения по предварительной обработке для систем обратного осмоса, которые могут помочь минимизировать обрастание, образование накипи и химическое воздействие.
Мультимедийная фильтрация (MMF)
Мультимедийный фильтр используется для предотвращения загрязнения системы обратного осмоса. Мультимедийный фильтр обычно содержит три слоя материала, состоящего из антрацитового угля, песка и граната, с поддерживающим слоем гравия на дне.Эти носители предпочтительны из-за различий в размере и плотности. Более крупный (но более легкий) антрацитовый уголь будет наверху, а более тяжелый (но меньший) гранат останется внизу. Расположение фильтрующего материала позволяет удалять самые крупные частицы грязи в верхней части слоя материала, при этом более мелкие частицы грязи задерживаются все глубже и глубже в среде. Это позволяет всему слою действовать как фильтр, позволяя значительно увеличить время работы фильтра между обратной промывкой и более эффективным удалением твердых частиц.
Хорошо эксплуатируемый мультимедийный фильтр может удалять частицы размером до 15-20 микрон. Мультимедийный фильтр, в котором используется добавка коагулянта (который побуждает крошечные частицы соединяться вместе с образованием частиц, достаточно крупных для фильтрации), может удалять частицы размером до 5-10 микрон. Для сравнения, ширина человеческого волоса составляет около 50 микрон.
Мультимедийный фильтр рекомендуется, когда значение индекса плотности ила (SDI) больше 3 или когда мутность больше 0.2 NTU. Точного правила нет, но следует соблюдать приведенные выше рекомендации, чтобы предотвратить преждевременное загрязнение мембран обратного осмоса.
Важно установить картриджный фильтр 5 микрон непосредственно после блока MMF на случай выхода из строя нижних дренажных каналов MMF. Это предотвратит повреждение насосов, расположенных ниже по потоку, и засорение системы обратного осмоса MMF.
Микрофильтрация (MF)
Микрофильтрация (MF) эффективна при удалении коллоидных и бактериальных веществ и имеет размер пор всего 0.1-10 мкм. Микрофильтрация помогает снизить вероятность загрязнения установки обратного осмоса. Конфигурация мембраны может быть разной у разных производителей, но наиболее часто используется тип «полое волокно». Обычно вода перекачивается с внешней стороны волокон, а чистая вода собирается с внутренней стороны волокон. Мембраны для микрофильтрации, используемые в системах питьевой воды, обычно работают в «тупиковом» потоке. В тупиковом потоке вся вода, подаваемая на мембрану, фильтруется через мембрану.Образуется осадок на фильтре, который необходимо периодически отмывать от поверхности мембраны. Степень извлечения обычно превышает 90 процентов для источников питательной воды, которые имеют довольно высокое качество и низкую мутность.
Антискаланты и ингибиторы образования накипи
Антискаланты и ингибиторы образования накипи, как следует из их названия, представляют собой химические вещества, которые можно добавлять в питательную воду перед установкой обратного осмоса, чтобы помочь снизить потенциал образования накипи в питательной воде. Антискаланты и ингибиторы образования накипи увеличивают пределы растворимости проблемных неорганических соединений.Увеличивая пределы растворимости, вы можете сконцентрировать соли дальше, чем это было бы возможно в противном случае, и, следовательно, достичь более высокой скорости извлечения и работать с более высоким коэффициентом концентрации. Антискаланты и ингибиторы образования накипи препятствуют образованию накипи и росту кристаллов. Выбор антискаланта или ингибитора образования накипи и правильная дозировка зависят от химического состава питательной воды и конструкции системы обратного осмоса.
Умягчение ионным обменом
Смягчитель воды может использоваться для предотвращения образования накипи в системе обратного осмоса путем обмена ионов, образующих накипь, на ионы, не образующие накипи.Как и в случае с блоком MMF, важно установить картриджный фильтр 5 микрон непосредственно после устройства для смягчения воды на тот случай, если нижний дренаж смягчителя выйдет из строя.
Бисульфит натрия (SBS) для инъекций
Добавляя бисульфит натрия (SBS или SMBS), который является восстановителем, в поток воды перед обратным осмотром в надлежащей дозе, вы можете удалить остаточный хлор.
Гранулированный активированный уголь (GAC)
GAC используется как для удаления органических компонентов, так и остаточных дезинфицирующих средств (таких как хлор и хлорамины) из воды.Носители GAC изготавливаются из угля, ореховой скорлупы или дерева. Активированный уголь удаляет остаточный хлор и хлорамины с помощью химической реакции, которая включает перенос электронов с поверхности GAC на остаточный хлор или хлорамины. Хлор или хлорамины превращаются в хлорид-ион, который больше не является окислителем.
Недостатком использования GAC перед установкой обратного осмоса является то, что GAC быстро удаляет хлор в самом верху слоя GAC. Это оставит остаток слоя GAC без какого-либо биоцида для уничтожения микроорганизмов.Слой GAC будет абсорбировать органические вещества по всему слою, которые являются потенциальной пищей для бактерий, поэтому в конечном итоге слой GAC может стать питательной средой для роста бактерий, которые могут легко перейти к мембранам обратного осмоса. Точно так же слой GAC может производить очень маленькие углеродные частицы при некоторых обстоятельствах, которые могут загрязнять RO.
Анализ тенденций и нормализация данных RO
Мембраны обратного осмоса являются сердцем системы обратного осмоса, и необходимо собрать определенные данные, чтобы определить состояние мембран обратного осмоса.Эти точки данных включают в себя давление в системе, потоки, качество и температуру. Температура воды прямо пропорциональна давлению. По мере снижения температуры воды она становится более вязкой, и поток пермеата обратного осмоса будет падать, поскольку для проталкивания воды через мембрану требуется большее давление. Аналогичным образом, когда температура воды увеличивается, поток пермеата обратного осмоса увеличивается. В результате данные о производительности для системы обратного осмоса должны быть нормализованы, чтобы изменения потока не интерпретировались как аномальные, когда нет проблем.Нормализованные потоки, давления и удаление солей должны быть рассчитаны, нанесены на график и сопоставлены с исходными данными (когда RO был введен в эксплуатацию или после того, как мембраны были очищены или заменены), чтобы помочь устранить любые проблемы, а также определить, когда чистить или проверять мембраны на предмет выявления неисправностей. наносить ущерб. Нормализация данных помогает отобразить истинную производительность мембран обратного осмоса. Как правило, когда нормализованное изменение составляет +/- 15% от базовых данных, вам необходимо принять меры. Если вы не следуете этому правилу, то очистка мембран обратного осмоса может оказаться не очень эффективной для возвращения мембран к почти новым характеристикам.
Очистка мембраны обратного осмоса
Мембраныобратного осмоса неизбежно потребуют периодической очистки от 1 до 4 раз в год в зависимости от качества питательной воды. Как правило, если нормализованный перепад давления или нормализованный проход соли увеличился на 15%, то пора очистить мембраны обратного осмоса. Если нормализованный поток пермеата снизился на 15%, то также пора очистить мембраны обратного осмоса. Вы можете очистить мембраны обратного осмоса на месте или попросить их удалить из системы обратного осмоса и очистить за пределами объекта в сервисной компании, которая специализируется на этой услуге.Было доказано, что очистка мембран за пределами площадки более эффективна для обеспечения лучшей очистки, чем очистка салазок на месте.
Очистка мембраныRO включает в себя очистители с низким и высоким pH для удаления загрязнений с мембраны. Накипь устраняется с помощью очистителей с низким pH и органических веществ, коллоидные и биообрастающие вещества обрабатываются очистителем с высоким pH. Очистка мембран обратного осмоса — это не только использование соответствующих химикатов. Есть много других факторов, таких как потоки, температура и качество воды, правильно спроектированные и рассчитанные на очистные устройства и многие другие факторы, которые должна учитывать опытная сервисная группа, чтобы правильно очистить мембраны обратного осмоса.
Резюме
Обратный осмос — это эффективная и проверенная технология производства воды, которая подходит для многих промышленных применений, требующих деминерализованной или деионизированной воды. Дальнейшая последующая обработка после системы обратного осмоса, такая как деионизация в смешанном слое, может повысить качество пермеата обратного осмоса и сделать его пригодным для самых требовательных применений. Правильная предварительная обработка и мониторинг системы обратного осмоса имеют решающее значение для предотвращения дорогостоящего ремонта и внепланового обслуживания.При правильной конструкции системы, программе технического обслуживания и квалифицированной сервисной поддержке ваша система обратного осмоса должна обеспечивать долгие годы воды высокой чистоты.
2.1 Опреснение обратным осмосом
Опреснение — это процесс разделения, используемый для снижения содержания растворенных солей в соленой воде до приемлемого уровня. Все процессы опреснения включают три жидких потока: соленую питательную воду (солоноватая вода или морская вода), вода с низким содержанием солей и очень соленый концентрат (рассол или сбросная вода).
Соленая питательная вода берется из океанических или подземных источников. В процессе опреснения он разделяется на два выходных потока: поток воды с низким содержанием соли и потоки концентрата с высокой степенью солености. Использование опреснения преодолевает парадокс, с которым сталкиваются многие прибрежные общины, когда они имеют доступ к практически неисчерпаемым запасам соленой воды, но не имеют возможности ее использовать. Хотя некоторые вещества, растворенные в воде, такие как карбонат кальция, можно удалить с помощью химической обработки, для других распространенных компонентов, таких как хлорид натрия, требуются более технически сложные методы, известные под общим названием опреснение.В прошлом сложность и дороговизна удаления из воды различных растворенных солей делали соленые воды непрактичным источником питьевой воды. Однако, начиная с 1950-х годов, опреснение стало казаться экономически практичным для обычного использования при определенных обстоятельствах.
Вода, полученная в процессе опреснения, обычно представляет собой воду с содержанием растворенных твердых веществ менее 500 мг / л, которая подходит для большинства бытовых, промышленных и сельскохозяйственных целей.
Побочным продуктом опреснения является рассол.Рассол — это концентрированный солевой раствор (с более чем 35 000 мг / л растворенных твердых веществ), который необходимо утилизировать, как правило, путем сброса в глубокие соленые водоносные горизонты или поверхностные воды с более высоким содержанием соли. Рассол также можно разбавить очищенными сточными водами и утилизировать путем распыления на поля для гольфа и / или другие открытые пространства.
Техническое описание
Существует два типа мембранных процессов, используемых для опреснения: обратный осмос (RO) и электродиализ (ED).Последний обычно не используется в Латинской Америке и Карибском бассейне. В процессе обратного осмоса вода из солевого раствора под давлением отделяется от растворенных солей, протекая через водопроницаемую мембрану. Пермеат (жидкость, протекающая через мембрану) стимулируется протеканием через мембрану за счет перепада давления, создаваемого между подаваемой под давлением питательной водой и водой-продуктом, которая находится под давлением, близким к атмосферному. Оставшаяся питательная вода проходит через сторону реактора под давлением в виде рассола.Никакого нагрева или смены фаз не происходит. Основная потребность в энергии приходится на начальное повышение давления питательной воды. Для опреснения солоноватой воды рабочее давление составляет от 250 до 400 фунтов на квадратный дюйм, а для опреснения морской воды — от 800 до 1000 фунтов на квадратный дюйм.
На практике питательная вода перекачивается в закрытый контейнер напротив мембраны, чтобы создать в ней давление. По мере прохождения воды через мембрану оставшаяся питательная вода и солевой раствор становятся все более и более концентрированными.Чтобы снизить концентрацию оставшихся растворенных солей, часть этого концентрированного раствора питательной воды и рассола отбирается из контейнера. Без этого разряда концентрация растворенных солей в питательной воде продолжала бы увеличиваться, что потребовало бы постоянно увеличивающихся затрат энергии для преодоления естественно повышенного осмотического давления.
Система обратного осмоса состоит из четырех основных компонентов / процессов: (1) предварительная обработка, (2) создание давления, (3) мембранное разделение и (4) стабилизация после обработки.На рисунке 16 показаны основные компоненты системы обратного осмоса.
Предварительная обработка: Входящая питательная вода предварительно обрабатывается для обеспечения совместимости с мембранами путем удаления взвешенных твердых частиц, регулирования pH и добавления порогового ингибитора для контроля образования накипи, вызываемого такими компонентами, как сульфат кальция.
Повышение давления: Насос повышает давление предварительно очищенной питательной воды до рабочего давления, соответствующего мембране и солености питательной воды.
Разделение: Проницаемые мембраны препятствуют прохождению растворенных солей, в то же время позволяя опресненной воде продукта проходить через них. Подача питательной воды на мембранный узел приводит к потоку пресноводного продукта и потоку отбракованного концентрированного рассола. Поскольку никакая мембрана не обеспечивает идеального отторжения растворенных солей, небольшой процент соли проходит через мембрану и остается в воде продукта. Мембраны обратного осмоса бывают самых разных конфигураций.Двумя наиболее популярными являются мембраны со спиральной намоткой и мембраны из полых тонких волокон (см. Рисунок 17). Обычно они изготавливаются из ацетата целлюлозы, ароматических полиамидов или, в настоящее время, из тонкопленочных полимерных композитов. Оба типа используются для опреснения солоноватой воды и морской воды, хотя конкретная мембрана и конструкция сосуда высокого давления различаются в зависимости от различных рабочих давлений, используемых для двух типов питательной воды.
Стабилизация: Вода, получаемая из мембранного узла, обычно требует корректировки pH и дегазации перед подачей в систему распределения для использования в качестве питьевой воды.Продукт проходит через аэрационную колонну, в которой pH повышен от значения приблизительно 5 до значения, близкого к 7. Во многих случаях эта вода сливается в резервуар для хранения для дальнейшего использования.
Рисунок 16: Элементы процесса опреснения обратным осмосом.
Источник: O.K. Buros, et. Al., The USAID Desalination Manual, Englewood, N.J., U.S.A., IDEA Publications.
Объем использования
Производительность опреснительных установок обратного осмоса, проданных или установленных в течение 20-летнего периода с 1960 по 1980 год, составила 1 050 600 м 3 / день.В течение последних 15 лет эта мощность продолжала расти в результате снижения затрат и технического прогресса. Опресненная вода обратным осмосом используется в качестве питьевой воды в промышленных и сельскохозяйственных целях.
Использование питьевой воды : Технология обратного осмоса в настоящее время используется в Аргентине и северо-восточном регионе Бразилии для опреснения грунтовых вод. Новые мембраны проектируются для работы при более высоких давлениях (от 7 до 8,5 атм) и с большей эффективностью (удаляя от 60% до 75% соли плюс почти все органические вещества, вирусы, бактерии и другие химические загрязнители).
Промышленное использование : В промышленных применениях, где требуется чистая вода, например, в производстве электронных компонентов, специальных продуктов питания и фармацевтических препаратов, обратный осмос используется в качестве элемента производственного процесса, где концентрируют и / или фракционируют влажного технологического потока.
Сельское хозяйство Использование : Фермеры, выращивающие в теплицах и на гидропонике, начинают использовать обратный осмос для опреснения и очистки поливной воды в теплицах (в воде, полученной методом обратного осмоса, обычно меньше бактерий и нематод, который также помогает контролировать болезни растений).Технология обратного осмоса была использована для этого типа применения фермером из штата Флорида, США, который производит европейские огурцы в помещении площадью 22 ак. теплица увеличилась с примерно 4 000 дюжин огурцов в день до 7 000 дюжин, когда фермер изменил подачу оросительной воды с загрязненного поверхностного водного канала на опресненный методом обратного осмоса источник солоноватых грунтовых вод. Использовалась система обратного осмоса 300 л / день, производящая воду с содержанием натрия менее 15 мг / л.
На некоторых Карибских островах, таких как Антигуа, Багамы и Британские Виргинские острова (см. Тематическое исследование в Части C, Глава 5), технология обратного осмоса использовалась для обеспечения коммунального водоснабжения с умеренным успехом.
На Антигуа есть пять установок обратного осмоса, которые обеспечивают водой Департамент водоснабжения Управления коммунального хозяйства Антигуа. Производительность каждой установки обратного осмоса составляет 750 000 л / сут. За восемнадцатимесячный период с января 1994 г. по июнь 1995 г. завод в Антигуа произвел от 6,1 до 9,7 млн л / сут. Кроме того, крупные курортные отели и компании по розливу имеют опреснительные установки.
На Британских Виргинских островах вся вода, используемая на острове Тортола, и примерно 90% воды, используемой на острове Вирджин-Горда, поставляется путем опреснения.На Тортоле около 4 000 водопроводов, обслуживающих 13 500 жителей, проживающих круглый год, и около 256 000 посетителей ежегодно. В 1994 году государственное предприятие водоснабжения закупило 950 миллионов литров опресненной воды для распределения на Тортоле. На острове Верджин-Горда есть два завода по опреснению морской воды. Оба имеют открытые водозаборы морской воды на расстоянии около 450 м от берега. Эти заводы обслуживают 2 500 жителей круглый год и 49 000 приезжих ежегодно. На Верджин-Горде 675 подключений к системе водоснабжения.В 1994 году государственное предприятие водоснабжения закупило 80 миллионов литров воды для распределения на острове Верджин-Горда.
В Южной Америке, особенно в сельских районах Аргентины, Бразилии и северного Чили, обратное осмосное опреснение используется в меньших масштабах.
Рис. 17. Два типа мембран обратного осмоса.
Источник: O.K. Buros, et. al .. The USAID Desalination Manual, Englewood, N.J., U.S.A., IDEA Publications
Эксплуатация и обслуживание
Опыт эксплуатации технологии обратного осмоса за последние 15 лет улучшился.У меньшего числа заводов были долговременные эксплуатационные проблемы. Предполагая, что правильно спроектированный и сконструированный блок установлен, основными рабочими элементами, связанными с использованием технологии обратного осмоса, будут ежедневный мониторинг системы и систематическая программа профилактического обслуживания. Профилактическое обслуживание включает калибровку прибора, регулировку насоса, проверку и регулировку подачи химикатов, обнаружение и ремонт утечек, а также структурный ремонт системы по запланированному графику.
Основной проблемой при эксплуатации установок обратного осмоса является загрязнение.Загрязнение возникает, когда поры мембраны забиваются солями или блокируются взвешенными частицами. Он ограничивает количество воды, которую можно обработать перед очисткой. Загрязнение мембраны можно исправить путем обратной промывки или очистки (примерно каждые 4 месяца) и заменой фильтрующих элементов картриджа (примерно каждые 8 недель). Сообщается, что срок службы мембраны в Аргентине составляет от 2 до 3 лет, хотя в литературе сообщается о более длительном сроке службы.
Для эксплуатации, технического обслуживания и мониторинга установок обратного осмоса требуется обученный инженерный персонал.Укомплектованность персоналом составляет приблизительно один человек на завод площадью 200 м 3 в день, увеличиваясь до трех человек для завода площадью 4 000 м 3 в день.
Уровень участия
Стоимость и масштабы установок обратного осмоса настолько велики, что только коммунальные предприятия водоснабжения с большим количеством потребителей, а также предприятия или курортные отели рассматривают эту технологию как вариант. Небольшие установки обратного осмоса построены в сельской местности, где нет другого варианта водоснабжения.В некоторых случаях, например на Британских Виргинских островах, правительство предоставляет земельные и налоговые и таможенные льготы, оплачивает объем полученной воды и контролирует качество продукции. Правительство также распределяет воду и в некоторых случаях оказывает помощь в эксплуатации заводов.
Затраты
Самыми значительными затратами, связанными с установками обратного осмоса, помимо капитальных затрат, являются затраты на электричество, замену мембран и рабочую силу.Все методы опреснения являются энергоемкими по сравнению с традиционными технологиями. В таблице 5 представлены общие капитальные затраты, а также затраты на эксплуатацию и техническое обслуживание для опреснителя обратным осмосом мощностью 5 мг / сут в США. Заявленные сметы затрат на установку обратного осмоса в Латинской Америке и Карибском бассейне показаны в Таблице 6. Разница в этих затратах отражает факторы, специфичные для участка, такие как мощность установки и содержание соли в питательной воде.
Международная ассоциация по опреснению воды (IDA) разработала программу расчета затрат на опреснение морской воды, которая предоставляет математические инструменты, необходимые для оценки сравнительных капитальных и общих затрат для каждого из процессов опреснения морской воды.
Таблица 5 Оценка затрат инженерного корпуса армии США на опреснительные установки обратного осмоса во Флориде
a Включает амортизацию капитала, эксплуатацию и техническое обслуживание, а также замену мембран.
b В феврале 1994 года сообщалось о ценах от 2,30 до 3,60 доллара.
Эффективность технологии
Двадцать пять лет назад исследователи изо всех сил пытались отделить производственные воды от 90% соли в питательной воде при уровне общего содержания растворенных твердых веществ (TDS) 1500 мг / л, используя давление 600 фунтов на квадратный дюйм и поток через мембрану 18 л / м 2 / сут.Сегодня типичные установки для соленой воды могут отделять 98% соли от питательной воды при уровнях TDS от 2500 до 3000 мг / л, используя давление от 13,6 до 17 атм и поток 24 л / м 2 / день — и гарантируя сделать это в течение 5 лет без замены мембраны. В современных технологиях используются тонкопленочные композитные мембраны вместо старых мембран из ацетата целлюлозы и полиамида. Композитные мембраны работают в более широком диапазоне pH, при более высоких температурах и в более широких химических пределах, что позволяет им выдерживать большее количество эксплуатационных злоупотреблений и условий, более часто встречающихся в большинстве промышленных приложений.В целом, эффективность восстановления установок обратного опреснения увеличивается со временем, пока не происходит загрязнения мембраны.
Пригодность
Эта технология подходит для использования в регионах, где легко доступна морская вода или солоноватоводные грунтовые воды.
Преимущества
· Система обработки проста; единственный усложняющий фактор — это поиск или производство чистой питательной воды, чтобы свести к минимуму необходимость частой очистки мембраны.· Системы могут быть собраны из предварительно упакованных модулей для производства воды в виде продукта в диапазоне от нескольких литров в день до 750 000 л / день для солоноватой воды и до 400 000 л / день для морской воды; Модульная система обеспечивает высокую мобильность, что делает установки обратного осмоса идеальными для аварийного водоснабжения.
· Стоимость установки невысока.
· Установки обратного осмоса имеют очень высокое соотношение площади и производственной мощности, от 25 000 до 60 000 л / день / м 2 .
· Не требующие ухода, в строительстве используются неметаллические материалы.
· Энергопотребление для обработки солоноватой воды составляет от 1 до 3 кВтч на 1 0001 продукта воды.
· Технологии обратного осмоса позволяют использовать практически неограниченный и надежный источник воды — море.
· Технологии обратного осмоса могут использоваться для удаления органических и неорганических загрязнений.
· Помимо необходимости утилизации рассола, RO оказывает незначительное воздействие на окружающую среду.
· Технология требует минимального использования химикатов.
Недостатки
· Мембраны чувствительны к неправильному обращению.· Питательная вода обычно требует предварительной обработки для удаления твердых частиц (для продления срока службы мембраны).
· Могут быть перебои в работе во время штормовой погоды (что может увеличить повторное взвешивание твердых частиц и количество взвешенных твердых частиц в питательной воде) для установок, использующих морскую воду.
· Работа установки обратного осмоса требует высоких стандартов качества материалов и оборудования.
· Часто требуется иностранная помощь для проектирования, строительства и эксплуатации станций.
· Необходимо поддерживать обширный инвентарь запчастей, особенно если это заводы иностранного производства.
· Рассол необходимо утилизировать осторожно, чтобы избежать вредного воздействия на окружающую среду.
· Существует риск бактериального заражения мембран; в то время как бактерии задерживаются в потоке рассола, рост бактерий на самой мембране может привнести вкус и запах в воду продукта.
· Технологии обратного осмоса требуют надежного источника энергии.
· Технологии опреснения имеют высокую стоимость по сравнению с другими методами, такими как добыча подземных вод или сбор дождевой воды.
Культурная приемлемость
Технологии обратного осмоса считаются дорогостоящими и сложными, что ограничивает их использование в дорогих прибрежных районах и ограниченное использование в районах с солеными грунтовыми водами, где отсутствует доступ к более традиционным технологиям. В настоящее время использование технологий обратного осмоса не имеет широкого распространения.
Дальнейшее развитие технологий
Процесс обратного осмоса для морской и солоноватой воды будет усовершенствован за счет следующих достижений:
· Разработка мембран, которые менее подвержены загрязнению, работают при более низком давлении и требуют меньшей предварительной обработки питательной воды.· Разработка более энергоэффективных технологий, более простых в эксплуатации, чем существующие технологии; в качестве альтернативы, разработка методологий рекуперации энергии, которые позволят лучше использовать энергию, вводимую в системы.
· Коммерциализация прототипа центробежной опреснительной установки обратного осмоса, разработанной Министерством национальной обороны Канады; этот процесс оказывается более надежным и эффективным, чем существующие технологии, и является экономически привлекательным.
Источники информации
Контакты
Джон Брэдшоу, Инженер и менеджер по водоснабжению, Управление коммунального хозяйства Антигуа, почтовый ящик 416, Темз-стрит, ул.Джонс, Антигуа. Тел / факс (809) 462-2761.
Главный исполнительный директор, Crystal Palace Resort & Casino, Marriot Hotel, Post Office Box N 8306, Cable Beach, Нассау, Багамы. Тел. (809) 32-6200. Факс (809) 327-6818.
Общий Менеджер , Water and Sewerage Corporation, Post Office Box N3905, Нассау, Багамы. Тел. (809) 323-3944. Факс (809) 322-5080.
Главный исполнительный директор, Atlantis Hotel, Sun International, Post Office Box N4777, Paradise Island, Нассау, Багамы.Тел. (809) 363-3000. Факс (809) 363-3703.
Винсент Суини, Инженер-сантехник, c / o Карибский институт гигиены окружающей среды (CEHI), почтовый ящик 1111, Кастри, Сент-Люсия. Тел. (809) 452-2501. Факс (809) 453-2721. Эл. Почта: [email protected].
Гильермо Навас Брюле, Ingeniero Especialista Asuntos Ambientales, Codelco Chile Div. Чукикамата Фоно, Калама, Чили. Тел. (56-56) 32-2207.Факс (56-56) 32-2207.
Уильям Т. Эндрюс , Управляющий директор, Ocean Conversion (BVI) Ltd, почтовый ящик 122, Род-Таун, Тортола, Британские Виргинские острова.
Роберта Эспехо Гуасп , Facultad de Ciencias, Universidad Católica del Norte, Departamento Física, Av. Angamos 0610, Casilla de Correo 1280, Антофагаста, Чили. Тел. (56-55) 24-1148 anexo 211-312-287. Факс (56-55) 24-1724 / 24-1756. Электронная почта: respejo @ socompa.cecun.ucn.cl.
Мария Тереза Рамирес, Ingeniero de Proyectos, Aguas Industriales, Ltda., Williams Rebolledo 1976, Сантьяго, Чили. Тел. (562) 238-175С. Факс (562) 238-1199.
Клаудисон Родригес, Economista, Instituto ACQUA, Rua de Rumel 300/401, 22210-010 Рио-де-Жанейро, Рио-де-Жанейро, Бразилия. Тел. (55-21) 205-5103. Факс (55-51) 205-5544. Электронная почта: [email protected].
Джозеф Э. Уильямс, Главный специалист по гигиене окружающей среды, Департамент гигиены окружающей среды, Министерство здравоохранения и социального обеспечения, Данкомб-Элли, Гранд-Терк, острова Теркс и Кайкос, БВИ.Тел. (809) 946-2152 / 946-1335. Факс (809) 946-2411.
Библиография
Биркетт, Дж. Д. (1987). «Факторы, влияющие на экономику опреснения». В Использование нетрадиционных водных ресурсов в развивающихся странах. Нью-Йорк, Организация Объединенных Наций, стр. 89-102. (Серия «Природные ресурсы / вода» № 22)
Боари, и др. 1978. «Производительность пилотных установок R.O. по опреснению солоноватой воды», Desalination, 24, стр.341-364.
Buros, O.K. 1987. «Введение в опреснение». В Использование нетрадиционных водных ресурсов в развивающихся странах. Нью-Йорк, Организация Объединенных Наций, стр. 37–53. (Серия «Природные ресурсы / вода» № 22)
—- и др. 1982. Руководство USAID по опреснению. Энглвуд, Нью-Джерси, США, ИДЕЯ. (Первоначально опубликовано USAID / Ch3M Hill)
Cant, R.V. 1980. «Сводка комментариев к установке обратного осмоса на озере Килларни Р.А. Тидболла».»‘In P. Hadwen (ed.). Proceedings of the United Nations Seminar on Small Island Water Problems, Barbados. New York, UNDP. Pp. 552-554.
Чайлдс, У.Д. и А.Е. Дабири. 1992. «Экономия на опреснении или VARI-RO». Pumping Technology, 87, стр. 109-135.
de Gunzbourg, J., and T. Froment. 1987. «Строительство солнечной опреснительной установки (40 куб. М / день) для Карибского острова», Desalination, 67, стр. 53-58.
Додеро, Э., и другие. 1983. «Tres Años de Experiencia en la Planta de Desalinación de Aguas de Selva, Provincia de Santiago del Estero». Доклад представлен на 6 ° Congreso Argentino de Saneamiento, Сальта, Аргентина.
Айзенберг, Тальберт Н. и Э. Джо Миддлбрукс. 1992. «Обзор проблем очистки воды с помощью обратного осмоса», журнал Американской ассоциации водопроводных сооружений, 76 (8), стр. 44.
Furukawa, D.H., and G. Milton. 1977. «Обратный осмос с высоким коэффициентом извлечения с сульфатом стронция и бария в солоноватой колодезной воде», Desalination, 22 (1,2,3), стр.345.
Гиббс, Роберт, 1982. «Desalinización en México: Uso de la Tecnología Existente Mas Innovación», Agua (Хьюстон, Техас), 1, 3; 4. С. 17-20.
Гомес, Эвенсио Г. 1979. «Десятилетний опыт эксплуатации на опреснительной установке мощностью 7,5 млн гд; Росарито Б. Кафа, Мексика», Desalination, 31 (1), стр. 77-90.
Холл, W.A. 1980. «Опреснение: решение или новая проблема для водоснабжения острова». В P. Hadwen (ed.), Proceedings of the United Nations Seminar on Small Island Water Problems, Barbados. Нью-Йорк, ПРООН, стр. 542-543.
МАР. 1988. Всемирный перечень опреснительных установок. Топсфилд, Массачусетс, США.
Лаванд, Т.А. 1987. «Опреснение с помощью возобновляемых источников энергии». В Использование нетрадиционных водных ресурсов в развивающихся странах. Нью-Йорк, Организация Объединенных Наций, стр. 66–86. (Серия «Природные ресурсы / вода» № 22)
Libert, J.J. 1982. «Опреснение и энергия», Desalination, 40, стр. 401-406.
Нихаус, Ф.Гильермо. 1991. «Сепарасьон пор мембран». В Segundo Seminario de Purificación y Tratamiento de Agua, Сантьяго, Colegio de Ingenieros de Chile, стр. 51-63.
Управление оценки технологий (OTA). 1988. Использование технологий опреснения / или очистки воды. Вашингтон, округ Колумбия, Конгресс США.
Toelkes, W.E. 1987. «Проект опреснения Эбей: полное использование отработанного тепла дизельного топлива», Desalination, 66, стр. 59-66.
Торрес, М., J.A. Вера и Ф. Фернандес. 1985. «20 лет опреснения на Канарских островах, стоило ли оно того?» Aqua, 3, pp. 151–155.
Трояно, Ф. 1979. «Вводный отчет (опреснение: эксплуатация и экономические аспекты управления)». В г. Семинар по отдельным водным проблемам на островах и прибрежных территориях с особым вниманием к опреснению грунтовых вод, Сан-Антон, Мальта. Нью-Йорк, Pergamon Press, стр. 371-375.
Водопроводно-канализационные сооружения. 1988. «Обратный осмос, используемый для опреснения воды в морском мире», 124 (3), стр. 81.
Уайлд, Питер М. и Джеффри В. Виккерс. 1991. «Технические и экономические преимущества центробежного опреснения обратным осмосом». В МАР Всемирная конференция по опреснению и повторному использованию воды. Топсфилд, Массачусетс, США, IDP.
World Water. 1982. «Системы опреснения для искусственных островов», июль, стр. 39-42.
—-. 1984. «Скорость обновления RO может быть критической», июль, стр.35-39.
—-. 1986. «Обратный осмос по-прежнему нуждается в тщательном лечении», декабрь, стр. 33-35.
8 Лучшая система обратного осмоса
Желание всегда пить чистую, безопасную воду — это нормально.
Если вы всегда не были уверены в том, откуда берется вода, вам обязательно нужно найти способ фильтровать воду перед ее использованием.
Сегодня на рынке доступно множество типов фильтров, но большинство людей выбирают лучшие системы обратного осмоса.
Эта технология существует уже давно и всегда обеспечивает пользователям высококачественный результат.
8 лучших систем обратного осмоса на рынке
Теперь, когда у вас есть идея, с чего начать, вы хотите знать, где получить лучшую систему обратного осмоса за свои деньги.
Если вы собираетесь выбрать лучшую доступную модель, вы должны учитывать возможности каждой из них. Не все модели созданы одинаковыми.
Вы хотите найти фильтр с превосходными характеристиками фильтрации, компактной конструкцией, простотой установки и обслуживания и доступной ценой.
С помощью этого руководства вы сможете легко решить, какую модель устройства для фильтрации воды вы хотите приобрести для своего дома.
Лучшая система обратного осмоса Обзоры
1. iSpring 6-ступенчатая система обратного осмоса с превосходным вкусом и высокой производительностью под мойкой
В этой модели есть кое-что новенькое, чтобы предложить всем, кто хочет приобрести систему обратного осмоса для своего дома. Он обогащен щелочью, которая важна для восстановления минералов, которые теряются в процессе обратного осмоса.
Магний и кальций снова добавляются в воду даже после удаления. Это еще больше поможет улучшить вкус воды по сравнению с водой в бутылках, которую люди покупают в магазинах.
Уровень отбраковки загрязняющих веществ составляет до 99 процентов. Этот показатель важен для того, чтобы сказать вам, сколько примесей удаляется в процессе обратного осмоса. Поскольку обратный осмос — один из самых эффективных методов фильтрации воды, этот продукт позволяет легко удалить обычные загрязнения в максимальной степени.
Вам также понравится дизайн. Хоть он и будет под раковиной, но все равно выглядит великолепно. После обновления для улучшения функциональности вы обнаружите, что эта модель всегда обеспечивает наилучшую производительность.
Тот факт, что это шестиступенчатая модель, является еще одним доказательством того, что производительность всегда будет такой, какая вам нужна. Он будет доставлять около 75 галлонов фильтрованной воды в день. При такой скорости вам никогда не придется оставаться без свежей чистой воды ни на один час.
Плюсы
- Сравнительно недорого
- Доступные фильтры
- Дешевые фильтры
- Шестиступенчатый фильтр
- Низкий коэффициент сточных вод
Минусы
- Для установки необходимы дополнительные навыки
2. Сертификат APEC Top Tier Supreme High Output 90 GPD
Это небольшая система обратного осмоса, которую стоит рассмотреть. Благодаря своему небольшому размеру, он легко поместится в большинстве шкафов на вашей кухне.
Поскольку он производится ведущим брендом, вы можете быть уверены, что он всегда будет обеспечивать исключительную производительность. Удалив большое количество загрязнений, вы легко получите почти идеально чистую воду.
Эта модель имеет 5-ступенчатый процесс фильтрации. Такая система должна всегда обеспечивать высокую производительность, которая вам нужна. С добавлением экструдированных двойных углеродных блоков теперь вы можете избавиться от любого неприятного запаха, цвета и загрязнений, которые могут придать воде неприятный вкус.
Эта модель является одной из лучших по емкости, поскольку она обеспечивает до 90 галлонов фильтрованной воды в день. Вы обнаружите, что используете его часто и никогда не испытываете недостатка в чистой питьевой воде.
Плюсы
- Нет протечек
- Впечатляющее качество
- Фильтры большой емкости
- Двойные карбоновые блоки
Минусы
- Имеет низкое давление воды
3. Подошва артезианская полноконтактная Home Master TMAFC
Эта модель даст вам нечто отличное от всего, что вы использовали раньше.Он популярен благодаря инновационному дизайну, который помогает поддерживать систему подачи питьевой воды наилучшего качества каждый раз, когда вам это нужно.
Удивительно, как он может фильтровать воду на семи различных стадиях. Эти ступени предназначены для обеспечения максимальной чистоты и качества воды в любое время.
Если вы сравните его с другими моделями, вы поймете, что эта модель включает в себя еще несколько этапов процесса фильтрации. В этой модели используется каталитическая углеродная фильтрующая среда, которая важна для удаления большей части хлора из воды.
По сравнению с некоторыми другими моделями, эта имеет ступень, которая помогает восстановить баланс уровня pH воды. Это важно для того, чтобы вода, которую вы в конечном итоге пьете, имела правильный уровень pH, а также улучшала вкус.
Если вы посмотрите другие обзоры, вы заметите, что эта модель получает много положительных отзывов. Это хорошее доказательство того, что эта модель одна из лучших и всегда удовлетворит ваши потребности в чистой воде.
Плюсы
- Семиступенчатая система фильтрации
- Удаляет большинство загрязняющих веществ
- Помогает сбалансировать уровень pH
- Каталитическая угольная система
Минусы
- Обработанная вода не всегда может иметь правильный баланс pH
4.5-ступенчатая система обратного осмоса Global Water RO-505
Больше людей, чем когда-либо, хотят отфильтровать воду перед использованием, и всем им нужна работающая модель. Что ж, он здесь, чтобы дать вам все, что вам нужно, когда дело доходит до систем фильтрации обратного осмоса. Вам больше не нужно тратить много денег на покупку воды в бутылках, когда вместо этого вы можете получить систему фильтрации воды с обратным осмосом, такую как эта.
Эта модель оснащена высокопроизводительной 5-ступенчатой системой фильтрации.Это должно гарантировать, что вы в конечном итоге удалите большую часть загрязняющих веществ, а также получите воду с лучшим вкусом.
Высокое качество фильтрации обеспечивается фильтрами премиум-класса NSF, входящими в состав этой системы. Эти фильтры имеют отличные характеристики, уменьшая количество растворенных твердых частиц, а также удаляя до 99 процентов их. Некоторые из распространенных загрязнителей включают свинец, хлор, бактерии и многие другие.
Система также может быть запущена в кратчайшие сроки. Это связано с высококачественной соединительной арматурой, которую легко собрать даже для новичка в системе.Поскольку части системы на 100% не содержат свинца, вы можете использовать ее сколько угодно часто, не беспокоясь о каких-либо загрязнениях.
Плюсы
- Впечатляющая фильтрация воды
- Тихая работа
- Прочная конструкция
- Простота установки
Минусы
5. Система фильтрации воды с обратным осмосом Express Water 50 GPD
Это определенно одна из лучших систем фильтрации воды с самыми высокими показателями, которые вы можете увидеть на рынке.Первое, что следует отметить, это его размер — вы обнаружите, что он идеально подходит для использования в кухонных шкафах. Производитель также упростил установку, поэтому вы можете делать это дома, не прибегая к услугам сантехника.
Использование 5-ступенчатой системы фильтрации является обычным явлением, но с этой моделью вы получите гораздо больше. Производительность будет наивысшего уровня, с повышенной эффективностью процесса фильтрации воды.
Фильтр 5-Micon на первом этапе важен для удаления как крупных, так и мелких частиц из воды.Остальные этапы обеспечивают безопасность и чистоту воды для питья.
Многие люди, которые использовали эту модель, согласны с тем, что это один из самых простых способов фильтрации воды в домашних условиях. Вы можете приобрести его сегодня, чтобы узнать больше о преимуществах владения этой превосходной моделью.
Плюсы
- Впечатляющая фильтрация воды
- Удаляет 99 процентов загрязняющих веществ
- Включены бесплатные фильтры
- Поставляется с передовыми технологиями
Минусы
- Инструкции могут быть не понятны для всех
6.Экспресс-вода RO10MX 5 Stage Home Drinking
Еще одна топовая модель, долгое время пользующаяся популярностью. Эта модель всегда будет привлекательной для многих людей, потому что она может легко обеспечить желаемый уровень производительности.
Одна из особенностей, которые нравятся людям больше всего, — это вместимость. Он может доставлять до 100 галлонов фильтрованной воды в день.
Размер также позволяет легко разместить его под кухонными шкафами. Вам не придется беспокоиться о том, чтобы он поместился в нужном месте, так как размер идеален.
Эта модель изготовлена из материалов, на 100% не содержащих свинец. Это помогает гарантировать, что вы получите устройство, которое гарантирует, что отфильтрованная вода безопасна для потребления пользователями.
Использование 5-ступенчатой системы фильтрации может быть обычным явлением, но для этой модели она всегда работает. Этот превосходный фильтр удалит из воды все загрязнения, а также запах, и вы получите воду с лучшим вкусом.
Плюсы
- Доступный
- Улучшенная технология фильтрации
- Впечатляющая сборка
Минусы
- Инструкцию можно улучшить
7.iSpring RCC7 Система обратного осмоса большой емкости под мойкой
Эта модель отмечена золотой печатью WQA, которая является гарантией того, что это отличный продукт. Это только одна вещь, которая вам в этом понравится. Кроме того, есть сертификаты NSF, еще более уверенные в том, что эта модель соответствует высоким стандартам качества сборки.
Еще одна важная вещь, которую следует отметить, это то, что это пятиступенчатая система фильтрации, и то, как она обеспечит вам наилучшее качество воды.Не многие модели на рынке используют пятиступенчатую систему, поэтому вы всегда можете быть уверены, что с этой моделью у вас не будет никаких проблем.
Согласно некоторым исследованиям, эта система удаляет более 99 процентов химикатов и загрязняющих веществ из воды. Вы можете быть уверены, что освежите питьевую воду в конце процесса.
Модель спроектирована таким образом, что даже неопытные мастера в кратчайшие сроки установят ее легко. Это также благодаря подробному руководству, которое вы получаете с продуктом.Вы также можете посмотреть несколько видеороликов «Сделай сам» на YouTube и узнать, насколько проста установка.
Доступная цена — еще одна причина, по которой вам понравится эта модель. Такой рентабельный продукт позволит вам сэкономить деньги и при этом иметь чистую воду.
Плюсы
- Простота установки
- Впечатляющее давление воды
- Может доставлять 75 галлонов в день
- Вода вкуснее
Минусы
- Неплотный
- Высокие потери воды
8.Ультра безопасная система фильтрации питьевой воды с обратным осмосом APEC высшего уровня
Вы должны рассчитывать на большие преимущества при использовании лучшего продукта от ведущего бренда. Компания APEC известна тем, что производит одни из лучших систем фильтрации воды на рынке сегодня, и это одна из их лучших моделей.
Вы всегда можете положиться на этот продукт, чтобы получить желаемую производительность. Он также сделан достаточно маленьким, чтобы без проблем поместиться в кухонном шкафу.
Вы хотите быть уверены, что в конечном итоге получите модель, изготовленную в соответствии с надлежащими стандартами качества, а эта сделана в США. Любой, кто ищет модель высокого класса, захочет, чтобы она была сделана в США, так что это еще раз показывает, что перед поступлением в продажу модель соответствует более высоким стандартам качества.
Эта система фильтрации предназначена для обеспечения подачи высококачественной, чистой и фильтрованной воды в ваш дом в любое время. Благодаря способности удалять более 99 процентов загрязняющих веществ, обычно присутствующих в воде, он гарантирует, что у вас всегда будет чистая вода для питья.
Этот фильтр также удалит неприятный запах и неприятный запах, и в результате вы получите воду, которая не только будет чистой, но и вкусной.
Плюсы
- Малый размер
- Нет утечек
- Отличная производительность
- Удаляет запах
Минусы
- Смеситель некачественный
Какая система обратного осмоса лучше всего подходит для питьевой воды?
Чтобы считаться первоклассной системой обратного осмоса, фильтр для воды должен соответствовать нескольким важным стандартам.
- Размер: В отличие от прошлого, фильтры для воды в настоящее время построены с использованием недавно разработанной технологии, позволяющей им иметь меньший размер и более компактный размер, при этом обеспечивая качественную фильтрацию. Хороший фильтр для воды обратного осмоса не должен быть слишком громоздким, чтобы клиентам было легче перемещать и настраивать систему.
- Эффективность: фильтр для воды обратного осмоса должен отфильтровывать как можно больше загрязняющих веществ из воды, до 99%.
- Вкус: Важно заботиться о вкусе очищенной воды после процесса фильтрации.Чистая вода — это хорошо, но она также должна приносить удовольствие. Если полученная вода имеет неприятный вкус или странный запах, значит, фильтр для воды недостаточно хорош.
Есть еще стандарты хорошего фильтра обратного осмоса. Однако это зависит от вас, ваших стандартов и того, что вы ищете. Позже мы обсудим, как определить, какая из систем фильтрации воды обратного осмоса является лучшей для вас.
Лучший бренд системы обратного осмоса
Все больше и больше людей осознают преимущества и необходимость чистой питьевой воды.Это заставляет рынок фильтров для воды расширяться день ото дня.
Доказано, что это один из лучших методов фильтрации воды, рынок фильтров для воды обратного осмоса, в частности, быстро расширяется.
Среди всех брендов на рынке есть несколько брендов, которые создали себе отличную репутацию. Эти бренды неизменно производят модели фильтров хорошего качества.
Вот лучшие бренды на рынке обратного осмоса в настоящее время.
- IS Весна
- Домашний мастер
- АТЭС
- Водный экспресс
Как выбрать систему обратного осмоса для домашнего использования?
Если честно, ответить на этот вопрос непросто.Среди брендов в этом списке нет «плохих» фильтров для воды. Любой из этих фильтров отлично работает. Однако некоторые фильтры подходят вам лучше, чем другие.
Как найти лучший фильтр обратного осмоса?
Перед выбором системы обратного осмоса вам необходимо задать себе несколько вопросов.
- Хотите установить систему обратного осмоса в кухонном шкафу или шкафу под раковиной? Каковы размеры ваших шкафов?
Если вы хотите установить систему в шкафу, убедитесь, что размер всей системы, включая фильтр и резервуар, может поместиться в вашем шкафу. - Какой вкус у вашей водопроводной воды?
Если у вашей воды необычный вкус, вы можете подумать о покупке системы обратного осмоса, которая имеет дополнительную ступень для регулировки вкуса и запаха вашей воды. - Каков уровень pH водопроводной воды?
Проверьте свою водопроводную воду. Если она кислая, подумайте о покупке системы с дополнительной ступенью для стабилизации и уравновешивания уровня pH воды. Вода со сбалансированным pH не только полезна для здоровья, но и вкуснее. - А аксессуары?
Насколько вы заботитесь об аксессуарах, поставляемых с системой? Если вы действительно заботитесь об их качестве, а также о самой системе, не забудьте проверить качество сборщика и включенных фильтров.
В зависимости от исходного состояния водопроводной воды вы можете судить, какой фильтр для воды обратного осмоса будет лучшим для вас и вашего дома. Поскольку не вся водопроводная вода начинается с одной и той же стартовой линии, выбор системы фильтрации воды на основе качества водопроводной воды поможет вам достичь лучшей финишной черты.
Преимущества системы обратного осмоса для питья?
Питьевая фильтрованная вода обратного осмоса дает много преимуществ. Вот некоторые из наиболее важных преимуществ.
Восстановление содержания натрия в мягкой воде
Система фильтрации обратного осмоса может отфильтровывать многие растворенные химические вещества, в том числе натрий. Натрий не является опасным химическим веществом, поэтому он не часто фильтруется другими системами фильтрации. Однако высокий уровень натрия в воде не только вреден для вашего здоровья, но и ухудшает вкус воды.
Система обратного осмоса — это система, которая достаточно эффективна, чтобы удалить до 99% всех растворенных химикатов и соединений, включая натрий. Благодаря этому вода обратного осмоса полезнее водопроводной.
Лучшее для готовки
При приготовлении любые ингредиенты могут повлиять на вкус еды. Поскольку вода является важной частью многих блюд, содержащиеся в ней примеси повлияют на качество вашей еды. Когда вы варите макароны, готовите суп или запекаете, вода со странным вкусом, несомненно, окажет негативное влияние на пищу.
При использовании системы обратного осмоса все примеси и загрязнения, включая натрий, растворенные химические вещества, удаляются, оставляя воду настолько чистой, насколько это возможно. Следовательно, это не приведет к появлению странного вкуса или изменению цвета пищи.
Чистые кубики льда
Когда вы замораживаете воду, чтобы сделать лед, вы когда-нибудь видели крошечные частицы или облачные облака в кубиках льда? Это из-за примесей водопроводной воды.
Использование системы обратного осмоса удалит 99% всех загрязнений, включая грязные частицы, неприятный привкус и помутнение.Использование воды, обработанной обратным осмосом, для изготовления льда позволит получить кристально чистые кубики льда. Подобно тому, как пить чистую воду будет полезно для вашего здоровья, использование чистого льда в ваших напитках также будет полезно для вашего здоровья.
Лучше вкус
Примеси и химические вещества в воде могут влиять на вкус воды. Система обратного осмоса может удалить загрязнения, а также неприятный вкус и странный запах. При использовании системы обратного осмоса в воде не останется странного привкуса, а иногда и с добавлением минералов, что значительно улучшает вкус воды.
Льготы для здоровья
Самым важным и очевидным преимуществом воды обратного осмоса является польза для здоровья. Загрязненная вода может опасно повлиять на здоровье пьющих. Благодаря использованию системы обратного осмоса удаляется 99% всех загрязнений, включая опасные химические вещества и примеси. Это избавит воду от загрязняющих веществ и болезней, обеспечив здоровье вам и вашей семье.
Как установить систему обратного осмоса?
Система обратного осмоса — одна из эффективных систем, установка которой не требует больших усилий.Вся система достаточно проста, чтобы любой пользователь мог ее самостоятельно установить дома. Вам просто нужно будет выполнить следующие действия.
Расположение
Перед установкой чего-либо вам нужно будет решить, где вы хотите установить систему. Большая часть системы может аккуратно вписаться в любой кухонный шкаф или тумбу под раковиной.
Подключение к линии холодной воды
Есть несколько вариантов подключения трубопровода холодной воды к системе обратного осмоса. Существует стандартный метод, называемый седловым клапаном.
В комплекте часто идет седловой клапан. Вам потребуется установить хомут седлового клапана на трубопроводе холодной воды. Отрегулируйте клапан, затянув ремень так, чтобы он плотно прилегал к контуру трубы.
Подключение дренажной линии
Примерно в 6 дюймах над ловушкой просверлите отверстие диаметром 5/16 дюйма в одной стенке трубы. Теперь вы можете вынуть сливной хомут и приступить к прикреплению сливного хомута к трубе. Не забудьте убедиться, что отверстие в зажиме точно совмещено с отверстием в трубе.Затем затяните хомут. Вы закончили этот шаг.
Подготовка места под смеситель
Для установки на фарфор, эмаль, керамику, металл или чугун вы можете начать с отметки центра счетчика пилотным отверстием ¼ ”. Затем аккуратно просверлите отверстие с ямкой для кладки через фарфоровый уровень. Просто продолжай, пока не покажется металл. Не забывайте использовать легкое давление и медленную скорость, чтобы не переборщить. Когда вы дойдете до металлической секции, переключитесь на стандартную резку металла и продолжайте резать металл.Продолжайте увеличивать пилотное отверстие, пока оно не достигнет диаметра ½ дюйма.
Монтаж смесителя
Теперь достаньте кран из упаковки. Снимите метизы с протоптанного хвостовика. Затем нужно пропустить резьбовой стержень через воронку. Отрегулируйте и сориентируйте кран, чтобы убедиться, что он смотрит в правильную сторону.
Проденьте стопорную шайбу и шестигранную гайку снизу раковины через стержень с резьбой. Затем с помощью гаечного ключа осторожно затяните кран.
Подключение системы с цветовой кодировкой
Большая часть систем обратного осмоса поставляется с трубками с цветовой кодировкой, чтобы помочь вам лучше установить систему.
- Подсоедините седловой клапан к оранжевой линии подачи воды. Обычно в установочный комплект входит пластиковая втулка из делрина. Используйте пластиковую втулку из делрина, чтобы помочь вам на этом этапе.
- Подсоедините черную линию непосредственно к сборке сливного зажима, которую вы установили ранее.
- Подключить зеленую линию к резервуару для воды обратного осмоса
- Подсоедините синюю линию к крану от системы.
Запустить систему
Не забудьте включить систему шаг за шагом.Сначала выключите шаровой кран накопительного бака, чтобы вода не попала в бак.
Затем откройте кран обратного осмоса на раковине. Первоначально вода, капающая из крана, может быть черной или очень мутной, это система водоснабжения, смывающая углеродную мелочь из системы угольной фильтрации. Подождите 10–15 минут, прежде чем закрыть кран.
Наконец, откройте клапан резервуара для хранения обратного осмоса. Оставьте его открытым, чтобы резервуар наполнился. Как только резервуар наполнится, откройте кран и полностью слейте воду из всей системы.Затем повторите этот процесс еще раз. Закройте кран обратного осмоса и дайте системе заполниться.
Установка фильтра воды обратного осмоса от APEC 5 ступени (RO-ES50) — Видео-гид
Как работает бытовая система обратного осмоса?
Домашняя система обратного осмоса подключается к линии холодной воды вашей домашней системы водоснабжения. При включении источника воды водопроводная вода будет проходить через систему обратного осмоса.Вода будет проходить через множество этапов фильтрации. Тогда вода будет храниться в резервуаре, и ее можно будет использовать в любое время.
Когда необходимо использовать, кран будет включен, и вода, обработанная обратным осмосом, будет выходить. Больше никаких хлопот и сложностей. После установки вы можете наслаждаться чистой и вкусной водой в любое время.
Как работает обратный осмос? — Видео
Где купить систему обратного осмоса?
Есть много мест, где можно купить систему обратного осмоса.С расширением рынка систем обратного осмоса вы можете купить систему обратного осмоса везде, как в Интернете, так и в магазинах.
Фильтр обратного осмоса можно найти во многих местных магазинах бытовой техники, таких как Lowe’s и Home Depot.
Вы можете легко найти эти продукты в известных розничных интернет-магазинах, таких как Amazon, eBay, или на веб-сайтах хозяйственных магазинов.
Если вы хотите найти его, вы можете легко найти его где угодно, где бы вы ни находились. Таким образом, нет никаких препятствий на пути к чистой и чистой воде для более здоровой жизни.
Что обратный осмос удаляет из воды?
Система обратного осмоса может удалять до 99% всех примесей и химикатов из воды. Он может удалять твердые частицы, органические соединения, растворенные химические вещества и даже бактерии. Система удаляет все, независимо от того, полезны ли частицы или химические вещества для вашего здоровья.
+ Удаляет ли фторид обратный осмос?
+ Удаляет ли хлор обратный осмос?
+ Удаляет ли свинец обратный осмос?
+ Удаляет ли обратный осмос бактерии?
+ Удаляет ли обратный осмос нитраты?
+ Удаляет ли соль обратный осмос?
+ Удаляет ли кальций обратный осмос?
Конечно.Ответ: Да
Насколько чиста вода обратного осмоса?
В системе обратного осмосаиспользуется полупроницаемая мембрана для удаления ионов, молекул, крупных частиц, опасных соединений и химикатов из питьевой воды.
Обычно существует два типа мембран: CTA (триацетат целлюлозы) и TFC (тонкопленочный композит).
Мембраны CTA сделаны для обеспечения контакта между хлором в воде и мембраной. Для этого типа мембраны требуется небольшое количество хлора из воды, чтобы бактерии не образовывали на ней слой.Система обратного осмоса, в которой используется эта мембрана, часто имеет степень удаления примесей от 85 до 95%.
Мембраны TFC изготовлены из синтетического материала и не требуют для работы хлора. С другой стороны, мембрана TFC требует удаления большей части хлора до того, как через нее пройдет вода. Этот тип мембраны имеет степень удаления примесей от 95 до 98%.
В целом вода обратного осмоса имеет чистоту не менее 85%, что делает ее одной из самых чистых форм воды для ежедневного потребления.
Как содержать систему обратного осмоса?
Многие системы обратного осмоса могут длиться от 10 до 15 лет в зависимости от того, насколько хорошо вы заботитесь о своей системе. Самое главное, на что нужно обратить внимание, это замена фильтра.
Вам следует установить расписание для регулярной замены фильтров. Внимательно прочтите руководство, чтобы узнать, сколько ступеней в вашей системе. В зависимости от количества этапов вы можете знать, сколько фильтров и какой фильтр вы можете использовать для какого этапа.
Во многих системах обратного осмоса используются угольные фильтры. Угольные фильтры, как правило, следует заменять один раз в 12 месяцев, чтобы они всегда оставались в идеальном состоянии.
Нет ничего важнее фильтров в вашей системе. Они выполняют самые важные работы в системе обратного осмоса. Тщательно обращайтесь с фильтрами, чтобы не только продлить срок службы всей системы, но и обеспечить более эффективную и качественную воду.
Вода обратного осмоса вредна для вас?
Как упоминалось ранее, вода обратного осмоса очень полезна для вашего здоровья.Однако вода обратного осмоса имеет и свои недостатки.
Вода становится «слишком чистой». Система обратного осмоса удаляет до 99% всех частиц, включая полезные бактерии и минеральные частицы. Вместе со многими опасными и вредными частицами много хороших и необходимых для здоровья частиц. Ваша вода станет невкусной и ничего не сделает для вашего здоровья, ни улучшит, ни ухудшит ваше здоровье.
Большая часть воды, выходящей из системы обратного осмоса, является кислой.Когда все минералы будут удалены из воды, вода останется кислой. Кислая вода не подходит для поддержания здорового баланса pH в крови, поскольку ваша кровь должна быть слегка щелочной. Некоторые медицинские исследования также доказали, что употребление кислой воды в течение длительного времени вызовет дисбаланс минералов в организме.
Подходит ли вода обратного осмоса для растений?
У использования воды обратного осмоса для растений есть как преимущества, так и недостатки.
Для производителей, которым необходимо контролировать уровень питательных веществ и минералов, подкормленных своими растениями, использование чистой воды не принесет никакого эффекта для ваших растений, ни хорошего, ни плохого.В воде нет примесей или каких-либо минералов, поэтому вы можете использовать столько воды обратного осмоса, сколько хотите, не беспокоясь о том, что баланс минералов и питательных веществ ваших растений будет нарушен.
Проблема с водой обратного осмоса — потеря воды во время процесса. После прохождения через систему фильтрации одного галлона воды останется максимум около ½ галлона воды. Обычно потери воды составляют примерно 1: 3 для средней воды обратного осмоса.Если у вас большой сад, будьте готовы к большому счету за воду.
Заключение
Нет ничего идеального. Как и вода обратного осмоса. Однако преимущества воды обратного осмоса стоят больше, чем недостатки. Чистая и здоровая вода очень важна. И в наши дни, когда легко купить себе и установить систему обратного осмоса у себя дома, ничто не должно мешать вам пить здоровую воду обратного осмоса. Чего ты все еще ждешь? Если вы беспокоитесь о водопроводной воде дома, купите себе лучшую систему обратного осмоса .


Но только не дистиллированная, ведь электричество переносят молекулы примесей и ионы растворенных в ней веществ.
Для бытового использования достаточно мембраны 50G (8 л/час) или 75G (12 л/час). Галлон (G) в сутки – единица измерения производительности мембран, принятая мировыми производителями. 1 G=3.785 литра.


Осмотические мембраны от «Аквафор» хорошо работают даже при небольшом давлении в водопроводе без установки дополнительного насоса: достаточно всего в 1,5 атмосферы. Еще одна отличительная черта – экономное использование жидкости: на удаление примесей с мембраны расходуется не более 20 % от общего объема воды.


Всякие вредоносные примеси уносятся частями. Этот факт является причиной того, что мембрана обратного осмоса не нуждается в замене на протяжении нескольких лет эксплуатации.

Перед использованием ее необязательно кипятить. С медицинской точки зрения такая вода намного полезнее, чем кипяченая вода из городской трубы. Если в доме имеется аквариум, его можно пополнять из накопительной емкости без предварительного отстаивания.
В керамических мойках или столешницах канал сверлится сверлом необходимого диаметра (11-12 мм).
